家电维修网

 找回密码
 注册
家电维修网 网站首页 维修文章
订阅

维修文章

传感器系列1:传感器基础及应用实例
传感器系列1:传感器基础及应用实例
传感器是现代信息技术的重要基础部件,被广泛应用在家用电器、医疗卫生、汽车、机器人、环境保护、遥感技术、航空航天和军事等领域。传感器的作用是信息采集,直接面对被测对象,将有关参量转换为电信号。一、传感器 ...
2019-4-13 10:37
一个电饭煲就能搞定的健康美食,全家都爱吃
一个电饭煲就能搞定的健康美食,全家都爱吃
送别第一场春雨气温即将再次迎来新一波的回升天气越来越热"减肥、健身"又重新成了好多人生活里的"一件大事"如何吃的营养、健康还免受油烟之苦?用电饭煲做饭就是个不错的选择那么本期就来跟小编一起探讨下” ...
2019-4-13 10:11
电热丝和电热管的原理与区别
电热丝和电热管的原理与区别
1、电热丝的概念电热丝是一种将电能转化成热能的功能性合金材料,它的最高工作温度可达1千摄氏度以上,在冶金、建筑、军工、家电等领域中用于制造各种电热元件。目前,电热合金材料已成为一种重要的工程合金材料,在 ...
2019-4-12 16:12
电子电路维修经验整理分享。
电子电路维修经验整理分享。
一、怎样维修无图纸电路板?1.要“胸有成图”要彻底弄懂一些典型电路的原理,烂熟于心。图纸是死的,脑袋里的思想是活的,可以类比,可以推理,可以举一反三,一通百通。比如开关电源,总离不开振荡电路、开关管、开 ...
2019-4-12 16:11
如果某天突然离世,微信、支付宝、游戏装备该怎么办?
如果某天突然离世,微信、支付宝、游戏装备该怎么办?
当下,几乎每个人都有各种各样的网络账号。和家人、朋友联系的微信、记录喜怒哀乐的朋友圈、随手转账的支付宝、大把充值的游戏账号......你有没有想过,如果有一天,当用户离世,这些网络资产能否被继承呢?1网络遗 ...
2019-4-12 09:38
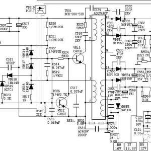
29种彩电开关电源电路图和原理说明(图)
29种彩电开关电源电路图和原理说明(图)
1.A3机芯电源A3机芯电源最早出现在采用三洋公司的LA7680机芯上,故而得名,因其电路简洁、效率高、易扩展、易维修,现在已被各厂家广泛使用。R520、R521、R522为起动电阻,R519、C514、R524、V513、T501的(1)、(2 ...
2019-4-12 09:25
极简LED调光电路,只需一个电位器 | 和女极客一起做实验
极简LED调光电路,只需一个电位器 | 和女极客一起做实验
LED,调光,发光二极管,电位器,无源元件你有看过我们的第一个、第二个和第三个实验吗?你敢吗?舌尖上的实验:舔9V电池和女极客一起做实验 | 滥用电池,你试过吗?用最简单的方法,点亮一个LED | 和女极客一起做实验现 ...
2019-4-11 10:32
线性稳压器和开关稳压器的选用
线性稳压器和开关稳压器的选用
电子产品离不开电源电路,元器件需要的电压/电流/纹波要求,板子上可能有多组不同的供电,选用什么样的变换方式需要考虑到多种因素。首先我们看一下几种常用的外接供电方式:外接交流电: 比如中国国标的220V AC,美 ...
2019-4-11 10:19
电路板上的电子元件字母的含义。
电路板上的电子元件字母的含义。
Rx是电阻,在电路图里有很多电阻,按序号排,R1,R2...Cx是无极性电容,电源输入端抗干扰电容IC集成电路模块Ux是IC(集成电路元件)Kx是不同厂商的元件库定义不同Tx是测试点(工厂测试用)Spk1是Speaker(蜂鸣器,喇叭)Qx ...
2019-4-10 14:23
记住:空调换热器铜管就是这样腐蚀泄漏的!
记住:空调换热器铜管就是这样腐蚀泄漏的!
制冷换热器的主要换热元件是低翅片铜管,铜管在交货之前,必须经过逐根探伤和压力试验,确保合格才能供给换热器制造厂使用,换热器制造完工后,还要进行压力试验,确认无泄漏才用于制冷或制热机组上。 然而,即便 ...
2019-4-9 08:19
老式彩电数字板维修经验分享
老式彩电数字板维修经验分享
彩电数字板维修,在检修中很常见,但作为用户,可能不太懂彩电数字板维修理论,若对这这方面感兴趣,可以让家电维修网平台的开关电源我给你分享,其内容如下: 彩电数字板维修方法 1、紧接着数字高清彩电市场拥有 ...
2019-4-9 07:30
彩电维修方法,关于彩电维修知识的内容
彩电维修方法,关于彩电维修知识的内容
彩电是家庭的常见配置,使用时间久了,就会出现这样、或那样的问题,一旦发现,应该及时处理。若懂电工维修知识,可试着排查,但不要随意检修,除非真的有把握。下面有彩电维修知识,先来看看吧! 彩电维修方法 ...
2019-4-9 07:30
老彩电的维修技巧,你知道多少
老彩电的维修技巧,你知道多少
家电维修网www.bjjdwx.com 彩电维修技巧比较复杂,因不同的故障,可能需要多种维修技巧,所花费的时间也比较多、甚至检修不好,那彩电维修技巧如何。 彩电维修技巧,和彩电高频故障有关,若能熟练掌握、并应用,就 ...
2019-4-7 09:23
液晶电视灯管如何更换维修,液晶电视解决闪烁不定的维修故障
液晶电视灯管如何更换维修,液晶电视解决闪烁不定的维修故障
液晶电视维修论坛 www.bjjdwx.com 液晶电视灯管是电视的一个基础配件,使用时间久了,可能就会出现问题,那液晶电视灯管维修方法呢?对于普通用户,他们并不懂液晶电视灯管维修方法,只能了解其中原理,至于维修,还 ...
2019-4-7 09:23
彩电开关电源短路没有输出的维修
彩电开关电源短路没有输出的维修
彩电维修论坛www.bjjdwx.com 彩电是客厅的基础配置,使用时,意外的出现了故障,经过排查,确定是彩电开关电源短路问题,一时不知如何处理。要是懂彩电开关电源短路维修就好了,也许不必如此烦恼,先不要着急,可让 ...
2019-4-7 09:20
维修热门文章

QQ|门户地图|网站地图|家电维修|手机版|家电维修技术论坛 ( 蜀ICP备14030498号-16 川公网安备51102502000162号 )

GMT+8, 2026-3-19 16:48

Powered by Discuz! X3.4

© 2001-2023 Discuz! Team.

返回顶部