家电维修网

 找回密码
 注册
家电维修网 网站首页 维修文章
订阅

维修文章

洗衣机运行过程中伸手去拉开衣服是危险的
洗衣机运行过程中伸手去拉开衣服是危险的:波轮洗衣机在洗涤程序运行时,打开盖子,机器仍然运行,不少人看到衣服被扭到了一起,就会用手直接去拉开,结果该事件经历的人,整个手臂被衣服缠绕扭动,导致手臂粉碎骨折 ...
2020-3-31 17:23
Wifi定位的原理是什么?
Wifi定位的原理是什么?
(WIFI)定位的原理:1、每一个无线AP都有一个全球唯一的MAC地址,并且一般来说无线AP在一段时间内是不会移动2、设备在开启Wi-Fi的情况下,即可扫描并收集周围的AP信号,无论是否加密,是否已连接,甚至信号强度不足以显示在 ...
2019-5-2 14:33
修手机,你这么说!手机店绝对不敢坑你!
修手机,你这么说!手机店绝对不敢坑你!
相信不少人都有这么一个事情吧!自己去手机店修手机被店家狠狠地宰了一刀,甚至随便一个什么零件坏了,居然,维修要上千元,其实,这是因为你不懂手机维修行业的黑话,如果你说这些行业黑话了,那么,手机店的人绝对 ...
2019-5-2 13:33
OLED屏幕对比LCD为什么更加省电?
OLED屏幕对比LCD为什么更加省电?
OLED显示技术与传统的LCD显示方式不同,无需背光灯,采用非常薄的有机材料涂层和玻璃基板,当有电流通过时,这些有机材料就会发光。而且OLED显示屏幕可以做得更轻更薄,可视角度更大,并且能够显著节省电能。 ...
2019-5-2 12:57
数码相机开挂小神器——卡菲全能版(WIFI)传输器
数码相机开挂小神器——卡菲全能版(WIFI)传输器
为解决数码单反显示屏小不便实时观察拍摄质量、野外打鸟、日出日落等定点拍摄需要顶风冒雪忍受恶略环境,特别是直连电脑上传图片操作麻烦等问题,佳能、尼康等专业大厂都推出了无线传输设备,来实现电脑与相机的远程 ...
2019-5-2 12:55
家电维修收费过高是无奈之举?维修师傅:我们这个行业或将消失
家电维修收费过高是无奈之举?维修师傅:我们这个行业或将消失
我不知道你是否已经要求家电维修大师办理家电维修。如果您之前已经这样做过,那么您一定找到了它。最后一次问家电大师并不便宜。如果你看得更深,你会发现他们的维修费用只有几十美元,但收费高达一百元。在此“行业 ...
2019-5-1 20:11
开关电源知识集合
开关电源知识集合
紧接着电子技术水平的发展,早前电气控制领域做为辅助回路电源被广泛使用的工频变压器(多为降压式),由于体积大、能耗高以及需要后续电子线路等缺点,而大范围地的被体积小、重量轻、一体化的开关电源所取代。本文将 ...
2019-4-29 09:37
维修工做“游击队”有哪些优势和劣势?
维修工做“游击队”有哪些优势和劣势?
做“游击队”有哪些优势和劣势?与正规维修企业相比,一、“游击队”收入高,最明显的就是收入没有抽成,每天的流水差不多就是自己的收入,遇到旺季正规企业忙于薄利的保内单,无法顾及保外单的时候,一个单就能赚上 ...
2019-4-28 21:14
用手机对电脑显示器拍摄为什么会出现莫尔条纹?能否让它不出现?
用手机对电脑显示器拍摄为什么会出现莫尔条纹?能否让它不出现?
想必大家在用手机拍摄电脑屏幕、电视屏幕的时候,都会在手机屏幕上看到一些特殊的波纹,这些波纹有些是横着的,有些是竖着的,甚至还有是弯的,各种奇形怪状的都有。那么这些波纹是什么呢?怎么产生的?有办法可以避 ...
2019-4-28 21:05
有了这些电子元器件检测经验,再难的故障都不怕
有了这些电子元器件检测经验,再难的故障都不怕
3.单向晶闸管检测可用万用表的R×1k或R×100挡测量任意两极之问的正、反向电阻,如果找到一对极的电阻为低阻值(100Ω~lkΩ),则此时黑表笔所接的为控制极,红表笔所接为阴极,另一个极为阳极。晶闸管共有3个PN结, ...
2019-4-28 18:05
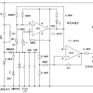
CD120电加热座垫开机不工作故障检修1例
CD120电加热座垫开机不工作故障检修1例
故障现象:该电加热座垫已正常工作2年多了,春节休假回来,电加热座垫不能加热且所有指示灯不亮。分析与检修:首先,检查温度传感器(负温度系数热敏电阻)NTC,和电加热线正常后,怀疑故障发生在控制电路上。为便于 ...
2019-4-27 17:36
通过驱动高功率LED降低EMI
通过驱动高功率LED降低EMI
用于水质监测系统中的红外辐射的高功率LED模块使用高电流方波信号进行操作,该信号可在系统的生物电极传感器处引起强电磁干扰(EMI),从而导致水质受损数据。降低EMI的方法如图1所示,下面描述一个例子。图1 降低水 ...
2019-4-27 17:33
索尼即将停止 PSP和PS3的维修服务
因为游戏机零件库存逐渐不足,索尼计划将于5月31日停止对PS3 CECH-3000的维修服务;同时PSP-3000的维修服务也将在部件用尽后终止,一个时代真的要落下帷幕了。2019年5月31日(星期五),PS3 CECH-3000系列的修理受理结 ...
2019-4-27 17:11
IGBT场效应管的工作原理及检测方法
IGBT场效应管的工作原理及检测方法
IGBT(Insulated Gate Bipolar Transistor)又称绝缘栅双极型晶体管,是由BJT(双极型三极管)和MOS(绝缘栅型场效应管)组成的复合全控型电压驱动式功率半导体器件, 其输入极为MOSFET,输出极为PNP晶体管,因此,可以把其看 ...
2019-4-25 20:45
增值税下调到13%给彩电市场会带来什么
增值税下调到13%给彩电市场会带来什么
在今年的两会上政府工作报告上公布了部分行业的增值税下降的政策,其中涉及家电行业的是关于制造业的税率。根据国家税务部门的新政策,2019年4月1日起制造业等行业税率由16%降至13%。在近期与家电行业中相关企业的交 ...
2019-4-25 20:27
维修热门文章

QQ|门户地图|网站地图|家电维修|手机版|家电维修技术论坛 ( 蜀ICP备14030498号-16 川公网安备51102502000162号 )

GMT+8, 2026-3-19 16:47

Powered by Discuz! X3.4

© 2001-2023 Discuz! Team.

返回顶部