家电维修网

 找回密码
 注册
家电维修网 网站首页 液晶维修
订阅

液晶维修

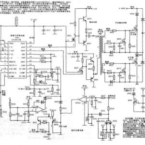
长虹LM38iD机芯液晶彩电USB升级方法及步骤以及检修精要1
长虹LM38iD机芯液晶彩电USB升级方法及步骤以及检修精要1
长虹LM38iD机芯液晶彩电USB升级方法及步骤 一. 升级说明    第一批出厂电视至今已有一段时间,期间电视软件有所更新,在安装过程中需要将软件升级至最新版本。请安装人员按以下步骤完成。    二. 升级需 ...
2018-11-17 13:15
第一次体视显微镜飞COF线修BOE京东方灰屏
第一次体视显微镜飞COF线修BOE京东方灰屏
这个杂牌电视几十元收来的,BOE京东方屏不定时灰屏,背光好的,有声音。vgh vgl vcom 故障前和故障后有变化,变化不大,不死心换过板上的dc-dc芯片cm501,故障不变。白搞......搁置很久,这几天下雨没事做.找到屏飞 ...
2018-11-17 13:01
创维液晶电视42E61HR黑屏故障修复分享
创维液晶电视42E61HR黑屏故障修复分享
今接修一台创维电视42E61HR,故障现象是:上电启动看5-10分钟不等就黑屏现象,无图无声!指示灯绿灯仍亮,用原机遥控调或按面板感应键都没反应,感觉是主板保护死机造成的!拆盖正常试机时,测24V、5V、ON/OFF3V、EN ...
2018-11-16 13:08
AOC液晶电视无规律黑屏检修
AOC液晶电视无规律黑屏检修
三天前有一用户背来一台aoc lc32s05p液晶电视,故障为开机有时黑屏。伴声正常。黑屏无规律性。有时几天正常。有时开机就黑屏。拆开后盖上电观察。开机画面出现后屏幕闪烁。一黑一亮。屏闪时还有彩色撗线或横带干扰。 ...
2018-11-16 13:00
第一次单独换一颗灯珠
第一次单独换一颗灯珠
修液晶电视碰上背光灯珠坏的,一律都整个灯珠全换掉,这是对自已对用户的一种责任。可三月前接一长虹49的电视,具体型号忘了,也没有拍下,故障现像是开机有音乐声,也能看到佷暗的长虹LOGO,无背光,和用户讲10元每 ...
2018-11-16 12:34
TCL曲面电视维修技术资料。
TCL曲面电视维修技术资料。
一、曲面电视机芯概述曲面电视L65H9600A-CUD采用最新4K*2K机芯RT95机芯。RT95机芯是MS901K4K2K项目的升级产品,相比于MS901K,低成本,高性能。RT95基于安卓智能系统,单芯片4K2K输出,并且集成ATV、DVB-C/DTMB、电 ...
2018-11-15 14:06
长虹液晶彩电FSP107-2PS01电源板维修技巧
长虹液晶彩电FSP107-2PS01电源板维修技巧
长虹液晶彩电FSP107-2PS01电源板之保护电路 该二合一电源板一是在主开关电源设有输出过压和市电欠压保护电路,二是在逆变器电路设有过压、过流和电流平衡检测保护电路。    1)+12V、STB5.3V过压保护电路:由晶 ...
2018-11-15 14:02
长虹LS26机芯液晶彩电精要
长虹LS26机芯液晶彩电精要
长虹LS26机芯液晶彩电主板供电插座电压数据长虹LS26机芯液晶彩电电源5Vsttb分配情况长虹LS26机芯液晶彩电电源24V/1A供电分配长虹LS26机芯液晶彩电电源5V/4A供电分配长虹LS26机芯液晶彩电上屏插座的区分在这个机芯里 ...
2018-11-15 13:58
长虹LS 23 15 12 10 09 08 07各种机芯电路结构及信号流程
长虹LS 23 15 12 10 09 08 07各种机芯电路结构及信号流程
长虹LS23机芯电路结构及信号流程长虹LS23机芯电路结构及信号流程如图1所示;伴音信号处理电路组合方案和信号流程如图2所示。适用机型:LT19610、LT19620、LT19620A、LT19629、LT22610、LT22620、LT22620A、LT22629、 ...
2018-11-13 17:40
长虹液晶HSU25D-2M8 210电源板维修资料 JCM40D-4MD120电源板之电源交流检测电路及过压 ...
长虹液晶HSU25D-2M8 210电源板维修资料 JCM40D-4MD120电源板之电源交流检测电路及过压 ...
长虹液晶彩电HSU25D-2M8 210二合一电源板维修资料 长虹HSU25D-2M8 210电源组件是2013年推出的一款二合一电源组件,此款电源组件使用器件少。面积小 ...
2018-11-12 13:03
长虹LM41 LS39机芯机芯液晶彩电主板维修资料 HSL37-3L01 HSL32-3L01电源板维修资料
长虹LM41 LS39机芯机芯液晶彩电主板维修资料 HSL37-3L01 HSL32-3L01电源板维修资料
长虹LM41机芯液晶彩电主板维修资料  长虹41智能机芯采用T W联发即MTK公司研发的超级芯片MT5505,其内部集成了CPU、DSP、GPU等诸多处理单元电路。集TV视频解码、DTV信道解调、解码和解复用器及高性能视频解码、音 ...
2018-11-11 19:41
创维 37 液晶电源 PFC 电路工作原理
创维 37 液晶电源 PFC 电路工作原理
创维的大屏幕液晶的开关电源,都加有功率因素(PCF)校正电路,请参见下图 3-11原理说明:交流 220V 经桥式整洁电路整流后,经 L3 滤波、抑制干扰后,送到储能电感T1,由 MOS 管 Q1 进行暂波,并由 D2 进行整流,C8 ...
2018-11-10 14:13
长虹LT3263X液晶电视维修技巧
长虹LT3263X液晶电视维修技巧
长虹LT3263X液晶彩电之保护电路 本电源的保护电路完善,灵敏度高,有尖峰吸收、过流、过压、欠压保护电路。    (1)尖峰吸收    1)5V副电源电路尖峰吸收由ZD600、R600、D600、C600组成尖峰吸收电路,消除 ...
2018-11-10 08:08
平板液晶电视的基本组成及常见端口介绍
平板液晶电视的基本组成及常见端口介绍
液晶电视的组成一般由液晶屏,机壳,主板,电源板,遥控接收板,按键板,喇叭,120Hz转接板,背光板(高压板)遥控器,所有连接线。1、主板组件主板组件是液晶电视中信号处理的核心部分,在系统控制电路的作用下承担 ...
2018-11-10 07:56
液晶电视电源板简易维修操作方法 液晶电视电源板维修资料.NCP1650
液晶电视电源板简易维修操作方法 液晶电视电源板维修资料.NCP1650
液晶电视电源板简易维修操作方法概述:本文主要内容是液晶电视电源板的故障简单判断和检修,以海尔液晶电视产品为例,大家可以参考一下。 一、电源简易检修方法介绍 1、外观检查:拿出电 ...
2018-11-7 10:16
液晶电视维修热门文章

QQ|门户地图|网站地图|家电维修|手机版|家电维修技术论坛 ( 蜀ICP备14030498号-16 川公网安备51102502000162号 )

GMT+8, 2026-5-20 09:51

Powered by Discuz! X3.4

© 2001-2023 Discuz! Team.

返回顶部