家电维修网

 找回密码
 注册
家电维修网 网站首页 液晶维修
订阅

液晶维修

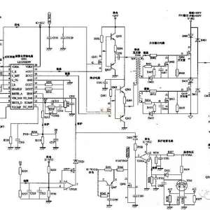
海信42寸LCD老液晶电视难缠的恒流板
海信42寸LCD老液晶电视难缠的恒流板
朋友的朋友送来一台海信42寸LCD老液晶电视,一进门就开始骂骂咧咧说是她家的小兔崽子把电视给看坏了。故障现象;有声无图,用手机强光照射可以看到里面有移动的人影,于是让她留下电话等消息。开盖检查,通电有声音背 ...
2018-11-27 16:35
家用电器使用和保养知识~电视机
家用电器使用和保养知识~电视机
一、合理使用和保养电视机1、电视机在使用时不应频繁开、关机。开关机必须间隔5分钟以上。如果遇到临时停电,应将电视机关掉。2、平面直角彩色电视机应防磁干扰,否则图象易产生色斑。转动电视机方向大于90度时,应 ...
2018-11-27 16:17
长虹液晶彩电R-HS368-4N01电源板故障分析及检修要点
长虹液晶彩电R-HS368-4N01电源板电路简述长虹R-HS368-4N01型电源板,集成电路采用NCP1653A+NCP1027P+NCP1395AD+NCP5181组合方案(实物为1653A+P1027P65+1395ADR2G+5181),为主板和背光灯逆变器电路提供电源。该电源板 ...
2018-11-27 08:38
长虹液晶彩电715T1811-2二合一板电路工作原理
长虹液晶彩电715T1811-2二合一板电路工作原理
长虹液晶彩电715T1811-2二合一板电源电路工作原理 (一)开关电源电路    长虹715TI811-2电源+高压二合一板实物图解如上图所示;电源电路如下图所示,由驱动控制电路IC901(LD7552),MOSFET开关管Q901(2SK299 ...
2018-11-27 08:37
长虹液晶彩电FSP140-3PS02二合一板检修精要
长虹液晶彩电FSP140-3PS02二合一板检修精要
长虹液晶彩电FSP140-3PS02二合一板背光高压电路工作原理  长虹FSP140-3PS02电源+高压二合一板背光灯高压板部分电路如下图所示。它由振荡与控制电路、脉宽调制(PWM)与输出电路、推动与升压电路三部分组成,其中 ...
2018-11-27 08:32
OLED电视为什么还没打败液晶?
OLED电视为什么还没打败液晶?
几乎每一年都在说是OLED爆发的一年,从2007年索尼推出首台OLED电视,OLED的电视历史已经过去了11年,到2017年索尼重新回归到OLED阵营的时候,大家深知OLED已经成为了不可逆的潮流。今天传统品牌厂商中,除了三星、海 ...
2018-11-25 18:36
长虹LS30I机芯 LS30IS机芯液晶彩电升级方法
长虹LS30I机芯 LS30IS机芯液晶彩电升级方法
长虹LS30I机芯 LS30IS机芯液晶彩电用户升级方法某个产品发布高版本软件时,设计部门会制作并存档用户升级文件。    申请拿到升级文件后,把升级文件放到U盘,插到电视机USB端口,电视机会自动识别出新软件,如果 ...
2018-11-23 09:45
史上最详细的万用表使用方法
史上最详细的万用表使用方法
1 使用前的检查及准备1.1在使用万用表前,请检查机壳。切勿使用已损坏的万用表;检查是否有裂纹或缺少塑胶件;特别注意接头周围的绝缘。1.2检查测试表笔的绝缘是否损坏或表笔金属是否裸露在外;检查测试表笔是否导通 ...
2018-11-20 15:44
智能电视卡顿的原因和解决办法
我要一本正经的说不管是移动端还是电视上,在看视频时卡顿,都是很不好的体验。本文梳理出五大常见原因,并给出相应的解决办法,大部分原因机主都可自行排查解决。希望能帮大家更合理、高效地使用电视,防止因为漠视 ...
2018-11-20 15:34
WiFi信号满格却连不上网,原来是它在搞鬼!实用。
WiFi信号满格却连不上网,原来是它在搞鬼!实用。
WiFi信号满格却连不上网,原来是它在搞鬼!实用。闲暇的休憩时光必然少不了WiFi的陪伴,看电影、打游戏等都离不开网络。可是有时明明信号满格的WiFi,却连不上网络,这究竟是怎么回事呢?快一起来看看吧!
2018-11-20 09:05
长虹三合一主板JUC6.690.00088589检修精要
长虹三合一主板JUC6.690.00088589检修精要
长虹LED32560液晶彩电三合一主板(JUC6.690.00088589)低压电源电路与待机控制电路该机的低压电源种类较多,下面仅介绍与微控制器电路有关的不受控5V、3.3V低压电源电路。    (1)不受控5V(+5VS)、+3.3V电源  ...
2018-11-20 09:01
长虹LM41is机芯液晶彩电升级方法步骤检修
长虹LM41is机芯液晶彩电升级方法步骤检修
长虹LM41IS机芯液晶彩电工装升级方法及步骤 1、打开升级平台  2、设置平台内的各项参数  3、点击如果变为绿色表示工装连接成功  4、选择升级软件  5、选择升级软件  6、升级过程中  7、升级过程中  8 ...
2018-11-18 18:48
贴液晶屏硬膜的一点体会
贴液晶屏硬膜的一点体会
近几年低价收购了不少液晶电视。修复以后获利不少。现以一个32寸的厦华电视为例,和大家分享一下贴液晶硬膜的经验技巧。液晶电视的贴膜(也叫偏光膜)。分为软膜和硬膜。其中软膜成本便宜。但是对技术及空间要求比较 ...
2018-11-18 16:42
TCL HX6202-A090QAG机芯液晶彩电总线调整
TCL采用HX6202-A090QAG机芯开发了N01系列液晶彩电。数模小信号处理电路采用HX6202-A090QAG,伴音功放电路采用R2A15112FP,耳机放大电路采用APA2176A。遥控器型号为HTR-D02或HTR-D03。适用机型:TCL L32N01、L37N01、 ...
2018-11-17 13:29
长虹LM38iD机芯液晶彩电USB升级方法及步骤以及检修精要2
长虹LM38iD机芯液晶彩电USB升级方法及步骤以及检修精要2
长虹LM38iD机芯液晶彩电内置WIFI信号接口电路 长虹LM38iD机芯液晶彩电SD卡信号处理电路 ...
2018-11-17 13:17
液晶电视维修热门文章

QQ|门户地图|网站地图|家电维修|手机版|家电维修技术论坛 ( 蜀ICP备14030498号-16 川公网安备51102502000162号 )

GMT+8, 2026-5-20 09:52

Powered by Discuz! X3.4

© 2001-2023 Discuz! Team.

返回顶部