家电维修网

 找回密码
 注册
家电维修网 网站首页 空调维修
订阅

空调维修

旧电脑如何升级提速,老电脑升级方案有什么省钱好办法
旧电脑如何升级提速,老电脑升级方案有什么省钱好办法
家里老电脑用了好几年,不舍得换新的又嫌速度慢怎么办?!小编在这里跟大家分享一些实用的电脑升级方法!电脑卡顿也可能是系统造成的,比如开机自启程序太多、垃圾堆积、病毒等,因此建议大家在升级硬件之前,重新安 ...
2018-4-12 18:58
电动车“有刷电机”和“无刷电机”究竟有的区别是哪几个?
电动车“有刷电机”和“无刷电机”究竟有的区别是哪几个?
二十年前的电动车,不论是两个轱辘的还是三个轱辘的,大多数都是有刷的电机。而有刷电机,它的优点是制造筒单,成本较低,但它却有着致命的缺陷,需要经常的维护,更换电极,而换向器更是容易磨损,会影响电机的寿命 ...
2018-4-12 18:55
2002年的春兰35挂机空调难缠的热保护维修一例
故障机型:一台2002年的春兰35挂机故障表现:一会冷一会热故障维修:带上家伙,检测下来数据为,运行电流开机为5.2A低压为0.5MPA,外风机风扇吹风,风量,热度基本正常当时外环境温度31度红外线温度枪测,(之前的师 ...
2018-4-12 18:51
空调维修基础丨服务工程师必须掌握的检测技术和维修方法
空调维修基础丨服务工程师必须掌握的检测技术和维修方法
常用工具压力表、钳形电流表、焊炬一套、真空泵、制冷剂大小钢瓶、万用表、兆欧表、活络扳手、套筒扳手、割管器、胀管器、封口钳、喇叭口工具、电烙铁、试电笔、温度计、剪刀、弯管器、加氟管、换向扳手、氮气钢瓶、 ...
2018-4-12 17:04
变频空调器代换风扇组件应注意的事项与代换方法
变频空调器代换风扇组件应注意的事项与代换方法
变频空调器的风扇组件主要包括贯流风扇组件、导风板组件和轴流风扇组件。其中,贯流风扇组件和轴流风扇组件主要用来强制加速空气对流,提高冷凝器和蒸发器的热交换量。而导风板组件主要用来控制变频空调器的出风方向 ...
2018-4-12 16:58
空调自清洁靠的原来是这个技术!(视频)
专家的解释让你释怀了吗?是不是有点开“脑洞”啊?
2018-4-11 16:00
空调安装的意外伤害,保险部门和商家的态度那么让人寒心!
2018-04-10维修人家
2018-4-10 13:25
变频空调模块静态测量值参考
2018-4-10 13:23
机房精密空调相对普通家用空调的特点
机房精密空调相对普通家用空调的特点
机房专用精密空调对温度、湿度及洁净度均有较严格的要求,因此,机房精密空调与普通家用空调在设计上与传统的舒适性空调有着很大区别,表现在以下5个方面:1.传统的舒适性空调主要是针对于人员设计,送风量小,送风 ...
2018-4-10 13:19
空调施工打洞应注意的问题和思路
空调施工打洞应注意的问题和思路
装修中空调打洞施工现场,以下案例出现的洞打了,中间隔墙衣柜做不了,所以说打洞也是门学问。零基础学装修,天天进步一点点。
2018-4-10 11:27
空调加长管是否要补充制冷剂?
空调购买旺季来临,很多网友留言咨询空调加铜管是否需要补充空调制冷剂以及空调节电的方法,这里整理了一些内容和大家谈谈,希望能给大家一些帮助。空调加管后超过多少米需要补充制冷剂?  根据空调安装或维修工艺 ...
2018-4-8 13:31
电动车三档变速,为什么找不到变档开关,原来是这样调的
电动车三档变速,为什么找不到变档开关,原来是这样调的
昨天有个同行碰到一辆新蕾的车子,仪表上有三速显示:起步,长跑,超速,但是在手把上却没有找到变档开关,很疑惑,有变档肯定有开关,找了半天没找到开关在哪。打开电源默认是一档,起步档。找不到也要找啊,把转把 ...
2018-4-8 13:08
家用空调的自清洁功能的真相
在商场里买空调,经常有销售人员给你介绍空调的各种功能,展示的内容让你打开眼界,但是实际上这种功能真的有用吗?请跟随《生活实验室》一块儿开看看。感觉有用,可以转发给你的朋友,请他们和你一块儿学习,一起成 ...
2018-4-8 13:05
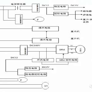
交流变频空调的电源工作原理讲解以海信为例
交流变频空调的电源工作原理讲解以海信为例
一、电源部分组成图二、电源流程图说明一路:AC220V经电源变压器T1降压后输出AC12V,再经整流滤波电路,输出DC12V。DC12V供驱动电路(驱动继电器、蜂鸣器、步进电机及集成驱动器TDG2003)和稳压集成电路7805工作。78 ...
2018-4-8 12:57
维修空调器要学习温度传感器发生故障的原因
维修空调器要学习温度传感器发生故障的原因
温度传感器在空调中(特别是在变频空调中),起着非常重要的作用。在实际维修中,温度传感器不良引起的空调故障很多。由于空调器厂家不提供这方面的维修数据和空调故障代码及自诊断功能的局限性,一般只能诊断传感器 ...
2018-4-8 12:45
空调维修热门文章

QQ|门户地图|网站地图|家电维修|手机版|家电维修技术论坛 ( 蜀ICP备14030498号-16 川公网安备51102502000162号 )

GMT+8, 2026-5-14 06:39

Powered by Discuz! X3.4

© 2001-2023 Discuz! Team.

返回顶部