家电维修网

 找回密码
 注册
家电维修网 网站首页 电工学习
订阅

电工学习

电能表这些参数代表了什么意思?
电能表这些参数代表了什么意思?
电表是电能表的简称,是用来测量电能的仪表,又称电度表,火表,电能表,千瓦小时表,指测量各种电学量的仪表。一,电能表的识别。电表的识别和区分根据国家标准GB/T15283-94和国际标准IEC521-1988电能表标有两个 ...
2019-12-24 10:27
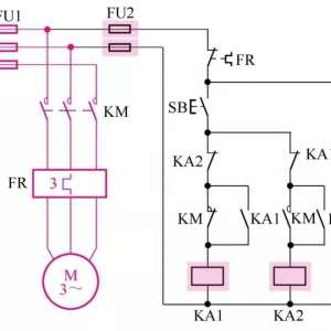
仅用一个按钮控制电动机启停线路
仅用一个按钮控制电动机启停线路
仅用一个按钮控制电动机启停线路 一般用两个按钮控制一台电动机的启动和停止,但在某些特殊场合(如多点控制和远距离控制时,需要大量的导线和按钮,为节省连接导线和减少按钮数目)或某些特殊设备上,需要采用一 ...
2019-12-24 10:26
这篇文章告诉你,指针万用表怎么读数?
这篇文章告诉你,指针万用表怎么读数?
数字万用表,它读数直观、精确度高、功能丰富、对电路影响小,但是数字表采用瞬时取样,所以有时候会出现数字跳动的现象。指针万用表虽然准确度不高,但是它能直观的体现被测物体的阻值变化,而且扛干扰能力强。现在 ...
2019-12-24 10:25
电流互感器有什么用?为什么要电流互感器?
电流互感器有什么用?为什么要电流互感器?
电流互感器的作用从通过大电流的电线上,按照一定的比例感应出小电流供测量使用,也可以为继电保护和自动装置提供电源。举例说明比如说现在有一条非常粗的电缆,它的电流非常大。如果想要测它的电流,就需要把电缆断 ...
2019-12-23 11:06
三根颜色一样的线,如何判断零线、火线、地线?
三根颜色一样的线,如何判断零线、火线、地线?
这个实际上用电子电笔就可以测出来判断方法手指碰触直接测量按钮,笔尖接触测量点。液晶显示屏上有220V电压的是火线,显示有12V电压(或者有闪电标志)的是零线,无任何显示的是地线。图示. 电笔测零线的显示结果顺 ...
2019-12-23 11:05
施工现场临时用电配电箱(柜) 标准化配置图集,只此一份!
施工现场临时用电配电箱(柜) 标准化配置图集,只此一份!
配电箱(柜)适用于施工现场及户外临时用电,应满足“三级配电、 二级漏电保护、一机一闸、一漏一箱”配电及保护的使用要求。配电箱(柜)、开关箱的材质选用、制作工艺、箱内电气元件的选择、配置应符合国家相关标 ...
2019-12-22 09:27
电工,这样的“冒险蛮干”你是否存在?作业人员触电死亡的反思
电工,这样的“冒险蛮干”你是否存在?作业人员触电死亡的反思
作业人员从电桩上坠落下来,左手已被烧断,人已没有呼吸…… 只是一次偶然的“冒险蛮干”,却导致作业人员触电身亡,这样的悲剧到底是如何发生的? 杜绝事故重复发生,我们又该如何防范于未然? 今天和大家分享一起 ...
2019-12-22 09:26
双控开关上L,L1和L2,怎么接电线?
双控开关上L,L1和L2,怎么接电线?
对于这种开关一般多数为单极双控开关,其中L是这个开关的公共点,L1与L2是这个分别是这个开关的另外两个触点的接线端子。这种开关的接线图如下图所示的那样,它分别从两个地方可以闭合和关断所控制的灯,这种接线的 ...
2019-12-22 09:25
迷雾遮挡了眼睛:记一次电柜总隔离开关接触不良故障
迷雾遮挡了眼睛:记一次电柜总隔离开关接触不良故障
2019国庆节假期还没过完一半,突然车间给电话,一条生产线在生产过程中突然停机。下图是的触摸屏报警内容。报警显示急停开关工作了,实际急停开关没有人去按,循环水泵电机断路器是跳闸了,且车间人员反映自动停机后 ...
2019-12-22 09:25
图文详解接近开关的功能原理和用途
图文详解接近开关的功能原理和用途
接近开关是一种无需与运动部件进行机械直接接触而可以操作的位置开关,当物体接近开关的感应面到动作距离时,不需要机械接触及施加任何压力即可使开关动作,从而驱动直流电器或给计算机(plc)装置提供控制指令。接 ...
2019-12-20 16:10
如何区分PNP和NPN?以及一个PLC如何连接两种传感器?
如何区分PNP和NPN?以及一个PLC如何连接两种传感器?
小编常常在后台收到留言:“小编,能不能讲讲NPN传感器和PNP传感器?”所以今天小编就带着NPN传感器和PNP传感器来了。这两种传感器究竟有什么区别呢?PNP传感器又叫“源型输入”,电流是从端子里流出来的,就是高电 ...
2019-12-20 16:09
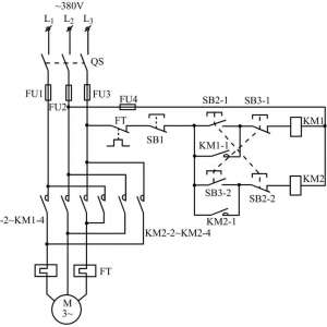
电工电路图纸集:由连锁按钮开关构成的正、反转控制电路
电工电路图纸集:由连锁按钮开关构成的正、反转控制电路
由连锁按钮开关构成的正、反转控制电路1. 电路组成在电路中,SB2是正转按钮开关,其常开触点控制正转交流接触器KM1线圈电源接通,常闭触点控制KM2线圈断电;SB3是反转按钮开关,其常开触点控制反转交流接触器KM2线圈 ...
2019-12-20 16:08
判别各相绕组的接线端可使用万用表电阻挡测量
判别各相绕组的接线端可使用万用表电阻挡测量
电动机在使用过程中可能会出现接线盒的接线板损坏,从而导致无法区分6个接线端与内部绕组的连接关系,可以采用一些方法解决这个问题。1.判别各相绕组的两个端子电动机内部有三相绕组,每相绕组有两个接线端,判别各 ...
2019-12-20 16:07
​电动机调速的7种方法
电动机调速是指通过改变电动机的级数、电压、电流或频率等方法改变电动机的转速,从而使电动机达到较高的使用性能。电动机调速具体有以下7种方法。1.变极对数调速方法这种调速方法是通过改变定子绕组接线方式,从而 ...
2019-12-20 16:06
三相电机角形接法改星形,功率会改变吗
三相电机角形接法改星形,功率会改变吗
三相电动机的功率决定于负载,只要负载不变三相电动机不管是星型还是角型接法电机的功率都是不变的,星型接法时线圈承担的相电压是220V、线电流=相电流、线电压380V,根据380V三相电功率计算P=1.732U(线)*I(线) ...
2019-12-18 16:47
电工学习热门文章

QQ|门户地图|网站地图|家电维修|手机版|家电维修技术论坛 ( 蜀ICP备14030498号-16 川公网安备51102502000162号 )

GMT+8, 2026-5-14 04:32

Powered by Discuz! X3.4

© 2001-2023 Discuz! Team.

返回顶部