家电维修网

 找回密码
 注册
家电维修网 网站首页 电工学习
订阅

电工学习

TTU、FTU、DTU、RTU之间有什么区别,在配电网中的作用是什么?
TTU、FTU、DTU、RTU之间有什么区别,在配电网中的作用是什么?
配网自动化系统一般由下列层次组成:配电主站、配电子站(常设在变电站内,可选配)、配电远方终端(FTU、DTU、TTU等)和通信网络。配电主站位于城市调度中心,配电子站部署于110kV/35kV变电站,子站负责与所辖区域D ...
2020-1-16 11:31
温度继电器在电工电路中的控制关系
温度继电器在电工电路中的控制关系
温度继电器是一种用于防止负载设备因温度过高或过电流而烧坏的保护器件,具有过流、过压双重保护功能。通常由电阻加热丝、碟形双金属片、一对动/静触点和两个接线端子组成。温度继电器的外形及内部结构。 温度继电 ...
2020-1-16 11:31
两处启停、有状态信号灯、无电流表的220V控制电路
两处启停、有状态信号灯、无电流表的220V控制电路
两处启停、有状态信号灯、无电流表的220V控制电路原理图电路工作原理 合上三相负荷开关QS;合上主回路断路器QF;合上控制回路熔断器FU。按下机前启动按钮SB2,电源L1相→控制回路熔断器FU→1号线→停止按钮SB1动断 ...
2020-1-15 09:58
温度继电器在电工电路中的控制关系
温度继电器在电工电路中的控制关系
温度继电器是一种用于防止负载设备因温度过高或过电流而烧坏的保护器件,具有过流、过压双重保护功能。通常由电阻加热丝、碟形双金属片、一对动/静触点和两个接线端子组成。温度继电器的外形及内部结构。 温度继电 ...
2020-1-15 09:57
这样的故障你是否会维修!记星三角电路维修实例
这样的故障你是否会维修!记星三角电路维修实例
朋友打电话来让帮忙去他小厂看一下,一台绕丝设备启动故障,这种绕丝机我以前没接触过,只是听说过,但碍于情面我还是答应帮忙看看。 绕丝机为一个主马达带动几百个小转轮,每个转轮绕一根丝,绕满后取下,再换一批 ...
2020-1-15 09:56
老电工来工厂2个月,车间主任颁布一条新规定,电工当场就辞职
老电工来工厂2个月,车间主任颁布一条新规定,电工当场就辞职
提到工厂里的电工,大家的第一反应就是他们很悠闲,毕竟只要设备没出问题,他们每天上班基本上是无事可做的,但是为什么现在越来越多的电工都会选择辞职呢?明明可以每天打酱油拿工资,为何会选择放弃这份工作呢?一 ...
2020-1-15 09:56
变频多联机各部件结构及其作用
变频多联机各部件结构及其作用
直流变频压缩机变频压缩机在30HZ~85HZ 范围内运转,配合1 台或2 台定速涡旋压缩机的启停,在同一个制冷系统内进行多级容量控制,从而满足对室内机的单独或线性控制(如下图所示)。冷凝器电子膨胀阀维持系统运行所 ...
2020-1-13 17:15
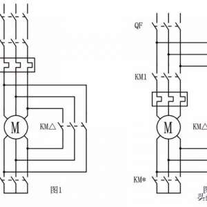
星三角启动到底该如何选择接触器?
星三角启动到底该如何选择接触器?
星三角启动怎么选接触器,这里主要是指如何选接触器的额定电流,下面我们来分析一下。如上图所示,星三角降压启动主线路常见的接线方式有两种。其中图1是比较常规的,图2也可以正常使用。三角形接法电流计算如下图所 ...
2020-1-12 09:52
直流充电桩工作原理及常见故障分析和趋势
直流充电桩工作原理及常见故障分析和趋势
充电桩分为交流充电桩和直流充电桩。前者俗称“慢充”,后者俗称“快充”。充电交流充电桩通过电动汽车内置的“车载充电机”将电网的交流电转换为直流电后对电池充电。车载充电机(OBC:On Board Charger)目前国内 ...
2020-1-12 09:50
超值维修经验——软启动器故障处置案例分享
超值维修经验——软启动器故障处置案例分享
谈起当下电动机启动控制装置,相信广大电工同行首先想到的便是变频器,以及作为电工等级考试题目出镜率最高的Y-△降压启动电路。其实在这两者之间,还有一种应用较为广泛,专职担负电动机启动控制的装置——软起动 ...
2020-1-12 09:50
能否挑战高薪水一块敲门砖,电工是这样做成大神的
能否挑战高薪水一块敲门砖,电工是这样做成大神的
技术是电工的生存基础,也是能否挑战高薪水一块敲门砖,我接触过一些高层次的电工,不单指的是技术非常好,还包括曾靠电工这块基石促自己工作更上一个层次的同行,我身边就有过这样一位同事,确切的说是我曾经的上司 ...
2020-1-12 09:49
中央空调末端设备的分类和应用
中央空调末端设备的分类和应用
今天来聊一聊中央空调末端的设备分类和应用。一、风管风管是采用金属、非金属薄板或其他材料制作而成,用于空气流通的管道。(1)风管的材料常用的有薄(镀锌)钢板、不锈钢板、塑料复合板、有机(无机)玻璃钢板、 ...
2020-1-11 17:10
670A电流,架空电缆如何选型?
670A电流,架空电缆如何选型?
题目:施工临电用电方案,经计算电流670.77,电压380V,采用三相五线制,变压器接出两个一级箱,采用架空敷设,空气温度35℃,变压器距离一级箱300米,电缆如何选型,求大神解答,万分感谢电缆型号及截面积选择根据 ...
2020-1-11 17:10
电工新手看电路图有什么窍门?
电工新手看电路图有什么窍门?
学技术哪有什么窍门,都是经过不知道多少次的练习。不过有一点非常重要,那就是学习方法。学校方法真的非常重要!方法对了,事半功倍;方法错了,事倍功半。我以前也是一线电工技术员,后面阴差阳错转行做电工技能培 ...
2020-1-11 17:09
带你一起学习硬盘的物理结构与磁盘分区原理
带你一起学习硬盘的物理结构与磁盘分区原理
硬盘的物理结构首先简单认识一下硬盘的物理结构,总体来说,硬盘结构包括:盘片、磁头、盘片主轴、控制电机、磁头控制器、数据转换器、接口、缓存等几个部份。所有的盘片(一般硬盘里有多个盘片,盘片之间平行)都固定 ...
2020-1-11 17:08
电工学习热门文章

QQ|门户地图|网站地图|家电维修|手机版|家电维修技术论坛 ( 蜀ICP备14030498号-16 川公网安备51102502000162号 )

GMT+8, 2026-5-14 03:30

Powered by Discuz! X3.4

© 2001-2023 Discuz! Team.

返回顶部