家电维修网

 找回密码
 注册
家电维修网 网站首页 电工学习
订阅

电工学习

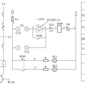
一次保护、手动与自动控制的上水泵220V控制电路
一次保护、手动与自动控制的上水泵220V控制电路
一次保护、手动与自动控制的上水泵220V控制电路原理图电路工作原理 合上电源隔离开关QS;合上电源断路器QF;合上控制回路熔断器FU。接触器KM动断触点→9号线→信号灯HL1→2号线,信号灯HL1得电,亮灯表示水泵回路 ...
2020-1-20 08:53
电工常用的电线线径、载流量如何计算?
电工常用的电线线径、载流量如何计算?
其实电线也可以称呼它的直径,比如1平方的也可称直径1.13mm ,1.5平方的也可说是1.37(mm 直径)。因为选用电线时主要考虑电线使用时会不会严重发热造成事故,电线的(截面积)平方数与通过的电流安培数有直接对应的 ...
2020-1-20 08:53
零线为什么会带电,通常零线带电主要有以下几点原因
零线为什么会带电,通常零线带电主要有以下几点原因
不久前,朋友说他家的电路有问题,让过去看看是什么原因,结果用电笔测量之后,发现是零线带了电,我们知道一般情况下,零线是不带电的,那朋友家的电到底是哪里出了问题呢?通常零线带电主要有以下几点原因:1、家 ...
2020-1-20 08:52
铜芯线的压降与其电阻有关,电缆直径和电缆流过电流计算以及对照表
铜芯线的压降与其电阻有关,电缆直径和电缆流过电流计算以及对照表
1、综述 铜芯线的压降与其电阻有关,其电阻计算公式:20℃时:17.5÷截面积(平方毫米)=每千米电阻值(Ω)75℃时:21.7÷截面积(平方毫米)=每千米电阻值(Ω)其压降计算公式(按欧姆定律):V=R×A线损是与其使 ...
2020-1-20 08:50
在拔用电插头过程中工友竟被触电倒地!一名工友触电事故的启示
在拔用电插头过程中工友竟被触电倒地!一名工友触电事故的启示
作业人员“持纸巾”对用电设备进行断电处置 在拔用电插头过程中被触电倒地! 而事故的根源直指“违章改接临时用电接线”, 一个小小的“漏电”插座,竟然要了工人的命, 究竟是怎么了? 一起临时用电“隐患被忽视” ...
2020-1-20 08:49
​有启停信号灯、KG316T微电脑时控开关直接启停水泵的220V控制电路
​有启停信号灯、KG316T微电脑时控开关直接启停水泵的220V控制电路
原理图 有启停信号灯、KG316T微电脑时控开关直接启停水泵的220V控制电路电路工作原理 合上主回路中的隔离开关QS;合上主回路中的断路器QF;合上控制回路中的熔断器FU。KG316T微电脑时控开关开始计时。 电源L1相 ...
2020-1-17 09:41
三相变压器低压绕组对外壳绝缘电阻的测量
三相变压器低压绕组对外壳绝缘电阻的测量
昨天我们学习了变压器的结构和原理,今天我们接着来学习变压器如何来检测好坏。变压器的检测 检测变压器时,可先检查待测变压器的外观,看是否损坏,确保无烧焦、引脚无断裂等,如有上述情况,则说明变压器已经损 ...
2020-1-17 09:41
不用时间继电器实现定时正反转,控制方法很简单
不用时间继电器实现定时正反转,控制方法很简单
在工业控制或者民用中,有一些设备需要实现这样的工艺,要求设备能正传-停止-反转-停止-正转重复往复循环,例如染色机、搅拌机、研磨机、大型洗衣机等。如果使用按钮控制的正反转控制,需要多个时间继电器,控制复杂 ...
2020-1-17 09:40
如何实现双电源自动切换?特殊场合必须保证不间断供电
如何实现双电源自动切换?特殊场合必须保证不间断供电
在工业控制或者民用中,有一些特殊场合必须保证不间断供电,比如加油站、地下抽风机、消防供水泵、养殖供养机等。这就要求当一路电管因故断电时,备用电源能自动投入,怎么解决这类问题?今天给大家分享通过控制电路 ...
2020-1-17 09:39
启动前发预告信号、有启停信号灯的一启两停的220V控制电路
启动前发预告信号、有启停信号灯的一启两停的220V控制电路
原理图启动前发预告信号、有启停信号灯的一启两停的220V控制电路实物接线图电路工作原理 合上控制回路熔断器FU后,停机状态信号灯HL1得电,亮灯表示控制电路具备控制条件。按下停止按钮SB3,其动断触点断开,切断 ...
2020-1-16 11:35
变压器的结构原理
变压器的结构原理
1 变压器的结构 变压器是一种利用电磁感应原理制成的,是可以传输、改变电能或信号的功能部件,主要用来提升或降低交流电流、变换阻抗等。变压器的应用十分广泛,如在供配电线路、电气设备及电子设备中可传输交流 ...
2020-1-16 11:35
故障分析:液压系统常见失压故障分析
故障分析:液压系统常见失压故障分析
液压系统失压故障的发生,会严重影响产品质量,降低生产效率,甚至会加大生产成本,最终影响利润的增长。失压或者压力不稳作为液压系统故障中最为常见的故障,一直是从事液压技术工作的工人和技术人员所研究的课题。 ...
2020-1-16 11:34
怎么只用一块万用表确定电机的首尾端
怎么只用一块万用表确定电机的首尾端
一般三相动力电动机不管是新旧,接线出来都是首端尾端分裹好的,而且线色同相统一,不必要专门区分,但总有例外,作为电工,如果遇到一台线色不统一,首尾也混乱,接起线来确实是一件比较麻烦的事,特别是没遇到过这 ...
2020-1-16 11:33
电工由入门新手成长为高手之必备技能 如何做好经验总结
电工由入门新手成长为高手之必备技能 如何做好经验总结
无论是从校园走向工作岗位,亦或拜师学艺踏入工作一线,技术从业人员一旦入了门那以后的晋级之路恐怕只能依靠自身的努力了,对此我们电工从业者也是概莫能外!当一名初入电工工作或刚入门不久的菜鸟新手,要想早日跻 ...
2020-1-16 11:32
电流互感器为什么一端要接地?看完秒懂
电流互感器为什么一端要接地?看完秒懂
电流互感器和电压互感器在运行中二次绕组要接地,是防止在互感器绝缘被击穿后,高压通过互感器串入低压,伤及仪表及运行人员,将互感器的二次一点接地,既不影响设备的正常运行,还保障了人员和设备的安全。为了保证 ...
2020-1-16 11:32
电工学习热门文章

QQ|门户地图|网站地图|家电维修|手机版|家电维修技术论坛 ( 蜀ICP备14030498号-16 川公网安备51102502000162号 )

GMT+8, 2026-5-14 03:30

Powered by Discuz! X3.4

© 2001-2023 Discuz! Team.

返回顶部