家电维修网

 找回密码
 注册
家电维修网 网站首页 空调维修
订阅

空调维修

上班第一天,老焊工返修焊缝实操演示...
上班第一天,老焊工返修焊缝实操演示...
焊工的生存法则很简单就是靠实力不会挖补焊口的焊工只有两种人一种是没焊过拍片口一种是技术大牛,焊口百分百合格但独孤求败永远都是传说只要我们拿起焊把总有出错的时候只是百分比的问题当我们拿起返修单的时候焊口 ...
2018-3-19 17:47
有钱人总喜欢把冰箱放这里,老师傅分析完之后,才知道越住越富裕
有钱人总喜欢把冰箱放这里,老师傅分析完之后,才知道越住越富裕
现在越来越多的人们都加入到了购房大军,人们辛辛苦苦的工作,终于攒够了钱买房子,当我们买好了房子以后就到了装修了,在装修的过程中我们一定要细心谨慎,毕竟我们一辈子或许只有一套房子,而房子是陪伴我们一辈子 ...
2018-3-19 17:43
晚上睡觉不关【路由器】真的没事?这里告诉你答案
晚上睡觉不关【路由器】真的没事?这里告诉你答案
相信如今每个家都有【路由器】了,毕竟没有(WIFI)是活不下去了。但是你们关闭过【路由器】吗,比如你们睡觉的时候,没人时候总不要用网了吧!很多人的答案要么是懒得关要么关不关无所谓。【路由器】一直开着真的什么事都没有吗,我 ...
2018-3-19 17:41
春季到来,空调该洗洗啦!(使用指南)
春季到来,空调该洗洗啦!(使用指南)
紧接着气温的上升,汽车空调可视清洗开启疯狂模式!今天小编再一次的告诉你,清洗空调蒸发器的正确方法!一、准备工作1、爱动可视空调清洗枪2、爱动可视空调清洗产品二、准确找到蒸发器位置1、拆下储物箱;2、根据具体 ...
2018-3-19 17:39
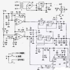
格力KFD12(7.5)WAK空调制热效果差室外热交换器结冰
格力KFD12(7.5)WAK空调制热效果差室外热交换器结冰
故障机型:KFD12(7.5)WAK故障现象:空调制热效果差,室外热交换器结冰。故障部位:化霜电源电路故障检修:通过故障现象分析,说明化霜电路异常。检查化霜电路的供电为0V,正常时为12V,说明12V供电电路异常。测三端 ...
2018-3-19 16:34
焊接中的两大极品,鱼鳞焊VS鸡屎焊
焊接中的两大极品,鱼鳞焊VS鸡屎焊
焊接技术最高境界是什么?是美,是零件性感的美,美的一塌糊涂!下面有视频,不要错过喽!TIG Welding 为焊接的一种工法,管材对管材直接焊接,其焊接成鱼鳞状也有简称鱼鳞焊。TIG焊接本身就属于明弧操作能很好的观 ...
2018-3-19 16:27
20年工程师专业解释:空调黑科技“自清洁”到底是一种什么技术?
20年工程师专业解释:空调黑科技“自清洁”到底是一种什么技术?
刚刚结束不久的AWE中国家电及消费电子博览会上,小编看到了很多“自清洁”或“自清洗”空调,其中包括美的、海尔、格力、TCL、奥克斯等主流空调品牌,海信空调更是强调“内外机双清洗”。空调长时间运行容易积灰,不 ...
2018-3-19 16:16
空调不制热的原因原来是这五种,冬天空调不制热维修方法总结
今天小编就从空调的性能和结构给大家分析空调不制热的原因以及维修方法。希望能帮助大家度过一个温暖的冬天。空调不制热之维修一:空调四通阀漏气四通阀是有四个油口的控制阀,它是空调系统中不可缺少的部件,那么如 ...
2018-3-19 08:12
格力空调常见故障问题维修方法汇总
格力空调常见故障问题维修方法汇总
1、房间太大或门窗翻开,请关严门窗。3、室外机装置方位欠安,散热不良,如日晒、通风不良等,请校对或重装。5、过滤网脏堵,请清洗。7、两器脏,请清洗。9、制冷剂过多,请放出适量的制冷剂。11、室外温度太高。13 ...
2018-3-19 08:04
空调常见故障现象及判断方法【空调维修经验总结】
 空调常见故障现象及判断方法(专业维修人员和用户都能用得着)  空调常见故障现象:  (1)、漏:指制冷剂泄漏;电气(线路、机体)绝缘破损引起的漏电等。  (2)、堵:指制冷系统的脏堵与冰堵;空气过滤器堵塞;进风口 ...
2018-3-19 08:02
三菱重工FDRN306,406,506HENSL天花板内嵌式
检测灯(黄)灯亮1次 室内管温异常 2次 内机吸气热敏电阻不正常3次 来自外部装置不正常 4次 排水不正常,排水泵浮子开关异常5次 冷媒不足引起的不正常 6次 热负荷超载出错 1.滤网塞 2.室内机短路管温电阻不正常运行 ...
2018-3-19 07:58
三菱重工(SRK503CENFI-W)分体空调故障代码
三菱重工(SRK503CENFI-W)分体空调故障代码显示内容 故障原因定时灯闪烁 内管温异常运行灯闪烁 内环温异常定时与运行灯闪烁 室外机故障
2018-3-19 07:58
三菱重工SRF50HC、SRFD50HC空调故障代码
三菱重工SRF50HC、SRFD50HC运行灯闪 诊断记号 故障原因2次/8秒 07 内管温异常2次/8秒 06 内环温异常2次/8秒 59 室外机故障2次/8秒 00 有线遥控通信异常2次/8秒 00 控制单元异常三菱重工空调(SRK285CENFI-W)显示内 ...
2018-3-19 07:57
三菱电机空调GJ(PSH-3GJ、6GJ[H]S常用的故障代码
三菱电机空调GJ(PSH-3GJ、6GJS)灯亮位置 故障原因12--29 室外故障(检查室外机连接线、 制冷剂、温度传感器)11--28 室外环温异常或控制板故障10--27 内管温异常或控制板故障7--24 防冷风保护(室内进出风口有无障 ...
2018-3-19 07:57
一些常见的三菱重工空调故障代码
三菱重工空调故障代码LED1 LED2 LED3 LED4 故障原因灭 灭 灭 灭 正常亮 亮 亮 亮 室外机主版故障亮 灭 灭 灭 相序错误灭 亮 灭 灭 高压继电器动作或室外主控板故障灭 灭 亮 灭 低压继电器动作或室外主控板故障灭 灭 ...
2018-3-19 07:56
空调维修热门文章

QQ|门户地图|网站地图|家电维修|手机版|家电维修技术论坛 ( 蜀ICP备14030498号-16 川公网安备51102502000162号 )

GMT+8, 2026-5-14 02:23

Powered by Discuz! X3.4

© 2001-2023 Discuz! Team.

返回顶部