家电维修网

 找回密码
 注册
家电维修网 网站首页 维修文章
订阅

维修文章

师傅与客户都这么和谐,多好!
2018-12-3 15:59
安装电机以后必须用钳形电流表测量电流,为什么?
安装电机以后必须用钳形电流表测量电流,为什么?
用钳形电流表测量的是一相相线的实际电流,因为钳形电流表就相当于一个一次绕组开口的CT,一次检测的电流是多少二次就会反映显示,多少这与三相电机的接法没有关系。本站家电维修网https://www.bjjdwx.com/是以家电维修技术交流为中心的技术论坛,相别分别测量,可直接测量电压互感器二次 ...
2018-12-2 13:13
光纤红光笔怎么使用?
光纤红光笔怎么使用?
在综合网络布线的环境中,为了满足高性能布线需求光纤经常出现裸纤、盘纤、光纤熔接等现象,由于光纤相对于铜线而言较脆弱,容易发生故障,因此光纤检测工具成为了综合网络布线中常用工具。光纤红光笔作为排查网络故 ...
2018-12-2 12:00
全自动洗衣机进水系统结构原理。
全自动洗衣机进水系统结构原理。
2018-11-30 14:55
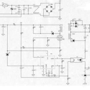
一份电源原理图的每个元器件的选项!
一份电源原理图的每个元器件的选项!
原理图FS1:由变压器计算得到Iin值,以此Iin值(0.42A)可知使用公司共享料2A/250V,设计时亦须考虑Pin(max)时的Iin是否会超过保险丝的额定值。TR1(热敏电阻):电源启动的瞬间,由于C1(一次侧滤波电容)短路,导致Iin电流 ...
2018-11-30 14:43
电瓶修复——蓄电池常见故障与排除
电瓶修复——蓄电池常见故障与排除
在电动自行车的主要部件中,蓄电池的故障率较高,以下列举一些典型的故障现象,并介绍其检查处理方法。1、电池漏液漏液有4种情况:一是上盖与底槽之间密封不好或因碰撞、封口胶开裂造成漏液;二是帽阀渗酸漏液;三是 ...
2018-11-29 18:57
用电容、三极管、LED、电阻做最简单的流水灯,纯模拟电路学习
用电容、三极管、LED、电阻做最简单的流水灯,纯模拟电路学习
普及数电模电知识,科教兴国。大家好,创客e工坊今天教大家用电容、三极管、LED、电阻做一个最简单的流水灯电路。我们先来看电路原理图:原理分析:电路图中,三极管起到开关的作用,上电后电容开始充电,电容充电的 ...
2018-11-29 18:54
伺服电机故障维修13招,资深工程师全会了!
伺服电机因为长期连续不断使用或者使用者操作不当,会经常发生电机故障,维修又相对复杂的。小编收集了伺服电机发生的13种常见的故障问题的维修方法,供大家学习借鉴。一、起动伺服电机前需做的工作有哪些1)测量绝 ...
2018-11-29 15:02
变频器老是烧电源进线端?5个原因和解决办法轻松应对~
要考虑进线端的接触和电流大小问题,如果端子规格选小了,或者端子的导电性能不良,会直接引起端子的载流能力小而发热。2进线端处的入线,一定要压好线耳之类,如果不压,可能会引起接触不良,造成这个地方接触电阻 ...
2018-11-29 15:02
WMZ-03型温度指示仪原理与应用
WMZ-03型温度指示仪原理与应用
图1 WMZ-03型温度指示仪外形图1.电路原理图图2为该仪表的电路原理图。图2 WMZ-03型温度指示仪电路原理图2.工作原理 WMZ-03型温度指示仪采用桥路作为温度量测电路。电位器RP1作为满度调节;电阻R3(R6、R9)、R14(R7 ...
2018-11-28 13:45
欧易普ZX7-250ML IGBT逆变直流弧焊机
欧易普ZX7-250ML IGBT逆变直流弧焊机社会占有量较大,为了便于读者掌握此类弧焊机的故障检修技能,本文介绍它的工作原理和故障检修实例。1.基本原理此焊机输入AC220V/380V电压,先由桥式整流滤波电路将220V/380V交流 ...
2018-11-28 13:09
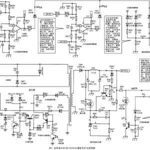
俄罗斯产ΦU-2型铁素体检测仪故障维修1例
俄罗斯产ΦU-2型铁素体检测仪故障维修1例
故障现象:核电安装公司焊接研究理化实验室的一台俄罗斯2002年生产的ΦU-2型铁素体检测仪,见电路图1,管理员在从新整理搬动设备的平台布局排放后,在开机做实验时,指示灯能亮,但只听到内部变压器发出的交流“嗡嗡 ...
2018-11-28 13:01
基于蓝牙/Wi-Fi/ZigBee的医疗设备无线接入大升级
基于蓝牙/Wi-Fi/ZigBee的医疗设备无线接入大升级
紧接着病患监护的自动化以及对数据读数准确性需求的激增,无线数据传输必将成为一项关键医疗技术。那些旨在确保医患数据读数存储与传输安全的行业标准将帮助医生处理无线联网医疗设备日益增长的数据量。 基于上述几点 ...
2018-11-28 11:23
重新认识家用漏电保护器
社会经济在不断发展,大家的生活水平和居住条件也得到了改善,家中电器越来越多,电器在用时候如何保障家用电器的安全和人身安全是很重要的问题。不少人认为接装了家用漏电保护器就万事大吉的错误观点。家用漏电保护 ...
2018-11-28 11:11
创维42L98SW液晶彩电不开机维修两例
创维42L98SW液晶彩电不开机维修两例
创维42L98SW液晶彩电不开机维修两例例1:红色指示灯亮,但不开机 分析与检修:测量电源板5V电压输出,只有4.8V左右,且抖动。遥控开机后,红色指示灯变为绿色,测量主电源24V和12V有输出,但瞬间变为0V,呈三无状 ...
2018-11-28 11:11
维修热门文章

QQ|门户地图|网站地图|家电维修|手机版|家电维修技术论坛 ( 蜀ICP备14030498号-16 川公网安备51102502000162号 )

GMT+8, 2026-3-19 23:12

Powered by Discuz! X3.4

© 2001-2023 Discuz! Team.

返回顶部