家电维修网

 找回密码
 注册
家电维修网 网站首页 电子技术
订阅

电子技术

快恢复二极管fmlg16的参数功能
快恢复二极管FMLG16之参数是:600V/5A;其耐压值仅600VFMLG16 参数硅创维大屏幕彩电阻尼二极管创维数字高清电视的通病维修:创维电视29T60HT,220V成了380V电压。经检查300V滤波电容爆了,130V整流管击穿。这个电阻 ...
2018-12-4 18:51
一款万年历变压器烧毁的修理
一款万年历变压器烧毁的修理
一款挂式万年历不能显示,经检查发现变压器烧坏,由于变压器太薄一时找不到何时配件,正在发愁时忽然看到废物堆里有一个LED台灯,该台灯LED管损坏,横流电源是好的于是将拆下,改装后装上万年历起死回生了。
2018-11-29 11:28
速修户户通接收机3例
速修户户通接收机3例
1、米塔其LT-3500E-CA05A开机前面板红色电源灯一明一暗闪,电源发现“滋滋”声。拆开机器发现电源板输出3.3V、5V、15V和19V四组电压,通电测量3.3V主供电在3V与3.3V间跳变,将维修电源调到3.3V为主板供电在700mA左右 ...
2018-11-28 13:05
触电事故集锦,动态图还原触电现场,珍爱生命预防触电
触电事故集锦,动态图还原触电现场,珍爱生命预防触电
触电事故集锦,动态图还原触电现场,珍爱生命预防触电生产类生活类高压触电类1、触电事故原因分析(1)电气线路、设备安装不符合安全要求。(2)非电工任意处理电气事务。(3)移动长、高金属物体碰触电源线、配电柜 ...
2018-11-4 12:58
康佳洗衣机维修记
康佳洗衣机维修记
现在在市面上仔细观察,会发现很多原来不做小家电的品牌也加入了小家电的行业,小家电入门容易但要想做好确实需要一定功夫,功能大家都能实现,但质量到底怎么样呢,这就很难说了。估计很多人都知道康佳电视,但是康 ...
2018-11-4 12:50
天气渐凉,当心你的电动车因为“不舒服”罢工哦
天气渐凉,当心你的电动车因为“不舒服”罢工哦
天气变冷了,电动车也会跟着凉不舒服。每当这个时候顾客堵上门来,说你这电动车电池怎么没有承诺的跑的远呀?很多客户都不知道,作为电动汽车的核心部件——电池,可是最怕冷的,而被“冻坏”的电动车,商家是不赔的 ...
2018-10-31 20:08
欧派消毒柜的常见故障检测及维修。
欧派消毒柜的常见故障检测及维修。
一、通电无反应说明:这类故障表现为消毒柜插上电源无任何提示音,显示屏无任何显示信息①检查电源是否正常:可万用表交流电压档检测电源插座上有没有的220V电源(如左图所示)。或用小电器设备(最好是三插),电笔 ...
2018-10-31 06:27
消毒柜的检测与工作原理。
消毒柜的检测与工作原理。
一、消毒柜的主要部件及质量检测1、熔断器(保险管)主要作用:对消毒电路进行短路保护质量检测:正常时电阻为0Ω2、温控器作用:达到一定温度断开石英管电源检测:常温电阻为0Ω3、石英管作用:产生高温消毒检测: ...
2018-10-31 06:20
三洋滚筒洗衣机显示故障代码E11、E12的原因及处理
三洋滚筒洗衣机显示故障代码E11、E12的原因及处理1、E11报警    故障原因及现象:进水时20分钟没有达到设定水位    处理方法:本站家电维修网https://www.bjjdwx.com/是以家电维修技术交流为中心的技术论坛,检查水龙头是否打开,查看水压是否正常;    第二步,用检测模式查 ...
2018-10-23 17:42
飞利浦AS238组合音响声音异常故障检修
飞利浦AS238组合音响声音异常故障检修
故障现象:一台飞利浦AS238型组合音响,无论在收音、放音还是在播放CD状态下,音量均很小,且失真。 分析检修:测其电源电路输出的18V和5V电压正常稳定。根据故障现象分析,故障部位应在功放电路中(此机功放电路和 ...
2018-10-19 19:39
支付宝放大招!新功能上线,不知道的可要落后别人了
前几天,有件事情在朋友圈刷屏了,支付宝宣布:用支付宝在江苏地区可以领取电子结婚证了。那电子结婚证到底是干什么用的?怎么领?今天就跟大家聊一聊。支付宝的新功能来自小司聊理财00:0002:06首先第一点要给大家讲 ...
2018-10-17 16:47
电动机定子绕组断路故障的处理
电动机定子绕组断路故障的处理
(1)对于断路点在铁芯槽外,又是单根导线断开,可以重新焊接好并处理好焊接处的绝缘。 (2)若是两根以上的导线断开,则应仔细查找线头线尾,否则容易造成人为短路。 (3)若断路点在铁芯槽内,应用穿绕法更换故障线圈。 ...
2018-10-17 16:43
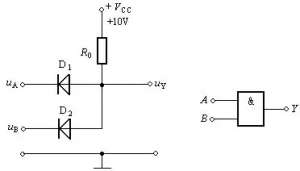
二极管与、或门,三极管非门电路原理
二极管与、或门,三极管非门电路原理
二极管与门电路原理如图:为二极管与门电路,Vcc = 10v,假设3v及以上代表高电平,0.7及以下代表低电平,下面根据图中情况具体分析一下,1.Ua=Ub=0v时,D1,D2正偏,两个二极管均会导通,此时Uy点电压即为二极管导通 ...
2018-10-16 13:48
关于直流电防接反电路的总结
关于直流电防接反电路的总结
对于平常日用的一些产品,产品在进行设计时就会考虑这个问题,顾客只是简单的利用插头进行电源的连接,所以一般采用反插错接头,这是种简单,低价而有效的方法。但是,对于产品处于工厂生产阶段,可能不便采用防差错 ...
2018-10-16 13:42
电池放电,会有气体发生吗?
电池放电,会有气体发生吗?
1、电池放电,会有气体发生吗?如有请介绍机理;电池按正常放电,一般会产生轻微气体,特大电流放电可能产生气体。电池自放电过程产生氢气,那是电池内部的杂质和活物质形成原电池反应,将氢离子还原成氢气。2、三段 ...
2018-9-26 10:44

QQ|门户地图|网站地图|家电维修|手机版|家电维修技术论坛 ( 蜀ICP备14030498号-16 川公网安备51102502000162号 )

GMT+8, 2026-5-14 02:23

Powered by Discuz! X3.4

© 2001-2023 Discuz! Team.

返回顶部