家电维修网

 找回密码
 注册
家电维修网 网站首页 电子技术
订阅

电子技术

吉德XQB55-2286型波轮洗衣机故障维修1例
吉德XQB55-2286型波轮洗衣机故障维修1例
吉德XQB55-2286型波轮洗衣机最初用大物或标准程序洗涤时,洗衣机会发出较大的“叽叽”声,但轻柔或脱水时又不会产生这种声音。过一段时间后用轻柔洗涤时也会发出这种异声,后来越来越响,最后出现洗涤时旋转无力。  ...
2019-2-25 20:37
如何更换洗衣机减速离合器
如果判断减速离合器坏了,就要更换新的减速离合器。首先需要将坏的减速离合器拆下,其方法如下:(1)用螺丝刀旋下控制座的紧固螺钉,拆移控制座,此时应注意不要硬拉与水位开关相连的处于洗衣机后面的气压管;(2)用螺 ...
2019-2-25 20:35
接修朋友搞不定的美的电压力锅能正常操作和显示,就是不会不加热
美的电压力锅不加热维修笔记,接修朋友搞不定的美的电压力锅,故障表现为能正常操作和显示,就是不会不加热,在他手里维修时更换了易损的降压电容和继电器后故障依旧,遂拿来让我帮忙维修,我检查到5V正常,而12V这 ...
2019-2-25 18:42
河南羊肉汤培训学费多少_76人老烩面
河南羊肉汤培训学费多少_76人老烩面
郑州胡辣汤培训学费多少? 郑州七六人餐饮服务有限公司以“成就更多人”为企业发展的核心价值观。我们愿意将成熟的模式、核心的技术、完善的系统与更多有志之士分享,让我们的中式快餐可以走向全国,走向世界。
2019-2-25 11:16
富达驼王腾龙机械锯片定制_安阳富达金刚石
富达驼王腾龙机械锯片定制_安阳富达金刚石
富达驼王1200型圆弧线条机。安阳富达金刚石工具有限责任公司建立研发中心,生产和研制高端金刚石工具。推出激光焊接系列产品,该激光焊接产品具有安全、高效、长寿命的特点,可以提高劳动者效率,节省时间节约成本为 ...
2019-2-25 11:14
郑州美术正规画室哪家比较好_郑州同盟文化传播
郑州美术正规画室哪家比较好_郑州同盟文化传播
郑州美术中考画室怎么收费? 郑州同盟文化传播有限公司经过近十二年的魔力和积累,总结出一套行之有效的集学生管理和专业教育于一体的成熟培训模式,针对每位学员安排专属的个人独立学习方案,精品式小班系统授课,文 ...
2019-2-25 11:11
讲解变频器维修六个常见故障经典案例
讲解变频器维修六个常见故障经典案例
前言:变频器维修者必须牢记,逆变模块与驱动电路在故障上有极强的关联性。当逆变模块炸裂损坏后,驱动电路势必受到冲击而损坏,逆变模块的损坏也可能正是因驱动电路的故障而造成,因而无论表现为驱动电路或是逆变输 ...
2019-2-9 10:08
拆解明纬150W LED驱动电源
拆解明纬150W LED驱动电源
今天打算牺牲350元人民币,开始准备为大家拆解一款T W明纬的150W LED驱动电源,主要目的是让大家一起探讨一下大功率LED驱动电源以及LLC电源的原理与设计。该电源技术参数如下:输入:AC100-260V,47~63Hz,PF>0.95@2 ...
2019-2-3 05:06
奥普浴霸故障维修1例 型号为QDP1020型2100W奥普浴霸的暖风及换气功能失效
奥普浴霸故障维修1例 型号为QDP1020型2100W奥普浴霸的暖风及换气功能失效
故障现象:一台型号为QDP1020型2100W奥普浴霸的暖风及换气功能失效。分析与检修:打开控制面板,察看5个开关表面没有烧蚀等异常现象,测量主电源开关阻值,发现阻值不稳定,怀疑触头烧蚀后引起接触不良。由于室内有 ...
2019-2-1 16:07
雅马哈RX-V320功放交流开机与保护电路剖析与维修经验
雅马哈RX-V320功放交流开机与保护电路剖析与维修经验
雅马哈RX-V320功放交流开机与保护电路剖析实测出雅马哈RX-V320功放的交流开机与保护电路如下图所示。    工作原理分析如下:RX-V320有一块交流开机控制电路板,开机信号来自CPU板。外接220V电压直接进八小变压器 ...
2019-1-29 12:30
巧增电路修复新大陆NL91-02双模接收机
巧增电路修复新大陆NL91-02双模接收机
接修一台新大陆NL91-02地面、中九双模接收机,故障现象是通电开机无任何反应,初步怀疑电源板有问题。拆机通电检查发现电源板+4V、+5V和+22V三组输出电压均稳定,进一步检查发现主板上以U17(AS11DA)+L406为核心的D ...
2019-1-26 19:35
3M KJ458F系列空气净化器电源电路分析与检修
3M KJ458F系列空气净化器电源电路分析与检修
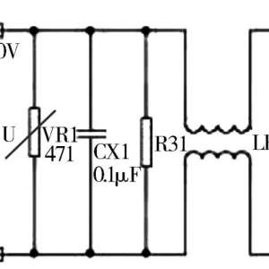
一、电路分析3M KJ458F系列空气净化器的电源电路由市电输入电路、主电源和15V电源、5V电源构成。1.市电输入电路市电输入电路由过流保护、过压保护和线路滤波器等构成,如图1所示。图1220V市电电压经熔丝管F1送到CX1 ...
2019-1-26 19:33
电源内部都有哪些元器件?看图“一目了然”
电源内部都有哪些元器件?看图“一目了然”
电源不像处理器,可以看规格知性能;电源也不像显卡,由一颗关键的GPU来决定档次。一款好的电源除了满足功率需求以外,还必须考量稳定、节能、静音、安全等多方面的因素。在没有专业设备进行检测的情况下,我们只有了 ...
2019-1-26 10:22
普通双缸洗衣机洗涤定时器代换方法案例分享。
普通双缸洗衣机洗涤定时器代换方法案例分享。
洗衣机原定时器坏了,带有四组转换触点,洗涤有强、弱两档。新的定时器与原定时器相比,一是主触点仅两根引线,只负责电源的接通和关断,没有快停机时的蜂鸣器接线;二是转换触点比原来少了一组,仅有三组转换触点, ...
2019-1-18 16:30
电容的作用。讲得很透彻!
电容的作用。讲得很透彻!
电容是电路设计中最为普通常用的器件,是无源元件之一,有源器件简单地说就是需能(电)源的器件叫有源器件, 无需能(电)源的器件就是无源器件。电容也常常在高速电路中扮演重要角色。电容的作用和用途,一般都有好多种 ...
2019-1-18 16:26

QQ|门户地图|网站地图|家电维修|手机版|家电维修技术论坛 ( 蜀ICP备14030498号-16 川公网安备51102502000162号 )

GMT+8, 2026-5-14 02:23

Powered by Discuz! X3.4

© 2001-2023 Discuz! Team.

返回顶部