家电维修网

 找回密码
 注册
家电维修网 网站首页 电子技术
订阅

电子技术

正扬科技冲刺深主板IPO!尿素传感器国内市占第一,募资15亿发力新能源产品等
正扬科技冲刺深主板IPO!尿素传感器国内市占第一,募资15亿发力新能源产品等
电子发烧友网报道(文/刘静)近日,广东正扬传感科技股份有限公司(以下简称:正扬科技)深主板IPO进入问询环节,拟募集15亿元。正扬科技成立于2004年,专注于SCR ...
2023-8-4 20:07
超能健康服务机器人:能唠嗑还能体检预防疾病的机器人,赶紧了解一下
2023-8-4 20:07
维视智造人工智能产学研用交流会现场精彩回顾
维视智造人工智能产学研用交流会现场精彩回顾
2023年7月28日,维视智造人工智能产学研用交流会在维视智造西安公司成功举办,众多院校专家教授、企业代表齐聚一堂,共同交流探讨行业趋势,共享人才培养经验。从2 ...
2023-8-4 20:07
怎么去设计一种基于RT-Thread+RA6M4的光照监控设备呢?
怎么去设计一种基于RT-Thread+RA6M4的光照监控设备呢?
1.应用背景光照监控设备可应用于农业或者个人,通过监控环境光照,可以及时对农作物及动植物等进行调整,可以给它们一个更好更合适的生存环境。2.实现功能LED显示 ...
2023-8-4 20:07
功率放大器的种类有哪三种类型
功率放大器的种类有哪三种类型
功率放大器是一种能将输入信号转换为更高功率输出的电子设备。在电子工程和音频领域中,功率放大器通常被分为三种类型:A类、B类和AB类。下面安泰电子将详细介绍 ...
2023-8-4 20:07
先进的MPS同步整流器原理与方案设计
先进的MPS同步整流器原理与方案设计
先进的 MPS 同步整流器原理与方案设计 近年来,为了进一步改善全球节能,全球监管机构提出了新的效率标准。随着美国能源部(DOE)出台的一系列新要求,制造商必须 ...
2023-8-4 20:07
按键KEY接口静电浪涌保护方案图及ESD二极管选型原则分享
按键KEY接口静电浪涌保护方案图及ESD二极管选型原则分享
静电在我们日常生活中,可谓是无处不在,我们身上和周围环境就带有很高的静电电压。都知道,ESD静电放电会对电子设备带来威胁甚至损坏。为此,电子设备中按键部位 ...
2023-8-4 20:07
新款无线门铃和传统门铃的区别
随着科技的发展,无线门铃逐渐成为人们生活中不可或缺的伙伴。与传统门铃相比,新款无线门铃具有更多的优点。本文将对比新款无线门铃和传统门铃的优缺点,为您选购 ...
2023-8-4 20:07
紫光展锐人工智能实验室自研AI软件栈,正式亮相坦克邦智算天地
紫光展锐人工智能实验室自研AI软件栈,正式亮相坦克邦智算天地
紫光展锐自研的人工智能软件栈正式亮相展锐生态线上支持平台坦克邦智算天地。文末左下角,点击阅读原文进入“坦克邦智算天地”依托自研AI软件栈,智算天地包含了两 ...
2023-8-4 20:07
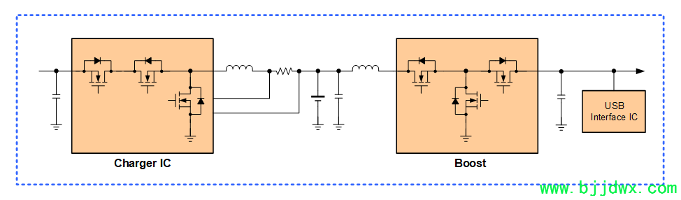
集成电源路径管理功能的电池充电方案
集成电源路径管理功能的电池充电方案
集成电源路径管理功能的电池充电方案 随着电池< href="https://www.hqchip.com/app/1720" target="_blank">供电设备的设计变得越来越紧凑,功耗功能越来越多,留 ...
2023-8-4 20:07
步进电机基础知识:类型、用途和工作原理
步进电机基础知识:类型、用途和工作原理
步进电机基础知识:类型、用途和工作原理 本文将为您介绍步进电机的基础知识,包括其工作原理、构造、控制法、用途、类型及其优缺点。 步进电机基础知识 步进电机 ...
2023-8-4 20:07
中国军工测试连接器国产化,突破“卡脖子”难题
中国军工测试连接器国产化,突破“卡脖子”难题
原来国内很多军工产品依赖进口,需从美国等发达国家采购,一直处于被国外垄断的状态,这就导致价格居高不下,同时面临采购难、交期长、成本高等一系列问题,甚至 ...
2023-8-3 09:44
物联网通信与应用
物联网通信与应用
计讯物联,掌握物联网通信核心技术的自主品牌,致力于物联网无线通讯应用领域,专注于物联网行业应用,以服务客户为核心价值观,以协助客户实现“通讯稳定、质量可 ...
2023-8-3 09:44
电源充电器DOE认证美国能效报告怎么做
什么DOE认证是? 美国能源部(Department of Energy)简称DOE,DOE依据美国能效相关法规颁布了DOE认证,这便是DOE认证的来源。 DOE颁布DOE认证其主要的目的是节能 ...
2023-8-3 09:44
智慧水务多个设备如何实现跨网段访问和网段隔离
智慧水务多个设备如何实现跨网段访问和网段隔离
在水务系统中,现场通常部署多种工业设备,如PLC、水泵、污水处理设备等,可能处于不同网段内,彼此之间不能通信交互,影响到数据集成和网络管理,是困扰企业数字 ...
2023-8-3 09:44

QQ|门户地图|网站地图|家电维修|手机版|家电维修技术论坛 ( 蜀ICP备14030498号-16 川公网安备51102502000162号 )

GMT+8, 2026-5-3 20:33

Powered by Discuz! X3.4

© 2001-2023 Discuz! Team.

返回顶部