家电维修网

 找回密码
 注册
家电维修网 网站首页 电工学习
订阅

电工学习

揭秘?节电神器真有这么神奇吗?
揭秘?节电神器真有这么神奇吗?
现在在部分地区节电器是“电器圈”的巅(可)峰(怕)存在而网络上流传各式各样的节电器标注着“安全高效”“N代智能节电”“省电神器”等宣传标语但是,你以为看似销量颇高、神奇省电功能的节电器真的能节电吗?小 ...
2019-2-12 14:14
蚊子咬一口减肥?量子鞋垫抗癌?暗物质洗发水使人暗中长头发!哈哈哈高科技谣言了解一 ...
蚊子咬一口减肥?量子鞋垫抗癌?暗物质洗发水使人暗中长头发!哈哈哈高科技谣言了解一 ...
量子鞋垫保健抗癌?吸脂蚊子不吸血是减肥神器?节电器月省30%?……你是否听说过这些神奇的高科技产品呢?辟谣君发现,在一些电商平台上这类产品持续热销,月销量能达到几千。那么,这些高科技产品真的有那么神奇的 ...
2019-2-12 14:12
最新节电骗局!已有多人上当
最新节电骗局!已有多人上当
最新节电骗局!10月25日,家住酒泉市近郊的陶效伍老先生拿着他在路边淘到的“宝贝”来到甘肃酒泉供电公司营销部,诉说他10天前被骗的经过,听来让人觉得可笑又可气。10天前,陶老先生在南公园附近散步,看见几个人围 ...
2019-2-12 14:09
节电器、LED美容仪、玫瑰盐……这些都是伪科学产品!别再买了
节电器、LED美容仪、玫瑰盐……这些都是伪科学产品!别再买了
能够省电20%的节电器、改善皮肤的美容仪、能抗癌的保健品、治脱发的洗发水……你一定在见过淘宝、朋友圈里此类神奇的产品吧?我们就来扒一扒这些让人“心动不已”的产品到底是何来头。1、节电器传言这种节电器构造简 ...
2019-2-12 10:35
电气技术 新无功补偿节电原理大讨论(1)
电气技术 新无功补偿节电原理大讨论(1)
说明:新无功补偿原理图: 一、公认无功补偿原理图: 1、是利用线路中的功率因数变化表示的。反映在无功补偿时线路中的电流减小,提高线路中的有功功率因数,减少线路中的有功损耗,稳定电压,提高设备的利用率。 ...
2019-2-12 10:32
电动机三相电流不平衡的原因及处理方法
电动机三相电流不平衡的原因及处理方法一、三相电流不平衡,会使电动机的损耗增大,发热加重,应该加以避免。二、三相电流不平衡,首先应检查三相电源电压是否平衡。三相电流不平衡度为电压不平衡度的4--7倍。如电压 ...
2019-2-11 09:45
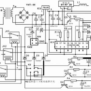
电动卷帘门控制器(YNT-09)故障检修2例
电动卷帘门控制器(YNT-09)故障检修2例
例1.头一天还在正常使用,第2天就突然上下都失灵,按手动和遥控都不起作用分析与检修:通过故障现象分析,怀疑电源电路异常。为了便于维修,根据实物绘制了电路图,如图附图所示。断电后,拔掉插口CZ1的外部接线, ...
2019-2-3 17:56
电机的铭牌掉了,如何通过测量电阻来计算电机的功率
电机的铭牌掉了,如何通过测量电阻来计算电机的功率
电机铭牌掉了,通过测量电阻是无法计算出来电机功率的,如果是一些常见的标准电机,到时可以测量一下中心高,安装孔距,确定机座规格,轴的直径大小,然后查一下手册,也许能找到大概的功率范围,这个也需要一定的现 ...
2019-2-3 04:54
巧学LED节能灯驱动电路图
巧学LED节能灯驱动电路图
根据驱动电路的输出特性,白光LED闪光灯的驱动电路可分为恒压型和恒流型;按电路工作原理,可以分为电感升压电路和电荷泵电路。白光LED是电流驱动型器件,其亮度与电流成比例关系。在恒压型驱动电路中,往往有一个电 ...
2019-1-29 13:05
高亮LED电路图大全
高亮LED电路图大全
 LED节能灯的驱动电源电路图  LED电源电路大多是由开关电源电路+反馈电路这样的形式构成,反馈电路从负载处取样后对开关电路进行脉冲的占空比调整或频率调整,以达到控制开关电路输出的目的。  LED手电筒驱动电 ...
2019-1-29 12:59
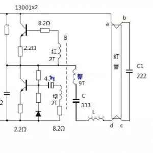
史上最全LED节能灯制作
史上最全LED节能灯制作
LED节能灯采用典型的交流电容降压恒流电路供电,这里的几款24颗LED节能灯套件,虽然功率因数低点只有3.3左右,但是非常适合电子爱好者或者学校开展劳技、兴趣小组、电子技能训练等活动,不但能锻炼并提高动手能力,而 ...
2019-1-29 12:51
38粒高亮度LED节能灯设计电路
38粒高亮度LED节能灯设计电路
资源节约一直是我们生活所提倡的,而节约又是靠我们日常生活的细小环节着手的。当然照明用电也是其中一方面,谁家每个月不用上百八十的电费啊!今天我们就来为大家带来了节电的好方法,好习惯,使用LED节能灯,LED节 ...
2019-1-29 12:40
led节能灯电路图
led节能灯电路图
本文介绍的LED节能灯电路图利用220V电源供电,220V交换电经C1降压电容降压后,经全桥整流,再议决C2滤波后,经限流电阻R3给串联的80颗LED提供恒流电源(节能灯电路图原理) 图 1 led节能灯电路图 图1是一款贴片LED照 ...
2019-1-29 12:38
触摸开关接节能灯或 LED 灯为什么会闪烁
触摸开关接节能灯或 LED 灯为什么会闪烁
单火线开关(也称“单线制电子开关”)由于只有单根火线进出,不需要零线,可以直接替代现在的墙壁开关从而实现电控和遥控,非常方便,有着广阔的应用前景,吸引了不少厂家和电子技术人员来研究与开发。市场上的一些普 ...
2019-1-29 12:37
【设计】废节能灯自制12vled灯电路图
【设计】废节能灯自制12vled灯电路图
节能灯损坏后,因为难以在市场上找到配件,并且价格不高,一般都是丢弃处理。其实节能灯是由灯管和电子镇流器组成,而大部分废节能灯只是灯管的灯丝烧断, 电子镇流器是好的,只要稍作改动,就可以改制成电子变压器 ...
2019-1-29 12:34
电工学习热门文章

QQ|门户地图|网站地图|家电维修|手机版|家电维修技术论坛 ( 蜀ICP备14030498号-16 川公网安备51102502000162号 )

GMT+8, 2026-5-15 03:02

Powered by Discuz! X3.4

© 2001-2023 Discuz! Team.

返回顶部