家电维修网

 找回密码
 注册
家电维修网 网站首页 电工学习
订阅

电工学习

Win10如何关闭NEON毛玻璃透明效果
Win10如何关闭NEON毛玻璃透明效果
从Win10 16188预览版开始,微软开始在一些应用中展现了类似于Win7 Aero毛玻璃透明特效的Project NEON透明效果。例如打开《计算器》、《Groove音乐》、《人脉》、《电影和电视》等应用,你就可以看到这种半透明的毛玻 ...
2019-4-6 18:18
门禁系统如何防尾随
门禁系统如何防尾随
有朋友多次留言给弱电君,提到门禁系统,其中提的比较多的就是如何防尾随?如何才能有效的实现防尾随?这是楼宇对讲中每个物业都会问的问题。防尾随一直是门禁系统很难解决的问题。建议如下几种方式: 改变门:加装 ...
2019-4-6 18:16
最全面的法兰知识讲解!有图有真相
最全面的法兰知识讲解!有图有真相
又叫法兰盘或突缘。使管子与管子相互连接的零件。连接于管端。法兰上有孔眼,可穿螺栓,使两法兰紧连。法兰间用衬垫密封。法兰容器零部件间的连接有不可拆(焊接)、可拆两种。由于生产工艺要求,以及为了制造、运输 ...
2019-4-6 18:13
电脑的32位系统跟64位系统,会影响电脑屏幕的清晰度吗?
电脑的32位系统跟64位系统,会影响电脑屏幕的清晰度吗?
通俗的来讲吧,无论你安装的是32位的WIN7系统,或者是64位的win7系统,桌面的显示效果,与系统是没有直接关系的,真正的影响桌面画质的因素,第一,适合你的显示器有直接的关系,还有显示器最大支持的分辨率包括显示 ...
2019-4-3 12:27
学好变频器,先从主电路与控制线路的接线开始
学好变频器,先从主电路与控制线路的接线开始
【一线水电工】不一样的智慧分享,不一样的故事,数万人订阅的微信公众号。点击标题下方蓝字“一线水电工”免费关注,我们将为您提供有价值,有意思的延伸阅读,让您了解更多水电,装修经验!一、变频器主电路的接线 ...
2019-4-3 12:26
发电机故障排除方法
发电机故障排除方法
发电机主要故障现象为无电压、电压低或过高、空载或加载压降大、三相不平衡。故障排除的主要程序为:检査剩磁;分磁检查绕组、AVR、励磁绕组、整流器;检查AVR性能。例如,空载不建压,主要是无剩磁,三相电压不平衡主要是 ...
2019-4-3 09:07
电热水壶坏了,多半是这里出问题,一招教你修复,方法一看就会
电热水壶坏了,多半是这里出问题,一招教你修复,方法一看就会
在日常生活中,很多家庭都喜欢用电热水壶烧水喝,但是热水壶用久了之后坏了不知道该怎么办吗?电热水壶指示灯不亮了而且底盘不受热了该怎么办呢?遇到这种情况多半是电热水壶的底座出毛病了。那该怎么修复坏掉的电热 ...
2019-4-3 09:05
机械干了一辈子 螺栓上的8.8是什么意思
机械干了一辈子 螺栓上的8.8是什么意思
做了这么多年机械,你肯定还不知道螺丝上标号的含义吧?钢结构连接用螺栓性能等级分3.6、4.6、4.8、5.6、6.8、8.8、9.8、10.9、12.9等10余个等级,其中8.8级及以上螺栓材质为低碳合金钢或中碳钢并经热处理(淬火、回 ...
2019-4-3 07:36
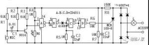
声光控延时灯电路原理分析
声光控延时灯电路原理分析
这时一个声光双控延时灯电路图。图一 声光控电路在白天时电灯L熄灭,无论外界有无声音,也无论声音有多大电灯处于熄灭状态;到了夜晚,当有声音发出时,电灯就会发亮,声音消失后,仍能继续发亮一段时间,之后熄灭。 ...
2019-4-1 10:37
电动机启动电容的原理与判断。
电动机启动电容的原理与判断。
一、启动电容的原理用来启动单相异步电动机的交流电解电容器或聚丙烯、聚酯电容器。单相电机流过的单相电流不能产生旋转磁场,需要采取电容用来分相,目的是使两个绕组中的电流产生近于90°的相位差,以产生旋转磁场 ...
2019-4-1 10:35
家装电路中强电的原理以及施工要点
家装电路中强电的原理以及施工要点
一、强电的基本知识强电,也就是我们所说的电线。灯线要求1.5平方及以上 ;普通插座要求2.5平方及以上;家用空调插座要求4平方及以上 ;中央空调要求6平方及以上。电线又分为单芯线和多芯线两种,也就是常说的硬线和 ...
2019-3-28 13:53
分享三菱PLC编程应用实例技巧,初学者入门速成的好帮手
分享三菱PLC编程应用实例技巧,初学者入门速成的好帮手
三菱PLC编程应用实例分享,初学者入门速成说到三菱PLC,可能很多以西门子PLC初学者朋友会感觉对自己没有帮助。其实,各类PLC控制器之间的编程指令是大同小异的,如果学会了一种,其它的就很容易入门。何况如果在企业 ...
2019-3-28 13:26
图解电压互感器的接线方法
图解电压互感器的接线方法
电压互感器接线图及方式电压互感器的接线方式很多,常见的有以下几种: 电压互感器(1) 用一台单相电压互感器来测量某一相对地电压或相间电压的接线方式  (2) 用两台单相互感器接成不完全星形,也称V—V接线, ...
2019-3-28 12:35
冲击钻和电锤的常见故障维修经验分享
北京家电维修网www.bjjdwx.com 为你介绍冲击钻和电锤的常见故障维修经验分享
2019-3-27 13:42
冲击钻和电锤哪个更适合装修维修,有什么区别哪个更好?
冲击钻和电锤哪个更适合装修维修,有什么区别哪个更好?
冲击钻和电锤哪个更适合装修维修,有什么区别哪个更好?冲击钻和电钻都是房屋建筑和家居装修中常用到的工具,但是对于外行人来说还是不知道什么时候该用冲击钻,什么时候该用电锤。今天,小编就给大家介绍下冲击钻和 ...
2019-3-27 13:39
电工学习热门文章

QQ|门户地图|网站地图|家电维修|手机版|家电维修技术论坛 ( 蜀ICP备14030498号-16 川公网安备51102502000162号 )

GMT+8, 2026-5-15 05:07

Powered by Discuz! X3.4

© 2001-2023 Discuz! Team.

返回顶部