家电维修网

 找回密码
 注册
家电维修网 网站首页 电工学习
订阅

电工学习

PLC的经典问答题,电工必备专业知识
S7-200PLC1、为什么要用PC/PPI接口?因S7-200CPU使用的是RS485,而PC机的COM口采用的是RS232,两者的电气规范并不相容,需要用中间电路进行匹配。PC/PPI其实就是一根RS485/RS232的匹配电缆。2、晶体管输出与继电器输 ...
2019-8-1 08:47
电工师傅必须认识的电气符号,帮你成为高级工程师
电工师傅必须认识的电气符号,帮你成为高级工程师
电工师傅必须认识的电气符号,帮你成为高级工程师建筑动力和照明工程图:表示建筑物内动力、照明设备与线路平面布置的电气工程图纸。含:动力与照明线路、设备的安装位置和接线。 222222222222222222222222222
2019-8-1 08:45
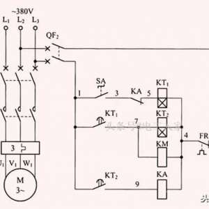
电动机间歇运行控制电路、顺序启动同时停止电路案例应用原理分析
电动机间歇运行控制电路、顺序启动同时停止电路案例应用原理分析
在日常工作中,可能需要电动机运行一定时间后停止一段时间,然后再次运行。如果每次启动停止都需要手动控制的话是非常麻烦的,所以今天来分享一个电路:一:电动机间歇运行控制电路电动机间歇运行控制电路通过电路图 ...
2019-7-31 10:01
TN—C系统、TN—S系统、TN—C—S系统、TT系统原理
TN—C系统、TN—S系统、TN—C—S系统、TT系统原理
1、TN-C系统:三相四线制PEN线规定距离内接地,在入户端就近接地,四线到达用电设备。节省了一根线!为了安全连接设备时要动些脑筋。对设备直接使用者有些迷茫!导线分为黄、绿、红、黄绿线。节省一根淡蓝线!2、TN- ...
2019-7-31 10:00
电气控制柜二次回路布线工艺,这个很实用呀!
电气控制柜二次回路布线工艺,这个很实用呀!
二次回路是任何电气设备必不可少的重要组成部分,二次回路的电气性能好坏直接影响到整台电气设备的性能和可靠性、安全性。同时,其二次元件的装配、标号,导线的选择、敷设以及排列组合等项目,构成二次回路布线工艺 ...
2019-7-31 10:00
很多人忽视的27个水电装修细节,住50年没问题!
很多人忽视的27个水电装修细节,住50年没问题!
新房水电装修是重中之重,也是大家最容易吃亏的地方,一般太深奥的水电知识我们不需要懂,但是最基本的也是最容易忽视的水电细节,你有必要了解一下,从业多年的老电工总结20个水电细节,希望大家能做好水电工程,同 ...
2019-7-28 20:37
基础的机械动态图,给维修工增加点知识..........
基础的机械动态图,给维修工增加点知识..........
分享一些基础的机械动图知识,作为机械基础辅助读者学习理解,大家可以一起来看看!1.测量仪表机构↓↓2.第一台地震仪↓↓3.电阻打弯机↓↓4.靠模车削机构↓↓5.可实现换向↓↓6.形成虚约束的行星轮系↓↓7.移动凸轮 ...
2019-7-27 11:30
PLC控制程序的设计原理电工必须知道的知识
PLC控制程序的设计原理电工必须知道的知识
80页PPT,帮你全面掌握PLC控制程序的设计
2019-7-27 11:29
专业维修师傅为什么能看一眼功率就知道电流?欢迎进来学习。。。
专业维修师傅为什么能看一眼功率就知道电流?欢迎进来学习。。。
在工作中,经常需要用到估算设备或者用电器的电流,在实际的电气接线,配线,维修过程中,很多的师傅往往看一眼设备或用电器的功率就能够知道对应的电流值,速度之快让人咋舌。让很多的电工新手们特别羡慕,可是当你 ...
2019-7-27 09:33
为什么电气线路中铝线比铜线更容易起火
为什么电气线路中铝线比铜线更容易起火
大家知道铝线起火的危险远大于铜线,铝线的起火不在铝线自身而在铝线的连接。与铜线相比,铝线连接起火危险大的原因有以下几点:1铝线表面易在空气中氧化凡导体表面存在膜电阻。若膜电阻引起连接处过热,过热又使膜 ...
2019-7-26 16:36
家庭装电明装的话用六平方的铝线可以吗
家装电路用明装的话主线用六平方的铝线可以的,按照电工口诀“十下五,百上二”来说,六平方毫米的电线可以通过30A的电流,虽然是估值不一定准确,但差别不大,完全可以承载大多家用电器的使用。现在家装中很少用到 ...
2019-7-26 16:36
绕线式电动机碳刷发生故障的原因是什么?怎样解决维修
绕线式电动机碳刷发生故障的原因是什么?怎样解决维修
绕线式电动机集电环(滑环)发生故障的原因和消除方法如下:(1)电刷硬度太高,磨损集电环表面,使该表面出现粗糙凹痕。应更換电刷,若凹痕太深,应检修或更换集电环。(2)电刷与集电环接触不均匀,导致集电环表面有细 ...
2019-7-26 15:17
时间继电器怎么看图接线?星三角接触器接线方法
时间继电器怎么看图接线?星三角接触器接线方法
时间继电器怎么看图接线?星三角接触器接线方法今天我们讲解一个小元件,那就是时间继电器,元件虽然很小但是能起到大作用,那就是小电流控制大电流,时间继电器一般都是跟接触器组合使用,时间继电器也是星三角接触 ...
2019-6-23 08:48
加装变频器的一台电动机工作的时候发出了类似变压器工作的时候的电磁声
加装变频器的一台电动机工作的时候发出了类似变压器工作的时候的电磁声
加装变频器的一台电动机工作的时候发出了类似变压器工作的时候的电磁声我们在生产维护过程中少不了和变频器打交道。下面就是一个因生产工艺的需要,添加了台变频器谁知道却出现问题的案例。一台处理污水的生物转盘由 ...
2019-6-23 08:44
墙壁插座耳朵断了不要慌,"接线盒撑杆来帮你忙!
墙壁插座耳朵断了不要慌,"接线盒撑杆来帮你忙!
墙壁插座耳朵断了不要慌,"接线盒撑杆来帮你忙!比插座坏了更闹心的是什么?接线盒耳朵坏了接线盒损坏,在装修时遭遇的几率是很大的。当然,有些倒霉孩子,也可能会遇到在使用时接线盒损坏的情况。但无论是什么时 ...
2019-6-23 08:26
电工学习热门文章

QQ|门户地图|网站地图|家电维修|手机版|家电维修技术论坛 ( 蜀ICP备14030498号-16 川公网安备51102502000162号 )

GMT+8, 2026-5-15 06:55

Powered by Discuz! X3.4

© 2001-2023 Discuz! Team.

返回顶部