家电维修网

 找回密码
 注册
家电维修网 网站首页 电工学习
订阅

电工学习

S7-300PLC模拟量模块接线图分享
S7-300PLC模拟量模块接线图分享
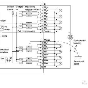
今天跟大家分享下S7-300模拟量模块的接线图,希望这些接线图对大家有所帮助。1、8 点输入,9-12-14 位分辨率 331-7KF02-0AB02、8点输入,用于热电偶 331-7PF11-0AB03、8点输入,增强型16位分辨率,4通道模式 331-7NF ...
2019-9-10 13:23
液压27个基本回路动画演示
液压27个基本回路动画演示
   液压基本回路是由一些液压元件组成的,用来完成特定功能的控制油路。液压基本回路是液压系统的核心,无论多么复杂的液压系统都是由一些液压基本回路构成的,因此,掌握液压基本回路的功能是非常必要的。 从机 ...
2019-9-10 13:22
一位毕业半年的电气学徒自白
一位毕业半年的电气学徒自白
2018年6月从学校毕业,进了一家传统制造业公司,同来的是一大批应届毕业生,长达2个月的培训以及车间轮岗实习,终于在9月1号开始了正式的工作。 虽说大学专业是机械电子工程,但基本上学过的东西都忘得差不多了。公 ...
2019-9-10 13:20
电气火灾隐患整治无力,维护人员竟“获刑”! 这样的“最严追责”给我们何种启示?
电气火灾隐患整治无力,维护人员竟“获刑”! 这样的“最严追责”给我们何种启示?
这起视频监控系统电气火灾0伤亡 却有17名责任者被移送司法机关追究刑事责任 几乎是相关责任人“全军覆没”, 责任追究之严厉让人震惊 究竟发生了什么? 类似的“最严追责”给我们何种启示?、 近日,一起“电气火灾 ...
2019-9-10 13:19
「什么是DCS?」全面讲述PLC与DCS的十大区别
「什么是DCS?」全面讲述PLC与DCS的十大区别
说到控制系统很多人貌似说得头头是道,继续深究下去,什么是控制器,什么是PLC,什么是DCS,什么是FCS?三两句话介绍完基本概念后,顿时语塞,怎么聊都感觉说不到点上。今天就来说说什么是DCS?我们首先可以明确的是 ...
2019-9-10 13:19
加一只继电器来实现对三相电机的缺相保护
加一只继电器来实现对三相电机的缺相保护
在维修的电动机中,发现有不少的三相电动机都是其中的一相或两相线圈绕组烧毁, 为什么会这样呢?这都是因为三相电动机在工作的过程中三相交流电突然缺相,现场电工或工作人员未能及时发现,三相电动机在缺相的三角 ...
2019-9-10 13:18
PLC使用脉冲方式控制伺服电机
PLC使用脉冲方式控制伺服电机
在自动化项目开发的过程中,进行一些高精度的定位控制。选用伺服电机作为执行器件可快速实现高精度控制系统的构建。伺服电机作为常用的控制电机,其控制方式已变得多样。如使用脉冲控制,模拟量控制,总线控制等。在 ...
2019-9-10 13:17
单相电机双电容正反转教你如何接线—电工技术知识干货学习分享
单相电机双电容正反转教你如何接线—电工技术知识干货学习分享
怎么区分启动电容和运行电容?正反转控制怎么接线?双电容单相电机一般500W以下用单电容,750W以上用双电容。常见的2种:正交L型接线单相双电容电机和单相Y型接线双电容电机,内部绕组虽然不同,但是接线的原理是类 ...
2019-9-10 13:16
工地施工用电如何做,知道这些知识的才算是老电工,看看你是吗?
工地施工用电如何做,知道这些知识的才算是老电工,看看你是吗?
电气图的基本构成:电气图图纸幅面的一般规定:0、1、2、3、4号图纸。图形用线规定:粗实线、中实线、 细实线、波浪线、双折线、虚线、细点划线、粗点划线、双点划线。电气符号:项目代号的应用:项目代号:高层代号 ...
2019-9-9 13:02
如何选择电气设备?
如何选择电气设备?
如何选择电气设备? 0
2019-9-9 13:00
电工实操技能:有趣的隐患排查
电工实操技能:有趣的隐患排查
1.答案:A违章事实:电工倒闸操作未正确佩戴绝缘手套依据:《安规》(《电业安全工作规程:发电厂和变电站电气部分》 GB 26860-2011)4.2.1作业现场的生产条件、安全设施、作业机具和安全工器具等应符合国家或行业标 ...
2019-9-9 12:59
电工工作必备的十大口诀
1、学习电工知识要诀电工知识真奇妙,微观领域去探讨、物微陌生不知晓,宏观宇宙相比较。日月星辰各有道,遵循规律不乱套,电的起源把根找,深钻细想就知道。 2 ...
2019-9-9 12:59
在配电系统中,如何选各级断路器?案例分析!
在配电系统中,如何选各级断路器?案例分析!
附表:配电系统设备参数解析1选择电动机保护断路器Q3因IN=182.4A,故可选额定电流为200A的断路器。由于Ik3=19.12kA,应选额定通断能力为20kA的断路器。电网电压为380V,故断路器的额定电压为380V。因此可选短路分断 ...
2019-9-8 12:47
电度表怎么接线?这10张图,让你看懂电度表的接法,简单易懂!
电度表怎么接线?这10张图,让你看懂电度表的接法,简单易懂!
几种常用电表接线,初学电工看了应该都会接。有了这篇文章基本所有简单的电表接线都能搞定了,希望看完多多转发,多多收藏,让更多的人也能学习到一些专业知识,谢谢。自己动手时一定要确保安全的情况下进行,建议旁 ...
2019-9-8 12:46
变频器学习,变频器主电路与控制回路学习
变频器学习,变频器主电路与控制回路学习
R, S, T端子接电源线3、将电机线按照黄、绿、红按照顺序接到U, V, W端子处。U, V, W端子接电机线4、接线完成后,要注意检查电源线、电机线是否接错,端子压接是带牢靠,电源线、电机线有无老化、破损、漏接的情况, ...
2019-9-8 12:46
电工学习热门文章

QQ|门户地图|网站地图|家电维修|手机版|家电维修技术论坛 ( 蜀ICP备14030498号-16 川公网安备51102502000162号 )

GMT+8, 2026-5-15 19:35

Powered by Discuz! X3.4

© 2001-2023 Discuz! Team.

返回顶部