家电维修网

 找回密码
 注册
家电维修网 网站首页 电磁炉维修
订阅

电磁炉维修

电磁炉主板电路维修教程。
电磁炉主板电路维修教程。
2018-10-21 10:34
热水壶维修事件
热水壶维修事件
上图:此种热水壶相信大家都有用过,而小编国庆期间回家刚好修了一台。问题点:开关按下之后自动弹开,无法烧水。插文:(小编在深圳这边的热水器也是此类故障,可惜丢了)(迫于老妈的压力,感觉是时候给我老妈展示 ...
2018-10-18 19:07
电磁炉加热原理及各单元电路介绍。
电磁炉加热原理及各单元电路介绍。
一、电磁加热原理电磁灶是一种利用电磁感应原理将电能转换为热能的厨房电器。在电磁灶内部,由整流电路将50/60Hz的交流电压变成直流电压,再经过控制电路将直流电压转换成频率为20-40KHz的高频电压,高速变化的电流 ...
2018-10-8 08:02
电磁炉常见故障及使用小常识。
一、电磁炉常见故障检查及排除办法:故障现象:在插插头时未听到B1一声,电源指示灯也不亮.故障原因:1、电源线、插牌插头是否牢固或接触不良脱落?2、保险丝或断路器是否已跳开?3、是否已停电?故障现象:连续发出 ...
2018-10-8 07:57
微波炉标准操作规程及维修检测
微波炉标准操作规程及维修检测
1、检查准备1.1检查微波炉的额定电压是否与电源电压相符,接地是否可靠,无误后方可使用。1.2微波炉要放于稳定的台架上,防止跌落;两旁与墙壁要至少间距10cm,以利通风;炉顶不可放置任何物品;如果放于柜中,则炉 ...
2018-10-6 16:38
微波炉磁控管检测,维修,代换。
微波炉磁控管检测,维修,代换。
一、微波炉磁控管的判别二、微波炉磁控管的检测磁控管是微波炉的关键器件,主要由管芯和磁铁两部分构成,如图1。管芯由阴极、灯丝、阳极、天线(波导管)等构成。其工作原理是:使阴极(分直热式和间热式两种,图2中为 ...
2018-10-6 16:36
九阳电饭煲检修视频
九阳电饭煲检修视频。
2018-9-18 10:58
小小的发光二极管就能让电磁炉不开机
小小的发光二极管就能让电磁炉不开机
今天没有什么事就拿了一台以前一个用户不要的电磁炉拿来研究,这个电磁炉拿跟售后维修过了,是美的电磁炉。故障是通电指示灯亮按键按没有反映,应该是按键板子了问题先把按键换完在按还是不行,在看板子有被腐蚀地方 ...
2018-9-15 19:23
电磁炉维修,你必须要掌握!
电磁炉维修,你必须要掌握!
一、电磁炉原理  电磁炉的炉面是耐热陶瓷板,交变电流通过陶瓷板下方的线圈产生磁场,磁场内的磁力线穿过铁锅、不锈钢锅等底部时,产生涡流,令锅底迅速发热,达到加热食品的目的。灶台台面是一块高强度、耐冲击的 ...
2018-9-15 19:01
美菱BCD-517WPB型冰箱变频板故障代码含义
美菱BCD-517WPB型冰箱变频板故障代码含义
美菱BCD-517WPB型冰箱变频板故障代码含义如果该冰箱不启动,变频板上LED会闪烁提示故障原因,如表1所示。若压缩机启动失败,会间隔10s(或30s)重新尝试启动,连续启动失败8次后,会等待5分钟后重新尝试启动。在压缩机 ...
2018-9-9 15:32
王牌SHC1827型养生壶不加热故障检修
王牌SHC1827型养生壶不加热故障检修
王牌SHC1827型养生壶不加热故障检修一台王牌SHC1827型养生壶按键操作正常,但就是不加热。拆机检查,发现该机通过6脚光辑控制与加热丝串联的双向可控硅的状态,如图1所示。首先检查双向可控硅,其3个引脚间的电阻均 ...
2018-9-9 15:22
HC-20Gl型电滋护触摸按键失灵故障检修
HC-20Gl型电滋护触摸按键失灵故障检修一台HC-20G1型电磁炉,触摸按键失灵。上电测量18V,5V、300V电压均正常,开关电源4.7μF/400V电解电容两端电压为300V,也正常。检查触摸按键板未发现异常,是不是滤波不良导致触 ...
2018-9-9 14:50
苏治尔电滋护屠烧IGBT管故障检修
苏治尔电滋护屠烧IGBT管故障检修一台苏泊尔电磁炉,上电后无任何反应。拆开后盖测量,发现保险管严重烧毁,IGBT管短路,其他元件未见异常,更换保险管及IGBT管后,可正常工作,但几天后故障重发。重点检查并联在加热 ...
2018-9-9 14:49
苏泊尔CYSB50F818-100型球釜电压力锅屏显"E2"故障检修
苏泊尔CYSB50F818-100型球釜电压力锅屏显"E2"故障检修
苏泊尔CYSB50F818-100型球釜电压力锅屏显"E2"故障检修一台苏泊尔CYSB50F818一100型球釜电压力锅,屏显"E2"并报警,不能使用。上电试机,不装内锅,则屏显"E1"并报警。由此看来,本机的系统控制电路正常 ...
2018-9-9 14:37
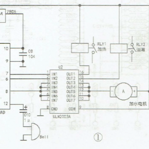
申花TM-826型自动加水电热壶不上水故障的改动修理
申花TM-826型自动加水电热壶不上水故障的改动修理
申花TM-826型自动加水电热壶不上水故障的改动修理一台申花TM-826型自动加水电热壶,可以正常加热,不能加水,触摸"上水"键无响应蜂鸣声。因该机加热功能正常,说明电源、控制电路基本正常,故障部位在触摸电路部 ...
2018-9-9 14:02

QQ|门户地图|网站地图|家电维修|手机版|家电维修技术论坛 ( 蜀ICP备14030498号-16 川公网安备51102502000162号 )

GMT+8, 2026-3-19 18:19

Powered by Discuz! X3.4

© 2001-2023 Discuz! Team.

返回顶部