家电维修网

 找回密码
 注册
家电维修网 网站首页 电子技术 查看内容

什么是半桥开关电源电路?其结构怎样?工作原理如何?

2026-3-19 11:56| 发布者: 好人| 查看: 44| 评论: 0

摘要: 一、什么是半桥开关电源?半桥开关电源是一种非常常见的中、大功率开关电源拓扑结构。它的核心特征是由两个串联的功率开关管Q1、Q2(通常是MOSFET) 和一个中点 构成,其形状类似于一个“桥”,但由于只用了桥臂的一 ...

一、什么是半桥开关电源?

半桥开关电源是一种非常常见的中、大功率开关电源拓扑结构。


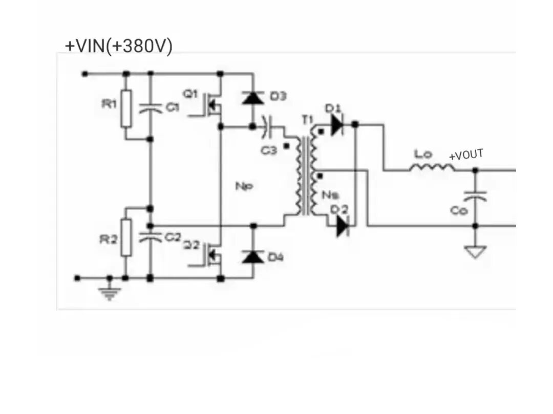
它的核心特征是由两个串联的功率开关管Q1、Q2(通常是MOSFET) 和一个中点 构成,其形状类似于一个“桥”,但由于只用了桥臂的一半(两个开关管)来进行开关控制,所以被称为“半桥”。


如图示

主要特点:


①适用功率范围:


通常用于几百瓦到一千多瓦的场合。


②结构较复杂:


介于正激(简单,功率小)和全桥(复杂,功率大)之间,是一种性价比较高的方案。


③抗不平衡能力:


具有天生的抗变压器磁偏磁能力,这是它相对于单端拓扑(如正激式)的一个巨大优势。


④主要构成元件:


两个开关管Q1、Q2,两个分压电容C1、C2、一个正激高频变压器T1、整流二极管D1、D2,储能电感Lo滤波电容Co等构成。


注意:电路中还串入了C3,起什么作用呢?


二、半桥开关电源的工作原理


为了更好地理解,我们将其工作过程分解为几个关键部分。


①电路的起始状态与分压


直流输入电压(如PFC级输出的+380V直流)加在由开关管Q1、Q2和电容C1、C2串联构成的桥臂上。


电容C1和C2的容量相等,它们通过电阻R1、R2或其他方式被预充至大约一半的输入电压,即 `Vc1 = Vc2 ≈ Vin/2`。


这两个电容不仅用于滤波,更重要的是与开关管配合,在变压器初级产生交流电压。


二、下面,我们结合图示的电流路径,详细分析一个完整的工作周期:


①第一阶段


控制电路(电源管理芯片完成)驱动Q1导通,Q2截止。


此时C1放电,C2充电。


电流路径:C1放电→Q1→ C3→变压器T的初级绕组 → 电容C2→最终回到输入负端。


如图示

初级电压:此时,加在变压器初级绕组上的电压为 `C1上的电压,所以初级绕组NP上的电压 `VNP = VC1 ≈ Vin/2`(方向为上正下负)。


次级输出:变压器次级绕组NS感应出电压,根据同名端关系,此时二极管D1正向偏置而导通,D2反向截止。能量通过D1传递到负载。


②第二与第四阶段:死区时间1和2


在Q1关断后、Q2开启前,进入死区时间1,以及Q2关断后、Q1开启前,进入死区时间2。


目的:防止Q1和Q2同时导通,造成“直通”短路,烧毁开关管。这是半桥电路控制的关键。


电流路径:在此期间,变压器初级绕组的励磁电感会维持原先电流方向,该电流会通过开关管的体二极管或外部的并联RC缓冲电路进行续流,为下一次开关动作做准备。


③ 第三阶段


死区时间1后,控制电路驱动Q2导通,Q1截止。


此时C2开始放电,而C1开始充电。


电流路径:


电流从C2的正端(即中点)流出→经过 变压器T的初级绕组→ Q2→ 地(输入负端)。注意,这里实际上是C2在放电。


如图示


初级绕组电压:此时,加在变压器初级绕组NP上的电压是电容C2两端的电压,即 `VNp= -VC2 ≈ -Vin/2`(方向为下正上负)。与第一阶段相比,电压方向相反。


此时电源+VlN(+380V)给C1充电。


同时次级感应输出:变压器次级绕组NS感应出的电压方向也随之改变。此时二极管D2正向偏置而导通,D1反向截止。能量通过D2传递到负载。


④循环与输出


通过Q1和Q2交替导通(相位相差180度),在变压器初级产生了一个幅值约为 `±Vin/2` 的交流方波电压。这个交流电压被变压器耦合到次级,经过次级的高频整流器(通常为中心抽头全波整流或全桥整流)和LC滤波电路后,就得到了平稳的直流输出电压。


输出电压反馈:输出的直流电压通过反馈网络(如光耦)传送到控制芯片(如UC3825, SG3525等),控制芯片通过调节两个开关管的占空比来稳定输出电压。当负载变重时,增加占空比;负载变轻时,减小占空比。


三、半桥电路的优缺点总结


优点:


不需要退磁电路,自动抗磁偏


由于变压器初级施加的是对称的交变电压,磁芯在正负半周都能被利用,工作在B-H回线的第一和第三象限,避免了磁芯饱和的问题。


缺点:


①变压器初级电压利用率低:


施加在变压器初级的电压只有输入电压的一半(`Vin/2`)。要获得相同的输出功率,初级需要比全桥电路更大的电流。


②需要平衡电容:


电容C1和C2的分压需要保持平衡,但在现实中由于两个开关管Q1、Q2参数会多少有偏差,因此会造成C1、C2分压不平衡,所以电路串入平衡电容C3,通过C3的充放电作用,维持中点电压平衡,同时达到自动消除偏磁的目的。


每天分享电子知识,仅供参考,多谢支持!

最新评论

QQ|门户地图|网站地图|家电维修|手机版|家电维修技术论坛 ( 蜀ICP备14030498号-16 川公网安备51102502000162号 )

GMT+8, 2026-4-18 21:06

Powered by Discuz! X3.4

© 2001-2023 Discuz! Team.

返回顶部