TPA3121D2 pdf资料和应用
TPA3121D2 评估模块包含一个 20W D 类立体声音频功率放大器和安装在电路板上的少量外部组件,它可用于直接驱动扬声器,这是借助用作输入的外部模拟音频源实现的。24V 电源提供每通道 10W 立体声至 8Ω 负载
22V 电源提供每通道 15W 立体声至 4Ω 负载
22V 电源提供每通道 30W 单声道至 8Ω 负载
在 10V 至 26V 电压范围内工作
能够在 +24V LCD 背光电源下运行
高效的 D 类操作无需散热器
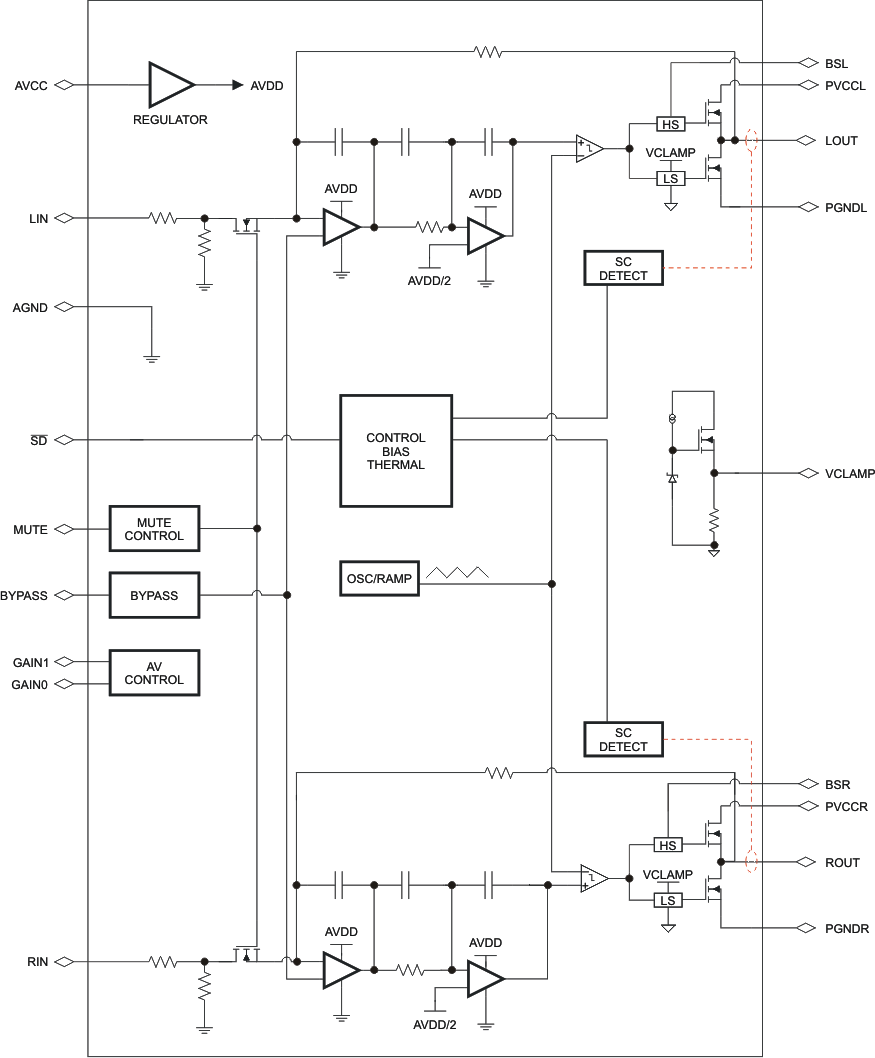
4 个可选固定增益设置
内部振荡器可设置 D 类频率(无需外部组件)
单端模拟输入
具有自动恢复功能的热和短路保护
节省空间的表面贴装型 24 引脚 TSSOP 封装
高级断电瞬时杂音抑制

本文出自家电维修网: http://www.bjjdwx.com/wz/2009/yj2032.html欢迎转载,转载请保留链接。
- 刊登此文只为传递信息,并不表示赞同或者反对作者观点。
- 如果此内容给您造成了负面影响或者损失,本站不承担任何责任。
- 如果内容涉及版权问题,请及时与我们取得联系。

文章评论