常用CMOS模拟开关4066/4051/4053功能和原理
一、常用CMOS模拟开关引脚功能和工作原理
1.四双向模拟开关CD4066
CD4066的引脚功能如图1所示。每个封装内部有4个独立的模拟开关,每个模拟开关有输入、输出、控制三个端子,其中输入端和输出端可互换。当控制端加高电平时,开关导通;当控制端加低电平时开关截止。模拟开关导通时,导通电阻为几十欧姆;模拟开关截止时,呈现很高的阻抗,可以看成为开路。模拟开关可传输数字信号和模拟信号,可传输的模拟信号的上限频率为40MHz。各开关间的串扰很小,典型值为-50dB。

2.单八路模拟开关CD4051
CD4051引脚功能见图2。CD4051相当于一个单刀八掷开关,开关接通哪一通道,由输入的3位地址码ABC来决定。其真值表见表1。“INH”是禁止端,当“INH”=1时,各通道均不接通。此外,CD4051还设有另外一个电源端VEE,以作为电平位移时使用,从而使得通常在单组电源供电条件下工作的CMOS电路所提供的数字信号能直接控制这种多路开关,并使这种多路开关可传输峰-峰值达15V的交流信号。例如,若模拟开关的供电电源VDD=+5V,VSS=0V,当VEE=-5V时,只要对此模拟开关施加0~5V的数字控制信号,就可控制幅度范围为-5V~+5V的模拟信号。

表1
| 输入状态 | 接通通道 | |||
| INH | C | B | A | |
| 0 | 0 | 0 | 0 | “0” |
| 0 | 0 | 0 | 1 | “1” |
| 0 | 0 | 1 | 0 | “2” |
| 0 | 0 | 1 | 1 | “3” |
| 0 | 1 | 0 | 0 | “4” |
| 0 | 1 | 0 | 1 | “5” |
| 0 | 1 | 1 | 0 | “6” |
| 0 | 1 | 1 | 1 | “7” |
| 1 | 均不接通 | |||
3.双四路模拟开关CD4052 CD4052的引脚功能见图3。CD4052相当于一个双刀四掷开关,具体接通哪一通道,由输入地址码AB来决定。其真值表见表2。
表2 |
| 输入状态 | 接通通道 | ||
| INH | B | A | |
| 0 | 0 | 0 | “0”X、“0”Y |
| 0 | 0 | 1 | “1”X、“1”Y |
| 0 | 1 | 0 | “2”X、“2”Y |
| 0 | 1 | 1 | “3”X、“3”Y |
| 1 | 均不接通 | ||
4.三组二路模拟开关CD4053 CD4053的引脚功能见图4。CD4053内部含有3组单刀双掷开关,3组开关具体接通哪一通道,由输入地址码ABC来决定。其真值表见表3。
表3 |
| 输入状态 | 接通通道 | |||
| INH | C | B | A | |
| 0 | 0 | 0 | 0 | cX、bX、aX |
| 0 | 0 | 0 | 1 | cX、bX、aY |
| 0 | 0 | 1 | 0 | cX、bY、aX |
| 0 | 0 | 1 | 1 | cX、bY、aY |
| 0 | 1 | 0 | 0 | cY、bX、aX |
| 0 | 1 | 0 | 1 | cY、bX、aY |
| 0 | 1 | 1 | 0 | cY、bY、aX |
| 0 | 1 | 1 | 1 | cY、bY、aY |
| 1 | 均不接通 | |||
5.十六路模拟开关CD4067 CD4067的引脚功能见图5。CD4067相当于一个单刀十六掷开关,具体接通哪一通道,由输入地址码ABCD来决定。其真值表见表4。
表4 |
| D | C | B | A | INH | 接通通道 |
| 0 | 0 | 0 | 0 | 0 | “0” |
| 0 | 0 | 0 | 1 | 0 | “1” |
| 0 | 0 | 1 | 0 | 0 | “2” |
| 0 | 0 | 1 | 1 | 0 | “3” |
| 0 | 1 | 0 | 0 | 0 | “4” |
| 0 | 1 | 0 | 1 | 0 | “5” |
| 0 | 1 | 1 | 0 | 0 | “6” |
| 0 | 1 | 1 | 1 | 0 | “7” |
| 1 | 0 | 0 | 0 | 0 | “8” |
| 1 | 0 | 0 | 1 | 0 | “9” |
| 1 | 0 | 1 | 0 | 0 | “10” |
| 1 | 0 | 1 | 1 | 0 | “11” |
| 1 | 1 | 0 | 0 | 0 | “12” |
| 1 | 1 | 0 | 1 | 0 | “13” |
| 1 | 1 | 1 | 0 | 0 | “14” |
| 1 | 1 | 1 | 1 | 0 | “15” |
| 1 | 均不接通 |
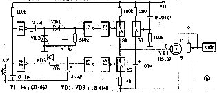
二、典型应用举例 1.单按钮音量控制器 单按钮音量控制器电路见图6。VMOS管VT1作为一个可变电阻并接在音响装置的音量电位器输出端与地之间。VT1的D极和S极之间的电阻随VGS成反比变化,因此控制VGS就可实现对音量大小的控制。VT1的G极接有3个模拟开关S1~S3和一个100μF的电容,其中100μF电容起电压保持作用。由于VMOS管的G极和S极之间的电阻极高,故100μF电容上的电压可长时间基本保持不变。模拟开关S1为电容提供充电回路,当S1导通时,电源通过S1给电容充电,电容上电压不断增高,使VT1导通电阻越来越小,使音量也越来越小。模拟开关S2为电容提供放电回路,当S2导通时,电容通过S2放电,电容上电压不断下降,使音量越来越大。模拟开关S3起开机音量复位作用,开机时,电源在S3控制端产生一短暂的正脉冲,使S3导通,由于与S3连接的电阻较小,故使电容很快充到一定的电压,使起始音量处于较小的状态。F1~F6及其外围元件组成长短脉冲识别电路。静态时,F1、F2输入为高电平,当较长时间按压按钮开关AN时,F4输出变高,经100k电阻给3.3μF电容充电,当充电电压超过CMOS门转换电压时,F5输出由高变低,F6输出由低变高,模拟开关S2导通,100μF电容放电,音量变大。与此同时,F1输出也变高,也给电容充电,但F1输出的一次正跳变不足以使电容上电压超过转换电压,故F2输出仍为高电平,F3输出低电平,模拟开关S1保持截止。当连续按动按钮开关AN时,F4输出也不断变化,输出为高时,给电容充电,而输出变低时,电容又很快通过二极管VD3放电,故电容上电压总是达不到转换电压,因此F6输出一直为低。而此时F1输出连续高低变化,经二极管整流不断给电容充电,使3.3μF电容上电压迅速达到转换电压,F2输出变低,F3输出变高,模拟开关S1导通,给电容充电,音量变小。由此,利用一只按钮开关,实现了对音量的大小控制。
2.四路视频信号切换器
3.数控电阻网络
表5 |
| 输入二进制数 | 电阻值(MΩ) | |||
| D | C | B | A | |
| 0 | 0 | 0 | 0 | 3.75 |
| 0 | 0 | 0 | 1 | 3.50 |
| 0 | 0 | 1 | 0 | 3.25 |
| 0 | 0 | 1 | 1 | 3.00 |
| 0 | 1 | 0 | 0 | 2.75 |
| 0 | 1 | 0 | 1 | 2.50 |
| 0 | 1 | 1 | 0 | 2.25 |
| 0 | 1 | 1 | 1 | 2.00 |
| 0 | 0 | 0 | 0 | 1.75 |
| 1 | 0 | 0 | 1 | 1.50 |
| 1 | 0 | 1 | 0 | 1.25 |
| 1 | 0 | 1 | 1 | 1.00 |
| 1 | 1 | 0 | 0 | 0.75 |
| 1 | 1 | 0 | 1 | 0.50 |
| 1 | 1 | 1 | 0 | 0.25 |
| 1 | 1 | 1 | 1 | 4×RON≈2kΩ |
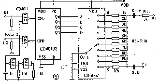
4.音量调节电路 音量调节电路见图9。音频信号由Vi端输入,经分压电阻R11和隔直电容加到由R1~R10构成的加/减电阻网络。CD40192为十进制加/减计数器,“与非”门YF3、YF4构成低频振荡器,“与非”门YF1、YF2分别为加计数端CPU和减计数端CPD的计数闸门。
当D1端为高电平时,闸门YF1开通,低频脉冲经YF1加到CD40192的CPU端,使其作加法计数,输出端Q0~Q3数据增大,使16路模拟开关的刀向低端转换,顺序接通R1~R10,接通的电阻增大,经与R11分压后,使输出音频信号Vo增大;当D2端为高电平时,闸门YF2开通,低频脉冲经YF2加到CD40192的CPD端,使其作减法计数,输出端Q0~Q3数据减小,使16路模拟开关的刀向高端转换,顺序接通R10~R1,接通的电阻减小,经与R11分压后,使输出音频信号Vo减小。 |
- 刊登此文只为传递信息,并不表示赞同或者反对作者观点。
- 如果此内容给您造成了负面影响或者损失,本站不承担任何责任。
- 如果内容涉及版权问题,请及时与我们取得联系。








文章评论