家电维修网

 找回密码
 注册
家电维修网 网站首页 液晶维修
订阅

液晶维修

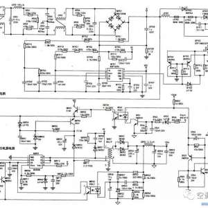
长虹液晶彩电FSPS35D-1MF电源原理与维修深度解析
长虹液晶彩电FSPS35D-1MF电源原理与维修深度解析
长虹FSPS35D-1MF 190电源组件为电源、LED背光驱动二合一电源组件,输出两组电源电压:12.3V和LED+。主要用于32英寸及以下小屏幕液晶电视机,在电路设计上取消了PFC电路。FSPS35D-1MF190电源组件规格如下:输入:交流 ...
2019-1-18 15:48
新大陆NL-5103型数字有线电视机顶盒故障分析检修五例
新大陆NL-5103型数字有线电视机顶盒故障分析检修五例
开机后绿色电源指示灯点亮,前面板数码管无显示,无图像,无伴音。分析与检修:根据绿色电源指示灯能点亮初步判断,开关电源问题不大,经测量电源板输出的3.3V、7.5V、12V、30V电压均正常,接下来按不能开机故障分析 ...
2019-1-18 15:38
如何用万用表判断夏普液晶彩电LED灯珠好坏及更换
如何用万用表判断夏普液晶彩电LED灯珠好坏及更换。
2019-1-18 14:09
LED液晶屏一般故障检修方法
LED液晶屏一般故障检修方法
一、液晶屏的组成及常见故障液晶屏一般是由背光板、逻辑板和显示屏三部分组成。a.背光板:背光灯源的供给检修方法:1、黑屏(背光板灯源不亮),一般为背光板不良。2、黑屏(开机时背光灯闪一下就黑屏),一般也是背 ...
2019-1-18 11:28
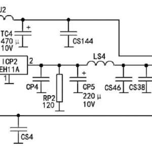
TCL王牌液晶彩电PWL3222电源板 LPL32S电源板常见故障表征及原因分析
TCL王牌液晶彩电PWL3222电源板 LPL32S电源板常见故障表征及原因分析
TCL王牌液晶彩电PWL3222电源板输入电路原理分析TCL王牌液晶彩电PWL3222电源板输入电路如下图所示。交流市电自火线(Liveline)和零线(Neutralline)经过P1输入: F1为保险管,在输入电流过大时熔断,以保护电路;T ...
2019-1-18 10:56
康佳液晶彩电34005565电源 34005553/34006236电源板检修
康佳液晶彩电34005565电源 34005553/34006236电源板检修
康佳液晶彩电34005565电源板14.5V输出电路康佳液晶彩电34005565电源板之背光电路康佳液晶彩电34005565电源板电磁抗干扰电路工作原理 电感L901、L902、L903和电容C佣4、C901组成抑制差模干扰电路,C902、C903构成Y电 ...
2019-1-18 10:44
康佳液晶彩电35011935电源板 图解35017303主板 34006601电源板检修
康佳液晶彩电35011935电源板 图解35017303主板 34006601电源板检修
康佳液晶彩电35011935电源板适用机型及电路图该型电源板主要用于康佳LC37DES30C、LC40GS60DC等型液晶彩电中,其电路如下图所示。 康佳液晶彩电35011935电源板维修 ...
2019-1-18 10:38
康佳RTD2644机芯 MSD6A818QVB机芯 MT8227机芯维修图解
康佳RTD2644机芯 MSD6A818QVB机芯 MT8227机芯维修图解
康佳RTD2644机芯液晶彩电常见故障图解 康佳RTD2644机芯液晶彩电不开机检修流程图 康佳RTD2644机芯液晶彩电有声无图检修流程图 ...
2019-1-18 10:33
LED液晶电视灰屏故障检修方法
LED液晶电视灰屏故障检修方法
LED液晶灰屏问题既涉及到液晶屏内部器件,又涉及屏外部的电路,实际检修时应先测量逻辑板的相关点直流电压,以区分故障部位在屏内部还是外部,具体检修步骤如下:本站家电维修网https://www.bjjdwx.com/是以家电维修技术交流为中心的技术论坛:测量液晶逻辑板供电(上屏电压)是否正常。 ...
2019-1-17 13:25
康佳彩电P21SA390三无,指示灯不亮d 故障维修
今日上门修理一台康佳彩电P21SA390机器,三无故障,指示灯不亮。因之前修过一同型号三无机器,故对此机电源有过初步了解。开盖检查保险,场效应开关管均完好,奇了,出乎意料啊!通电一测+B,40V!其他几路低压均有 ...
2019-1-13 07:12
衡水家维2106年底修复康佳P21SA390严重损坏的电视一例
这两天无意中才找到组织了,哈哈,离开北网多年,离开维修行业多年,如今重操旧业又已经五六个年头了,年底找到组织,如今,已经是年初了,先祝愿大家嗨皮牛耶,然后,献上我这一晚上刚刚打完的近13K字节的长文,希 ...
2019-1-12 19:26
阻尼管F10U170S用什么型号的代换合适
阻尼管F10U170S用什么型号的代换合适
阻尼管F10U170S代换用什么2017-07-29 16:58 | 推荐者:13576968047 | 栏目分类:句子 | 浏览次数:112次阻尼管F10U170S代换用什么阻尼管FMLG16 坏掉了,找不到原型号,可以用F10U170S代换,经时间测试成功显示器上的5 ...
2019-1-10 19:34
先锋LED-24V800液晶电视换液晶屏的经过
一台先锋24寸液晶彩电,型号是LED-24V800,开机三无,拆开测试LED灯条坏了,几经周折也没有买到原装灯条。于是去淘宝买了一条稍长一点的可以剪短的代用品,配送一个灯条电压板,改好以后开机屏终于亮了,但是新问题又 ...
2019-1-10 19:30
采用PX66/LX66方案的康佳BT系列液晶 康佳ENESIS系列液晶彩电资料
采用PX66/LX66方案的康佳BT系列液晶 康佳ENESIS系列液晶彩电资料
采用PX66/LX66方案的康佳BT系列液晶彩电电路方框图采用PX66/LX66方案的康佳BT系列液晶彩电主板电源结构采用PX66/LX66方案的康佳BT系列液晶彩电主板Video信号电路图像处理主芯片PX66/LX66信号输入示图采用PX66/LX66方 ...
2019-1-10 17:18
康佳DT08系列 GS系列液晶彩电升级检修
康佳DT08系列 GS系列液晶彩电升级检修
康佳DT08系列液晶彩电常见故障速查表康佳DT08系列液晶彩电主板FLASH程序软件升级方法 1)把要升级的程序文件放入U盘的根目录。注意,此U盘必须格式化为FAT格式。    2)关断电视机电源,把升级U盘插入端子板上 ...
2019-1-10 17:13
液晶电视维修热门文章

QQ|门户地图|网站地图|家电维修|手机版|家电维修技术论坛 ( 蜀ICP备14030498号-16 川公网安备51102502000162号 )

GMT+8, 2026-5-20 07:41

Powered by Discuz! X3.4

© 2001-2023 Discuz! Team.

返回顶部