家电维修网

 找回密码
 注册
家电维修网 网站首页 液晶维修
订阅

液晶维修

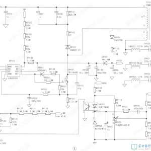
COF型号NT39530H-C5208A飞线点位图
2023-4-18 16:54
AUO友达屏采用M106-11边板芯片修复过程
接修一台液晶电视故障为灰屏,边板芯片M106-11上方8个0欧电阻没有电压和一个59A丝印电阻,59A丝印=400欧姆,0欧电阻正常输出为9V(包括59A),有几组是9V到12V的跳变电压。焊接过程:吹下来后清理好残留锡,中间散热 ...
2023-4-18 16:54
37英寸液晶电视T370XW02屏开机后图像有镶边现象的维修
一台37英寸液晶彩电(AU屏,型号是T370XW02),开机后字符与无信号时的雪花点均正常;接上信号后,在图像亮的部分有彩色镶边现象,如图1所示。仔细观察故障现象,发现越亮的部位镶边现象越严重,在亮度低的地方,图像基 ...
2023-4-18 16:54
小米L55M5-AZ液晶电视灰屏的故障维修
最近回收了一台小米L55M5-AZ液晶电视,故障现象是开机灰屏,客户说有拆开看过说屏坏了,想买新的,于是60元成交。回家拆机,找电压,VGL-8.9V,VGH-11V左右,VAA-2V左右。关机查电容无漏电。断开右排线,左边图像发 ...
2023-4-18 16:54
乐视X50 AIR液晶电视开机黑屏无背光有声音的维修
接修一台乐视X50AIR,故障现象是开机黑屏无图像背光不亮能听到广告背景音乐,判断是逻辑板坏,如果更换逻辑板后出现灰屏无图像有背光,需要刷逻辑程序:方法拷贝letvDeviceAttrUpgrade918.ini进U盘(FAT32格式)开机 ...
2023-4-18 16:54
LC320WXE-SBV2液晶屏的通病故障处理方法
LC320WXE-SBV2液晶屏是一款低成本的国产屏,如图1所示,其面板尺寸为31.5英寸,分辨率为1366x768,上屏电压为+12V,内部安装有10只EEFL灯管,已广泛用于创维、康佳、TCL等品牌液晶彩电中。值得一提的是,该型液晶屏 ...
2023-4-18 16:54
联想17TV 55S9i液晶电视不通电的故障维修
这台联想液晶电视是从废品站收到的,故障表现为不通电,拆机后查300V有,未见明显烧痕,黑色的电路板也不好跑线路,凭经验直接查PFC电路,发现一2.2MΩ电阻减小为400多KΩ,更换后工作正常,故障修复。
2023-4-18 16:54
求助创维32E3刷机方法
求助创维32E3刷机方法,本电视机上面没用按键,请高手指点!深表感谢!
2023-1-6 08:50
液晶显示器边板43T10-SOF上的4265H是什么芯片
液晶显示器边板43T10-SOF上的4265H是什么芯片
AUO的液晶显示器边板43T10-SOF。开机一段时间后屏幕跳动,出现故障时这个4265H开始发热,请教这是什么芯片?
2022-9-2 10:35
超低功耗VKL060 SSOP24 I2C接口低休眠电流LCD液晶显示驱动器
产品型号:VKL060产品品牌:永嘉微电/VINKA封装形式:SSOP24产品年份:新年份原厂直销,工程服务,技术支持,价格最具优势! VKL060概述:VKL060是字段式液晶显示驱动芯片。功能特点:★ 液晶驱动输出: Common 输出4 ...
2022-3-14 20:44
小米l55m5-ec开机20多分钟自动关机(黑屏没有声音),背光灯亮
小米l55m5-ec开机20多分钟自动关机(黑屏没有声音),背光灯亮,请高手指点!深表感谢!
2022-1-10 19:03
组装机采用TP.V56.PB726主板黑屏的故障维修
组装机采用TP.V56.PB726主板黑屏的故障维修
一台组装杂牌机仿索尼液晶电视,黑屏,声音正常。据用户讲该机一个月前出现过上述现象,但随后又正常了。上电试机,用手电强光照射屏,有暗淡的图像。开壳检查,此机采用乐华三合一驱动板,板号为TP.V56.PB726。 上 ...
2021-12-1 08:39
创维715G6679-P04-003-002S电源背光二合一板电路原理分析
创维715G6679-P04-003-002S电源背光二合一板电路原理分析
三、主电源电路 该板的主电源电路采用绿色电源芯片LD5532Gs(U9101),如图4所示。该IC内置振荡器与OLP(过载保护)、OVP(过压保护)、OTP(过热保护)等电路,具有频率补偿、UVLO(欠压锁定)等功能,其引脚功能 ...
2021-12-1 08:38
创维液晶电视47E800A黑屏有声修复一例
创维液晶电视47E800A黑屏有声修复一例
今天客户将一台创维47e800a液晶电视搬来店里,说电视有声但黑屏。我通电试机,确实有开机声音,但屏无任何反应。拆机测量恒流板背光电压输出电容两端有54伏电压,怀疑是背光坏,用背光灯测试仪检测背光灯条是好的。 ...
2021-4-23 13:34
康佳LC32ES6液晶2电视灰屏故障的维修
康佳LC32ES6液晶2电视灰屏故障的维修
一台康佳LC32ES62电视,二次开机后有声音,背光亮,黑屏(能隐约看到非常暗淡的光栅)。分析检修:该机配用奇美液晶屏,型号是V315B3-L04。由于开/关机与伴音正常,故怀疑逻辑板有问题。拆开逻辑板上的屏蔽盖后检查 ...
2021-3-14 17:15
液晶电视维修热门文章

QQ|门户地图|网站地图|家电维修|手机版|家电维修技术论坛 ( 蜀ICP备14030498号-16 川公网安备51102502000162号 )

GMT+8, 2026-5-20 01:40

Powered by Discuz! X3.4

© 2001-2023 Discuz! Team.

返回顶部