家电维修网

 找回密码
 注册
家电维修网 网站首页 夏普维修
订阅

夏普维修

夏普LCD-40E66A电视自动开关机的摸索处理过程
夏普LCD-40E66A电视自动开关机的摸索处理过程
一台夏普LCD-40E66A电视机开机后图像、声音正常,数秒或数分钟,有时到半小时后自动关机,绿色的LED电源指示灯长亮。一会儿又自动开机,开机后的图像、声音正常,如此反复,使其不能正常收看电视节目。从自动开机后 ...
2018-11-28 13:14
夏普60LX565A彩电自屏幕中间线右侧,图像上叠加有绿色透明状竖带
夏普60LX565A彩电自屏幕中间线右侧,图像上叠加有绿色透明状竖带
夏普60LX565A彩电自屏幕中间线右侧,图像上叠加有绿色透明状竖带现象描述:在屏幕中间线右侧,图像上叠加有绿色透明状很宽的竖带,且绿色竖带时有时无。有时呈时有时无的闪烁状。有时很长时间不出现。故障出现没有规 ...
2018-10-10 17:07
夏普LCD-52LX545A有背光有声音无图像故障维修
夏普LCD-52LX545A有背光有声音无图像故障维修
LCD-52LX545A有背光有声音无图像故障维修用户报修机器无图像,经上门检查后,故障现象:有背光,无图像。将机器拉回维修站,拆机检测,PD各接口电压值如下:1、2、3、4脚:13.2V;5、6、7、8脚接地;9脚AC-DET:3.2V ...
2018-10-10 17:02
夏普LCD-52LX545A彩电声音正常,无图像,无字符,指示灯亮绿灯的维修
夏普LCD-52LX545A彩电声音正常,无图像,无字符,指示灯亮绿灯的维修
夏普LCD-52LX545A彩电声音正常,无图像,无字符,指示灯亮绿灯。原因分析:根据故障现象分析:1.电源板12V供电电路不良。2.T-CON或液晶屏面板不良。检修过程:通电测量电源板插件座CON7002的1、2、3、4脚(应为UR13. ...
2018-10-10 16:54
夏普LCD-55S3A彩电不开机的维修
夏普LCD-55S3A彩电不开机的维修
夏普LCD-55S3A彩电不开机的维修原因分析:在用户家开机电视指示灯也不亮,检查插座没有问题,电视机本身故障。检修过程:开壳检测没有发现短路现象,保险完好。通电试机发现5V只有0.3V左右还跳动。重点检测5V付电源 ...
2018-10-10 16:52
夏普LCD--60DS50A彩电面板按键开机指示灯亮,有背光,无图像,无字符,有声音的维修
夏普LCD--60DS50A彩电面板按键开机指示灯亮,有背光,无图像,无字符,有声音的维修
夏普LCD--60DS50A彩电面板按键开机指示灯亮,有背光,无图像,无字符,有声音。原因分析::面板按键开机指示灯亮,可以正常开关机,有背光,有声音且可以正常增大减小,无图像,无字符,说明电源板供电正常,主板工 ...
2018-10-10 16:50
夏普LCD-40LX235A彩电开机后有绿灯亮,无声音无图像的维修
夏普LCD-40LX235A彩电开机后有绿灯亮,无声音无图像的维修
夏普LCD-40LX235A彩电开机后有绿灯亮,无声音无图像的维修现象描述:开机后绿灯亮,无声音,无图像,液晶屏背光不亮。原因分析:拆机检查,开机绿灯亮后,主板P9601脚UL+13V电压正常,PS-ON3.4V电压正常,其它脚均无 ...
2018-10-10 16:47
夏普LCD-46LX235A彩电通电后三无,不开机的维修
夏普LCD-46LX235A彩电通电后三无,不开机的维修
夏普LCD-46LX235A彩电通电后三无,不开机。原因分析:此故障一般为电源板故障,或者主板问题。检修过程:开盖测电源板初级供电正常,但次级cn7002,13.5v没有电压输出,正常情况下,待机状态,应该有七点六伏电压,所以 ...
2018-10-10 16:45
夏普LCD-52LX640A彩电有时能开机有时不能开机的维修
夏普LCD-52LX640A彩电有时能开机有时不能开机的维修
夏普LCD-52LX640A彩电有时能开机有时不能开机。原因分析:主板DC—DC电路故障或者BGA有虚焊。检修过程:出故障时手触摸主板DC—DC电路的IC及BGA都没有温度(正常工作是有点温度的),围绕BGA的工作条件来检修。出故 ...
2018-10-10 16:43
夏普LCD-52LX830A液晶彩电红灯每周期闪烁2次,不开机的维修
夏普LCD-52LX830A液晶彩电红灯每周期闪烁2次,不开机的维修
夏普LCD-52LX830A液晶彩电红灯每周期闪烁2次,不开机的维修原因分析:此故障一般是由于电压供电异常或负载有短路过流导致的,故障部位有电源板、主板、T-CON板、液晶屏等。检修过程:开机瞬间绿灯状态下快速测量电源 ...
2018-10-10 16:40
夏普LCD-60LX840A彩电不开机,红灯闪2下的维修
夏普LCD-60LX840A彩电不开机,红灯闪2下的维修
夏普LCD-60LX840A彩电不开机,红灯闪2下。原因分析:不开机,红灯闪2下可能是屏,电源板、主板不正常。检修过程:首先强制启动仍无法开机,断开屏与T-CON间的排线强制启动故障依旧,测量电源板有5伏电压,拆下电源板 ...
2018-10-9 14:59
夏普LCD-46A63彩电下半部分图像发暗的维修
夏普LCD-46A63彩电下半部分图像发暗的维修
夏普LCD-46A63彩电下半部分图像发暗的维修现象描述:刚开机的时候,屏幕有横的白色宽带,一会以后,无图像,无字符。原因分析:下部分图像发暗,亮度不够,分析原因,电源板不良,或者背光板,显示屏也有可能,这机器 ...
2018-10-9 14:55
夏普LCD-70LX255A彩电电源指示灯不亮不开机的维修
夏普LCD-70LX255A彩电电源指示灯不亮不开机的维修
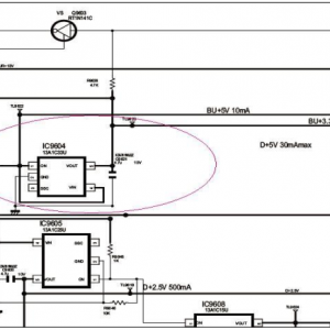
夏普LCD-70LX255A彩电电源指示灯不亮不开机。原因分析:此故障可能电源板或主板异常,均会造成指示灯不亮,不开机。检修过程:打开后壳检查,首先测量电源板电压BU5V只有1.1V左右,把电源板到主板的排线断开再测量BU5 ...
2018-10-9 14:52
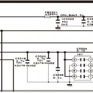
夏普LCD-40L120A彩电通电后有声无图、背光亮、无字符显示的维修
夏普LCD-40L120A彩电通电后有声无图、背光亮、无字符显示的维修
LCD-40L120A通电后有声无图、背光亮、无字符显示。原因分析:有声无图、背光亮有几种可能:①T-CON板不良。②LCD屏不良。③屏供电异常检修过程:通电后测量电源板CON7004①②脚,屏供电+12V电压为5.6V左右,电压异常 ...
2018-10-9 14:49
夏普LCD--52LX830A彩电不开机红灯闪2下的维修
夏普LCD--52LX830A彩电不开机红灯闪2下的维修
夏普LCD--52LX830A彩电不开机红灯闪2下的维修现象描述:不开机,侧面按键及遥控都无法开机,电源指示灯闪2下。原因分析:根据故障现象不开机红灯闪烁2下,一般为电源板,T-CON板及屏故障检修过程:首先对机器进行强 ...
2018-10-9 14:26

QQ|门户地图|网站地图|家电维修|手机版|家电维修技术论坛 ( 蜀ICP备14030498号-16 川公网安备51102502000162号 )

GMT+8, 2026-5-14 02:23

Powered by Discuz! X3.4

© 2001-2023 Discuz! Team.

返回顶部