家电维修网

 找回密码
 注册
家电维修网 网站首页 空调维修
订阅

空调维修

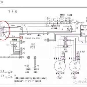
格力福乐园1.5匹变频空调E6故障维修实例(转载)
格力福乐园1.5匹变频空调E6故障维修实例(转载)
格力福乐园1.5匹变频空调E6故障维修实例(转载)
2019-9-5 12:45
向压缩机加冷冻油的方法
制冷设备的压缩机在使用一定的时间后,由于冷冻油在运行中会自然损耗一部分需要补充,尤其在压缩机电动机绕组烧毁之后,冷冻油会变质,变质的冷冻油必须更换。 冷冻油的排出方法( a/ y' ?' L; t% p$ l* N; ?  将 ...
2019-9-5 12:41
格力风管机出现“EE”和“FF”代码怎么维修?
格力风管机出现“EE”和“FF”代码怎么维修?
格力风管机显示板温度区域出现“FF”代码是什么故障?查询格力《商用机上门服务手册》上的解释是:子房间开关故障(见备注)。备注内容:小风管:子房间处于关状态, 内机主板与联机控制器通讯故障, 或是接上联机控制 ...
2019-9-4 12:30
海信变频空调KFR26G/11BP电控板原理与维修
海信变频空调KFR26G/11BP电控板原理与维修
2019-9-4 12:29
美的变频空调挂机显示E1故障代码维修一例
美的变频空调挂机显示E1故障代码维修一例
变频空调出保的机子越来越多了,网上修变频板的热火朝天,今天我也来分享一例。七月份正旺季时一朋友来电空调不制冷,上门一看是一台美的35变频挂机,具体型号不记得了,内机启动后外机无反应,几分钟后显示E1,外机 ...
2019-9-4 12:27
VRV多联机空调安装实例解读,工序分解更易懂!
VRV多联机空调安装实例解读,工序分解更易懂!
VRV多联机空调安装实例解读,工序分解更易懂!基于工程实例看VRV多联机空调的安装流程一、现场材料堆放材料堆放应整齐有序,两端必须封口,确保清洁。铜管应放置在通风干燥,离地面300MM以上的架子上二、室外机安装1 ...
2019-9-4 12:25
冷水机组阀门的安装,这7点很重要!
冷水机组阀门的安装,这7点很重要!
冷水机组阀门的安装,这7点很重要!在工业冷水机的制冷系统当中,阀门的主要作用是用来控制制冷剂的流量和方向,在日常的使用当中,也需要经常使用到阀门,当工业冷水机需要停机或者是开启的时候,都需要用到阀门。 ...
2019-9-4 12:24
多联机空调故障案例与线径口诀
多联机空调故障案例与线径口诀
多联机空调故障案例与线径口诀案例一、压缩机故障1、频繁烧压缩机:某工程,频繁烧压缩机。检查发现,室外机的液管和模块间气平衡管,弯管质量差,变形及弯扁现象明显。解决办法:更换压缩机,补充冷冻油,定量补充 ...
2019-9-4 12:23
VRV多联机空调安装实例解读,工序分解给你看
VRV多联机空调安装实例解读,工序分解给你看
基于工程实例看VRV多联机空调的安装流程一、现场材料堆放材料堆放应整齐有序,两端必须封口,确保清洁。铜管应放置在通风干燥,离地面300MM以上的架子上二、室外机安装1、室外机安装位置选取空调室外机离墙必须一米 ...
2019-9-3 19:39
中央空调泡顶?专家为你来支招
中央空调泡顶?专家为你来支招
如今,紧接着住房条件的改善,许多人都会选择安装家用中央空调,甚至有的旧房改造,都会考虑把柜挂机升级为中央空调,但因为中央空调安装在吊顶内,不像柜挂机管道裸露在外,一旦发生漏水现象,不容易被马上发现,进而 ...
2019-9-3 19:38
关于流体的力学知识,珍藏版!
关于流体的力学知识,珍藏版!
液体和气体都具有流动性,统称流体。但气体和液体还是有差别的,这主要是气体易于压缩,而液体几乎不能压缩。一、流体的压强1. 静止流体内的压强静止的流体不能承受切向力,因为流体没有切变弹性。哪怕很小的切向力 ...
2019-9-3 19:37
中央空调水倒流是怎么回事?
中央空调水倒流是怎么回事?
不知道大家有没有遇到过中央空调水出现倒流的现象呢?这是怎么回事呢?一大部分是因为中央空调排水管安装不当导致的,那么在中央空调排水管安装时应注意哪些事项呢?接下来请跟最冷菌一起来了解一下吧!一、中央空调水倒 ...
2019-9-3 19:27
奥克斯喊话格力“周一见”爽约 集团称对空调拆解视频不知情
奥克斯喊话格力“周一见”爽约 集团称对空调拆解视频不知情
奥克斯方面隔空喊话董明珠“周一见”,于9月2日公布格力空调能效不合格的拆解视频。不过,一天过去,相关视频并没有如期公布。图说:9月2日(周一),记者赶到奥克斯集团试图采访格力空调拆解视频等事宜,等待一天未 ...
2019-9-3 19:26
【干货】经典的中央空调培训资料
一、空调的定义:空调是空气调节的简称,它是利用设备和技术对室内空气的温度、湿度、清洁度及气流速度进行调节,以满足人们对环境的舒适要求或生产对环境的工艺要求。舒适性空调:主要是满足人类或其它生物对舒适感 ...
2019-9-2 21:26
暖通专业抗震设计专篇,相关专业提供给本专业的工程设计资料
暖通专业抗震设计专篇,相关专业提供给本专业的工程设计资料
设计依据1、国家现行的主要规范、标准图集:1.1、GB50981-2014——《建筑机电工程抗震设计规范》;1.2、GB50011-2010——《建筑抗震设计规范》(2016版);1.3、GB50243-2016——《通风与空调工程施工质量验收规范》 ...
2019-9-2 21:24
空调维修热门文章

QQ|门户地图|网站地图|家电维修|手机版|家电维修技术论坛 ( 蜀ICP备14030498号-16 川公网安备51102502000162号 )

GMT+8, 2026-3-20 05:03

Powered by Discuz! X3.4

© 2001-2023 Discuz! Team.

返回顶部