家电维修网

 找回密码
 注册
家电维修网 网站首页 维修文章
订阅

维修文章

光伏养老,等你老了,我养你!
光伏养老,等你老了,我养你!
等你老了,我养您!时光飞逝这是我的父亲,小时候记忆中父亲像山一样;总在庄稼地里劳作。可现在,我的父亲已经老的像一个影子......我想等父亲老了,我来养老;但现在更想为他擦去汗水,看他的笑容......问:小伙如 ...
2018-5-20 08:33
安装光伏电站有害处吗?
安装光伏电站有害处吗?
害处一:成了网红好烦恼家里装个光伏,不小心就成了村里的少数派,左邻右舍都跑过来一问究竟,同样的问题每天回答无数回,好烦的有没有!而如果不小心再上个报纸、电视、纪录片什么的……看看下面这位大兄dei,一朝 ...
2018-5-18 15:42
解剖分享固态硬盘构造,再买固态硬盘不怕忽悠
解剖分享固态硬盘构造,再买固态硬盘不怕忽悠
主控芯片、闪存颗粒、缓存芯片,这三者有机的结合在一块PCB板上,构成了固态硬盘的整体形态。1固态硬盘大脑:主控芯片我们简单的聊了聊关于固态硬盘的发展历程,以及固态硬盘行业当下的市场格局,而这些都是比较大比 ...
2018-5-17 15:02
电脑机箱风扇越大越好知道吗
电脑机箱风扇越大越好知道吗
关于机箱散热风扇是不是越多越好,看了这篇文章肯定了解了。风扇,对于我们来说,都是非常熟悉的,打小起每到夏天就会给送来阵阵凉风,陪伴我们走过人生的每一个酷暑。对于电脑而言,风扇更是不可或缺的,无论是机箱 ...
2018-5-17 11:15
如何选择SSD固态硬盘,固态硬盘速度寿命与什么有关?
如何选择SSD固态硬盘,固态硬盘速度寿命与什么有关?
近期固态硬盘有所降价,相信很多朋友都蠢蠢欲动打算入手固态硬盘了。不过现在固态硬盘领域竞争相对复杂,许多小厂商利用消费者信息不对等的情况去欺骗消费者,让消费者花大价钱买垃圾硬件,引发了不少的纠纷。那么, ...
2018-5-16 14:19
预防电池漏液,这样做就可以!
预防电池漏液,这样做就可以!
引起电池故障的原因有很多,其中一个就是漏液。在日常生活中,我们只要注意以下几点,就可以有效预防电池漏液的情况发生。漏液现象1、上盖与底槽之间密封度欠缺;或因碰撞,使封口胶开裂造成漏液现象。2、接线端子处 ...
2018-5-14 07:38
维修电脑硬件软件故障试试排除法更方便简单,这几招不管用就黔驴技穷
维修电脑硬件软件故障试试排除法更方便简单,这几招不管用就黔驴技穷
电脑已经融入我们的工作生活中,成为我们必不可少的工具。磨刀不费砍柴工,学习下电脑知识吧!硬件故障和软件的故障都能造成电脑不能使用或使用不便,硬件故障我们最常用到的是排除法,软件故障一般是重装驱动和系统 ...
2018-5-13 19:10
电脑重装系统不求人,备份、还原、重装、恢复轻松搞定
电脑重装系统不求人,备份、还原、重装、恢复轻松搞定
总有那么一大堆爱折腾的人会在电脑上安装各种软件、下载各种资源、进入各种网站。不知道你是哪一种?恭喜你,经过你持之以恒的折腾,电脑终于开始动不动就死机、蓝屏、不断重启了。怎么办?重装系统。很多人会在网上 ...
2018-5-13 18:51
环保小常识|废电池的危害
环保小常识|废电池的危害
当今社会越来越多的人开始关注废电池的污染及其处理问题,目前电池的种类、生产量和使用量在不断的增加,相应的废电池的数量和种类也在不断增加。而废旧电池中含有许多重金属及电解质溶液,会对人体和生态环境造成危 ...
2018-5-13 18:49
2018年SSD真的降价了,消费级SSD选购指南
2018年SSD真的降价了,消费级SSD选购指南
与内存价格的持续坚挺不同,在SSD方面由于技术的进步,特别是新一代采用64层、72层堆叠的3D NAND生产工艺的成熟,闪存颗粒的产能得到了很大的增强,但另一方面市场对SSD的需求却没有相应的提升,这也导致SSD整体价格 ...
2018-5-13 17:04
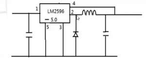
汽车电路电脑芯片维修技术
汽车电路电脑芯片维修技术
不管是传统汽车,还是混合动力、纯电动汽车,都离不开电脑芯片对其控制,掌握汽车电脑芯片维修技术,是一门永不过时的技术。1稳压电源1稳压电源理论基础2稳压电源2稳压电路芯片针脚讲解3稳压电源3稳压电路实物讲解4 ...
2018-5-12 08:19
用芯片压制我们,今天的中国,有能力让任何人“滚出去”!今天的中国,绝不是好欺负滴 ...
用芯片压制我们,今天的中国,有能力让任何人“滚出去”!今天的中国,绝不是好欺负滴 ...
从处理器芯片诞生以来,该领域的高精尖技术就一直掌握在苹果、高通等国外通信巨头的手中。中国长期在芯片制作工艺和核心技术方面受制于外国公司,导致国内企业很难在芯片领域获得真正的话语权。但是这一局面在最近已 ...
2018-5-12 08:13
数字万用各个表档位介绍图解,你再学不会我也没办法了
数字万用各个表档位介绍图解,你再学不会我也没办法了
万用表上有个可以旋转的多档位波段开关,分别指向不同的档位,这些档位表示什么意思呢?我们来简单看一看。万用表档位1开关档当波段开关箭头指向这里时,万用表关机,不再显示。其他任何一个位置都能打开万用表,让 ...
2018-5-11 07:44
5G知识。讲得通俗易懂!
5G知识。讲得通俗易懂!
2018-5-8 15:28
电脑装机指南——DIY大神教你选电源!
电脑装机指南——DIY大神教你选电源!
电源,可以说是组装电脑时,最不受装机小白重视的组件之一了(另一个当然是机箱)。殊不知,电源质量的高低、功率大小直接影响电脑的稳定性以及主板、显卡、硬盘等硬件的寿命。而且有些劣质电源不仅稳定性极差,甚至 ...
2018-5-7 13:38
维修热门文章

QQ|门户地图|网站地图|家电维修|手机版|家电维修技术论坛 ( 蜀ICP备14030498号-16 川公网安备51102502000162号 )

GMT+8, 2026-5-14 03:31

Powered by Discuz! X3.4

© 2001-2023 Discuz! Team.

返回顶部