家电维修网

 找回密码
 注册
家电维修网 网站首页 电工学习
订阅

电工学习

20个电工高级工基础知识,很难,就算是技师也未必全部都会!
20个电工高级工基础知识,很难,就算是技师也未必全部都会!
电工是一门理论和实践同样重要的技术,理论和实践相辅相成,理论可以指导实践,实践反过来可以验证理论!电工不仅需要丰富的经验,也需要有一定知识积累。1、电子设备中一般都采用什么方式来防止干扰?电子设备的干 ...
2018-8-19 10:00
维修电工必须掌握的排除故障技能
确保一个地区生活与生产用电的安全是维修电工的主要职责,维修电工通过全面检测电力系统,及时的将故障解决掉,并且可以凭借自身的技能以及以往的工作经验在最短的时间内将故障排除,这样才可保证居民们生产以及用电 ...
2018-8-19 09:58
史上最全电路图详解!
史上最全电路图详解!
问:怎么每天都能免费收到这种好文章呢?答:只需点上边《51单片机学习网》免费关注!用电路元件符号表示电路连接的图,叫电路图。电路图是人们为研究、工程规划的需要,用物理电学标准化的符号绘制的一种表示各元器 ...
2018-8-19 09:58
教你做一个LED灯闪烁电路。
教你做一个LED灯闪烁电路。
2018-8-19 08:46
学习直流电机调速电路原理知识。
(1)(2)
2018-8-19 08:45
为什么日@#本插头从不冒火花,10年用不坏?拆开一看,原来如此!
为什么日@#本插头从不冒火花,10年用不坏?拆开一看,原来如此!
家用电源插座我们都很谨慎选择,可是用久了你会发现插座会有松动,容易冒火花,这是什么原因呢?但是在日@#本,他们的电源插座用久了也不会松动,日常也不会冒火花,这又是为什么?据统计,我国近10年发生的火灾中,约 ...
2018-8-18 07:09
三年之内家电专卖店要做好转型准备
三年之内家电专卖店要做好转型准备
近来,家电专卖店商家跑路接连不断,这是每年都有的个案?还是在当前新的渠道变革中每个家电专卖店所面临的共性问题?引发了业内的大讨论。“家电人”通过市场调研与群内商家沟通,感觉家电专卖店的日子越来越难过! ...
2018-8-17 13:23
液晶拼接屏受到信号干扰如何解决?
液晶拼接屏受到信号干扰如何解决?
液晶拼接屏作为安防行业的最佳终端显示设备在市场得到越来越广泛的应用,伴随拼接技术的日臻成熟,液晶拼接屏在娱乐、政府、场馆、交通、能源、金融、广电等各个行业和领域广泛普及,在使用的过程中信号干扰是经常遇 ...
2018-8-13 16:21
两台电脑或多台电脑如何共享?
两台电脑或多台电脑如何共享?
两台电脑共享文件夹可以很方便的在一台电脑访问另一台电脑的共享文件,并对文件进行各种操作,就像是本机的文件夹一样,两台电脑共享文件夹要怎么做呢?小编现在给各位介绍一下两台电脑共享文件的方法吧。现在办公基 ...
2018-8-13 14:39
家电业虽然销量降了!但好消息在后头
家电业虽然销量降了!但好消息在后头
中国家电业经过近40年的发展,无论在产品数量还是产品质量上都有了极大的提升。同时,中国的消费者需求也由温饱到小康的发展,这一需求的变化对于每个行业来说都会面对很多的改变。对于家电业来说,那就是多年来一直 ...
2018-8-13 14:36
三代中九户户通接收机检修8例(上)
三代中九户户通接收机检修8例(上)
1、天诚TCD-699ABS-CA09进水导致开机无信号强度和质量。根据维修经验判断是LNB极化供电异常导致的,测量F头处电压仅0.36V,看来判断正确。拆开机器先用酒精将F头与调谐芯片前清洗干净,目测发现高频耦合信号用的RC15 ...
2018-8-11 09:25
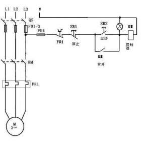
为什么电机启停用自锁电路?直接加个开关不就行了
为什么电机启停用自锁电路?直接加个开关不就行了
今天有个朋友问了我一个问题,非常具有代表性,可能刚刚学习电机控制的朋友都有这个疑问。就是自锁电路里面的启动按钮开关是不是必须用自复位开关?为什么不用一个普通的通断开关或者自锁按钮?直接通断控制不就省掉 ...
2018-8-9 09:04
美的MG90-1433WDXG 型滚筒洗衣机,显示屏上的"速度"符号频繁问烁,并发出报警声, ...
一台美的MG90-1433WDXG 型滚筒洗衣机,显示屏上的"速度"符号频繁问烁,并发出报警声, 上锁成功,整机不工作,但有时又完全正常。分析检修:根据故障现象分析,可能是触摸键过于灵敏,用透明胶带隔离后,试机,故 ...
2018-8-3 12:39
华晟HS-RD1000温热健康垫不加热故障检修
华晟HS-RD1000温热健康垫不加热故障检修
华晟HS-RD1000温热健康垫不加热故障检修一台华晟HS-RD1000温热健康垫,通电后无论怎样调节温控器均不加热。该机由控制器和坐垫两部分组成,实绘电路如图1所示。接通调温开关SW1后,220V市电经C2降压、D1~D4整流及ZD1 ...
2018-8-3 09:44
TCL TJS5052-S20-CAOI-L户户通卫星接收机收台少故障检修
TCL TJS5052-S20-CAOI-L户户通卫星接收机收台少故障检修
TCL TJS5052-S20-CAOI-L户户通卫星接收机收台少故障检修一台TCL TJS5052-S20-CAOI-L户户通卫星接收机,只能收到24套左旋极化节目。测量于头处电压发现接收左旋信号时,LNB供电输出为20.7V,而接收右旋节目时供电电压 ...
2018-8-3 09:34
电工学习热门文章

QQ|门户地图|网站地图|家电维修|手机版|家电维修技术论坛 ( 蜀ICP备14030498号-16 川公网安备51102502000162号 )

GMT+8, 2026-5-15 02:52

Powered by Discuz! X3.4

© 2001-2023 Discuz! Team.

返回顶部