家电维修网

 找回密码
 注册
家电维修网 网站首页 电工学习
订阅

电工学习

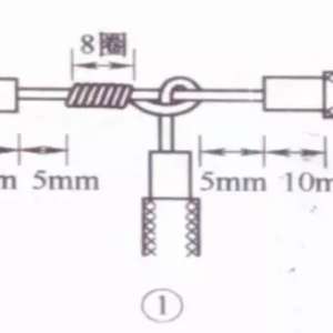
焊工为了“偷懒”做了一个这玩艺
2018-3-19 19:16
关于电工等级证的一些破事
关于电工等级证的一些破事
近来单位一些新入职的电工同行向我打听电工等级证的考取事宜,我劝他们先缓一下。 自上世纪90年代中后期开始,电工从业者被各种上岗证、操作证、技能等级证等各种证件所包围。到现在甚至于无证连求职都困难的地步, ...
2018-3-19 19:04
电动车电池加补充液真的有用吗,经营电瓶11年的师傅为你解答
电动车电池加补充液真的有用吗,经营电瓶11年的师傅为你解答
首先说,我经营电池11年之多,对电池及其使用还是有一定了解,那么电动车电池加补充液有用吗?这个问题要这样看,看看你想有什么用。经常遇到有用户咨询电瓶加补充液的问题,我总是爱反问:为什么想加补充液?他们总 ...
2018-3-16 13:52
水电工必备技能之一:电能表、水表的正确读数方法
水电工必备技能之一:电能表、水表的正确读数方法
水电工被人们尊称为万能工,自己却戏称高级持证勤杂工。不仅要安电、接水管,修门窗,就连查抄电表、水表这些本应是管理干部做的事情,也得做。如此看来,读电表、水表还真是个基本功啊。现在就让我们一起来看看电表 ...
2018-3-16 13:46
带你认识电动车最复杂的一个部件!教会徒弟饿死师傅啊!
带你认识电动车最复杂的一个部件!教会徒弟饿死师傅啊!
电动车里电子元件的应用量很大,虽然说是比较大众化的车型,不过依然有许多东西我们大家是搞不明白的!今天我给大家简单介绍一下关于电动车控制器的那些事情!大家都知道电动车是有控制器的而且怕水很容易坏,但是大 ...
2018-3-16 10:18
电机维修十二知,以后遇到就不怕了
电机维修十二知,以后遇到就不怕了
今天讲讲三相异步电动机在工作过程中遇到的维修问题!一,定子绕组接地故障分析:1.绕组嵌线工艺不当,将槽口低部绝缘压破、槽口绝缘封闭不良、槽绝缘损伤等,均会引起绕组接地(绕组中裸导线与铁芯、机壳相碰)故障 ...
2018-3-16 10:14
分体式智能塑壳断路器在固定式低压柜中的应用
摘要:本文介绍了分体式智能塑壳断路器的结构和功能特点,分析了其在固定式低压拒中的实际应用。 紧接着技术的发展,配电系统信息化、网络化、智能化得到了更广泛的推广,使得分体式智能塑壳断路器更有机会应用在供电 ...
2018-3-14 19:01
220伏电压如何带动三相电动机
220伏电压如何带动三相电动机
这个问题,实际上是如何把单相电变成三相电的问题,如果驱动的电机是三相380伏(一般也是),还涉及到升压问题。早期容济维修变频器时候测试电机,就碰上这种问题,因为市区不好找三相电源,只能通过单相变三相出来 ...
2018-3-12 14:15
家里零线断了为什么会烧电器?看看图解
家里零线断了为什么会烧电器?看看图解
零线断路分两种情况,一般住宅是220V供电,由A/B/C三相之中任意一相和零线(也就是中性线)入户,这样的供电回路是不怕零线断的,最多就是家里所有电器停止,灯不亮,但这只是你家里220V的供电,我会上图的,供电路 ...
2018-3-12 13:50
带你认识电动车最复杂的一个部件!教会徒弟饿死师傅啊!
带你认识电动车最复杂的一个部件!教会徒弟饿死师傅啊!
电动车里电子元件的应用量很大,虽然说是比较大众化的车型,不过依然有许多东西我们大家是搞不明白的!今天我给大家简单介绍一下关于电动车控制器的那些事情!大家都知道电动车是有控制器的而且怕水很容易坏,但是大 ...
2018-3-12 12:23
【维护】电机维修十二知,以后遇到就不怕了
【维护】电机维修十二知,以后遇到就不怕了
今天讲讲三相异步电动机在工作过程中遇到的维修问题!一,定子绕组接地故障分析:1.绕组嵌线工艺不当,将槽口低部绝缘压破、槽口绝缘封闭不良、槽绝缘损伤等,均会引起绕组接地(绕组中裸导线与铁芯、机壳相碰)故障 ...
2018-3-12 11:45
学会摸清电子元器件故障规律,了解损坏特性
一切电子装置如洗衣机、冰箱、空调、计算机、仪器、仪表、汽车电子等都是形形色色的,不同功能的电子电路组成。电子电路的基本单位是电子元器件,它们都有各自的电气参数,如电压电流及功率特性等。元器件是最易损坏 ...
2018-3-10 15:36
电线的几种标准接法。
电线的几种标准接法。
导线的连接情况有:单股铜芯导线的直线连接、T字形连接;双股线的对接;多股铜芯导线的直线连接、T字形连接;不等径铜导线的对接;单股线与多股线的T字分支连接;软线与单股硬导线的连接;铝芯导线用压接管压接;铝 ...
2018-3-9 16:07
导线连接处用绝缘胶带包扎的标准方法图解
导线连接处用绝缘胶带包扎的标准方法图解
在各种安装维修过程中,经常要对各种电线进行对接。为了进行连接,导线连接处的绝缘层已被去除。导线连接完成后,必须对所有绝缘层已被去除的部位进行绝缘处理,以恢复导线的绝缘性能,恢复后的绝缘强度应不低于导线 ...
2018-3-9 15:41
吸顶机(天花机)清洗技术学习视频
2017-03-09维修人家
2018-3-9 15:35
电工学习热门文章

QQ|门户地图|网站地图|家电维修|手机版|家电维修技术论坛 ( 蜀ICP备14030498号-16 川公网安备51102502000162号 )

GMT+8, 2026-5-14 04:32

Powered by Discuz! X3.4

© 2001-2023 Discuz! Team.

返回顶部