LM317可调稳压电源
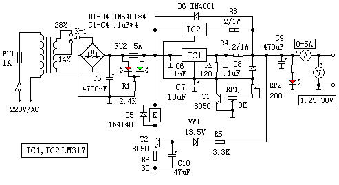
这里介绍的可调稳压电源可以实现从1.25V~30V连续可调,输出电流可到4A左右。采用最常见的可调稳压集成电路LM317组成电路的核心,关于LM317的详细指标参数可参阅用LM317制作简易电源电路。下面简单介绍一下该电路的特点。 本电路中,由T2、D5、VW1、R5、R6、C10及继电器K构成自适应切换动作电路。当输出电路低于14V时,VW1因击穿电压不够而截止,无电流通过,T2截止,K不吸合,其触点K在常态位置,电路输入电流14V交流电。反之当输出电压高于14V时,VW1击穿导通,T2亦导通,继电器K吸合,28V交流电接入电路。这样可以保证输入电压与输出电压差不会大于15V,此时,LM317输出电流典型值为2.2A。图中采用了两块LM317供电,整个电路输出电流可在4A以上。由于两块LM317参数不可能一样,电路中在LM317输出端串接了小阻值电阻R3、R4,用以均分电流。 输出电压调整由RP1、RP2完成。附加晶体管T1的目的在于避免电位器RP1滑动端接触不良,使W317调整公共端对地开路,造成输出电压突然变化,损坏电源及负载。 双色发光二极管作为保险丝熔断指示器(红光)兼电源只是器(橙色光)。当电源正常时,两只发光二极管均加有正向电压,红、绿发光二极管均发光,形成橙色光。当保险丝FU2断开时,仅红色发光管加有正向电压,故此时只发红光。 为保证稳压准确,设计电路板时主电流回路应足够宽,并焊上1mm以上的铜导线或涂锡,以减少纹波电压。C6、C8尽量靠近LM317的输入、输出端,并优先采用无感电容。C5如无合适容量,可用几只电容并联。R3、R4可用锰丝自制。 调试时,调整RP1、RP2应使继电器在电源输出14V左右时吸合,否则可调换稳压二极管再试。

- 刊登此文只为传递信息,并不表示赞同或者反对作者观点。
- 如果此内容给您造成了负面影响或者损失,本站不承担任何责任。
- 如果内容涉及版权问题,请及时与我们取得联系。
上一篇:电火锅功率调节电路
下一篇:用6N11电子管制作的前级放大器

文章评论