松下42PV70C型等离子常见维修(Ⅱ二部分)
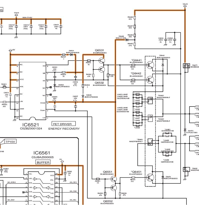
2、能量回收电路:松下42PV70C等离子PDP电视屏幕等效成一个很大的电容,在维持放电发光显示图像时,需要给屏幕加一个200VP的方波,方波的波顶是200VP,波谷是0V。方波的周期是5uS,频率是200K。200V的正方波加到屏幕上时,肯定会对屏幕的等效电容充电。波谷0V加到屏幕上(正方波消失)时,屏幕上的等效电容肯定会对地放电。这样PDP屏幕等效电容会消耗很大的电能。为此,设计了能量回收电路。能量回收电路需要2个时序脉冲来控制,分别:CSH、SCL。这两个脉冲都在D(逻辑)板产生的,通过SC板的SC20插座8脚和9脚送到SC板内。见前面插图中的SC20插座图。CSH、SCL分别加到IC6562的11、13脚。在内部经放大后,分别从9、7脚输出。分加加到驱动集成电路IC6521:12、14脚。其中12脚是高端驱动输入HIN,14脚是低端驱动LIN输入。IC6521是大功率埸效应管驱动专用集成电路,双列16脚封装。左面的8个脚是驱动电路的初级(输入端),右面的8个脚是带有自举升压电路的驱动输出端。有关电路见图:
IC6521是大功率MOS管驱动专用集成电路,11脚是15V电源端子,7脚是用于高端驱动的自举升压电源输入端。L6411、L6412、L6413与屏幕的等效电容构成串联谐振,用于把屏幕电容上的电荷吸收到能量回收电容C6531、C6532上来。L6401、L6402、L6403也与屏幕电容构成串联谐振,用于把能量回收电容上的电能充到屏幕等效电容上去。L6401、L6411电感的右端与屏幕的扫描电极相接(通过二极管和大功率MOS管与扫描电极相连)。
(1)屏幕电容上电能的回收:当CSL脉冲到来时(5VP),加到IC6521的14脚,其1脚输出高电平,加到对管Q6551、Q6552的基极,此时Q6552截止,Q6551导通,15V电源能过以下回路流通:15V正端-------R6507----D6521--------R6509------D6523------Q6551:C极----------E极--------R6553---------地。上述电流在Q6551的E极输出高电平,加到Q6451的G极,Q6451导通,屏幕电容上的电荷通过L6411、L6412、L6413-----------L6481、L6482-------D6481------Q6451--------C6531、C6532正极----------C6531、C6532负极到地。这样就把屏幕电容上的电荷回收到能量回收电容C6531、C6532上。正常工作时,能量回收电容到地的电压大约是80V。约为VSUS电压的一半,因此又称为中点电压V0。测量V0电压是否是VSUS电压的一半,是检测SC板是否工作正常的一个重要标志。
(2)能量回收电容上电能的再利用:CSL与SCH这两个时序脉冲互为反相,这两个脉冲的顶部都是5VP,波底是0V。也就是说当CSL是高电平5V时,CSH肯定是0V,当CSH是高电平5V时,CSL肯定是0V。这样可以确保上管Q6441、Q6442与下管Q6451交替导通。当CSH脉冲为高电平时,IC6521:8脚输出为高电平,这将使Q6531导通,Q6532截止,Q6531:E极输出高电平,使上端输出管Q6441、Q6442导通,能量回收电容上的电压产生以下电流:能量回收电容C6531、C6532上端---------Q6441、Q6442:D极-----------S极-------------D6461、D6462---------L6401、L6402、L6403--------向右侧输出给PDP屏幕电容充电。这样就把能量回收电容上的电能又返回到屏幕。使屏幕电容储存的电能得到充分利用。提高了电源的利用效率,降低了电源的功耗。
(3)能量回收开关管Q6451的自举升压驱动电路:前面讲过:在能量回收电路正常工作时,能量回收电容 即Q6451的E极到地电压是中点电压V0,该电压值是80V。那么加到Q6451:G极的驱动方波顶部就必须在80V的基础上再高10V(一般来讲:大功率MOS型埸效应管,只有当G极电位比S极电位高10V时,该管才能可靠导通),现在E极是80V,那么,要想让Q6451深导通,G极电位至少应当是80+10=90V。为此设计了电阻分压电路:R6468、R6467、R6466、R6465,这个分压电路最上端的电阻R6468接VSUS电压,最下端的电阻6465接在中点电压C6531、C6532的正有。经过计算可得:R6465上分得上正下负的电压11V,这个11V电压就是悬浮在中点电压之上的。经过D6566加到Q6451的C极,同时加到IC6521:3脚,作为驱动Q 6451的电源电压。在开机瞬间V0电压还没有建立时,15V电源作为Q6451的驱动电源,电流如下:15V--------R6507-----D6521--------R6509--------D6523-------对C6525、C6527充电。这两个电容上的电压,就作为驱动电压。当中点电压逐渐升高最后达到80V时,R6465上端的电压达到91V,通过D6566,使C6527到地电压也达到90V,也就是D6523负极到地为90V,正极到地为14V,所以D6523截止。也就是在正常工作时,D6523是截止的。因为IC6521:6脚接中点电压(C6531、C6532上端),所以6脚到地电压是80V直流。因为D6566、C6527的自举升压作用,3脚电压比2脚电压高10V,所以3脚到地电压是90V,1脚输出的脉冲波顶到地是90VP,波底到地是80V直流电压。
Q6441、Q6442的自举升压驱动电路:PDP电视机在正常工作时,加在PDP屏幕扫描电极上的方波电压是190VP。即在正方波到来时,SC电极到地电压是190V,正方波过去后,屏幕SC电极到地电压是0V。当屏幕到地电压是0V时,自举升压电容开始充电:15V--------R6507------D6521-----C6524-------D6461--------L6401--03-----------D6621----------Q6421(此时这个管正好导通)--------大地。上述电流给C6524充上了15V电压。该电压加到Q6531:C极、IC6521:7脚,做为驱动电路的自举电源。从电路图上可看出:C6531上的电压加到Q6441、Q6442的C极,作为这两个管子的C极电源,因此,这两个管子导通时,Q6441、Q6442的E极即IC6521:6脚到地电压是80V,而当PDP屏幕上的电压为0V时,IC6521:6脚到地电压也是0V。因此实测6脚到地电压是80VP的脉冲,脉冲底部是0V。因为D6521、C6524升压的作用,7脚的峰值比6脚高15V,因此,实测7脚到地是95VP的脉冲,波形底部是0V。8脚也是95VP的脉冲,波形底部是0V。(本资料由北京松下等离子电视维修中心整理)
本文未完待续,这里下载松下th 42pv70c等离子电视维修手册谢谢!
- 刊登此文只为传递信息,并不表示赞同或者反对作者观点。
- 如果此内容给您造成了负面影响或者损失,本站不承担任何责任。
- 如果内容涉及版权问题,请及时与我们取得联系。


文章评论