松下42PV70C型等离子常见维修(Ⅱ二部分)
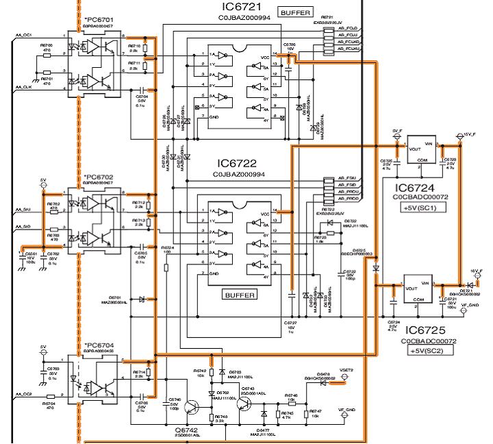
5、 松下42PV70C等离子电视SU、SD板脉冲缓冲器的保护电路:见下图中的Q6742、Q6743。该保护电路启动与否主要是受VSET2电压控制。正常时VSET2电压是14V,这个电压
是以VAD电压为地的。即悬浮在VAD电压之上。VSET2电压正常时,这个14V电压经D6478、R6746加到Q6743基极,Q6743导通C极为低电平,该低电平使D6703、Q6742截止,从而不影响IC6722:1脚、5脚、13脚的输入信号波形。当VSET2意外消失时,Q6703截止,其C极为高电平,一方面引起Q6742导通,把PC6704:4脚的OC2信号短路到地。切断OC2信号。二是Q6743:C极的高电平经D6703加到IC6722的1脚,使该脚恒为高电平,切断了SIU信号的输出。上述信号的切断,就使SU、SD板停止工作。防止因为VSET2电压的异常导致故障扩大。
四、松下42PV70C等离子电视屏幕扫描电极维持方波驱动电路:松下PDP电视机屏幕属于交流驱动,SC板需要给扫描电极加上190VP-P的交流方波,方波的顶部是190VP,方波的底部是0V,屏幕维持放电发光占整机功耗的80%,所以驱动电路输出到屏幕的交流电流是很大的。因此,输出级要用大功率管多管并联输出。下面祥细讲解SC板维持驱动脉冲产生的过程:
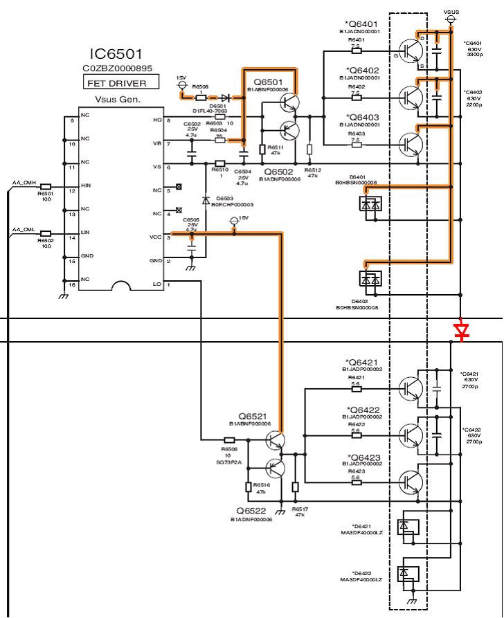
1、松下42PV70C等离子电视D板(逻辑板)产生CMH、CML两个互为反相的5VP方波,加到SC板SC20插座的5脚和6脚,分别加到脉冲缓冲放大器IC6562:15、17脚,经内部缓冲放大后分别从5、3脚输出(这部份电路在上面已经讲过),分别加到埸效应管推动IC6501:12、14脚,14标为LIN,称为低端推动信号输入端,12标为HIN,称为高端推动信号输入端。IC6501是大功率埸效应管驱动专用集成电路,双列16脚封装。左面的8个脚是驱动电路的初级(输入端),右面的8个脚是带有自举升压电路的驱动输出端。有关电路见图:
IC6501的电源是15V,加到3脚,7脚是高端驱动自举升压电源输入端。低端推动输出电路:负责输出维持脉冲波形中的底电平:0V。即把PDP屏幕扫描电极拉低到0V,形成维持脉冲的波谷。当+5V脉冲CML加到IC6501:14脚时,该IC的1脚输出高电平,加到对管Q6521(NPN)、Q6522的基极,Q6522截止,Q6521导通,+15V电压通过导通的Q6521的C极----E极加到后面的三个大功率埸效应管的基极,这三个管同时导通,把PDP屏扫描电极接地。实现了输出维持波形的波谷:0V电平。三个大功率MOS管Q6421、Q6422、Q6423的G极和S极间有很大的分布电容,要想讯速的闭合这三个开关管,就要求驱动电路输出大的驱动电流对这个分布电容进行快速充电,要使使这三个开关管讯速截止,就要求驱动电路能快速抽出G极分布电容上的电荷。因此要求驱动电路有足够大的灌流能力和抽流能力,IC6501:1脚输出高电平时,Q6521深导通,15V电压通过Q6521对三个MOS管G极进行快速充电,当IC6501:1输出0V时,Q6522深导通,把三个MOS管G极电容上的电荷快速泄放。因此,Q6521、Q6522主要是为了提高三个大功率管的开关速度,减小开关管的开启损耗和关断损耗。高端推动输出电路:负责输出维持脉冲波形中的高电平:190VP。即把PDP屏幕扫描电极电压上拉到190V峰值,形成维持脉冲的波峄。输出级要输出幅度为190VP的高脉冲,则前级的驱动电路供电要大于190V电压。这将使电路的功耗增加、电源电路变得很复杂。为此在高端输出电路中采用了自举升压电路。升压电路的原理和CRT电视机中的埸输出电路的升压原理一样。见上图所示:当CML为高电平(此时CMH为低电平)、低端输出电路导通时,Q6421、Q6422、Q6423导通,这三个管的D极为0V,此时,+15V电源要给升压电容C6504充电,充电电流如下:15V电压------R6508-------D6501------C6504-----红色二极管-----------Q6421、Q6422、Q6423--------地。上述电流给C6504充电,极性为上正下负。充电时,IC6501:8脚CMH为低电平,Q6501、Q6502截止,不影响充电正常进行。
当CMH为高电平时,CML为低电平。此时IC6501:12为高电平,8脚也输出为高电平,1脚输出低电平。1脚的低电平快速的关断低端输出的三个大功率管Q6421、Q6422、Q6423。8脚输出的高电平加到Q6501、Q6502的基极,Q6501导通,Q6502截止,Q6501导通后E极输出高电平,加到三个大功率MOS管Q6401、Q6402、Q6403的G极,这三个管子同时导通,VSUS(190V电压)通过这三个MOS管的D极------S极输出,所以此时这3个MOS管的S极电压是190V,此时C6504下端与Q6401:S极是连接在一点的,因此C6504的下端也是190V,则C6504的上端是190V+12V=202V。此时D6501负极是202V,正极是15V,因此D6501截止。C6504两端存贮的12V电压,一方面加到Q6501的C极,作为Q6501的工作电源。另一方面也通过R6504,加到C6501:7脚,作为IC内高端驱动电路的电源。在实际的检修中发现:C6504因为工作在高频大电流状态,容易损坏。它一旦损坏,就会连带引起:D6501、R6508、R6504损坏。上述的高端输出管Q6401—6403与低端输出管Q6421-----Q6423组成一个类似于音频功放OCL放大器,因为D板输出的CMH、CML时序脉冲互为反相,就使高端与低端输出管交替导通。如果D板输出的CMH、CML时序脉冲相位错乱,两者同时出现高电平,则高端输出管与低端输出管同时导通,从而把VSUS电压短路到地,将瞬间烧毁高端与低端输出管。另外,如果高端输出管或是低端输出管中,有任何一个输出管击穿,通电开机后,势必也会把另一端的输出管因为短路击穿。因此,在SC板内,烧毁大功率的输出管时,一烧就会烧一片功率管,不会只烧一只功率管。这是SC板电路的故障特点。(本资料由北京松下等离子电视维修中心提供)
本文出自家电维修网: http://www.bjjdwx.com/panasonic/tv6743.html欢迎转载,转载请保留链接。
- 刊登此文只为传递信息,并不表示赞同或者反对作者观点。
- 如果此内容给您造成了负面影响或者损失,本站不承担任何责任。
- 如果内容涉及版权问题,请及时与我们取得联系。




文章评论