一种手摇式自发电手电筒电路剖析
有时我们的手电筒的电池没有电了,一时又买不到电池,又急需照明,或许本文介绍的手摇式自发电手电筒能够解决你的燃眉之急。
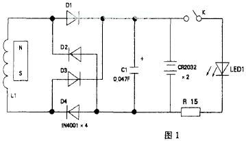
该手摇动式自发电手电筒电路原理如图1所示。其结构示意图如图2所示。在使用电筒时,摇动电筒使它的磁铁7上下移动,通过线圈6即产生电能,再经图2中的D1-D4整流,C1贮能向电池CR2032充电通过开关控制使发白光二极管发光而实现自发电的功能。

在图1中,1为圆筒形的塑料骨架;2为发白光二极管3为电路板;4为用铜片制作的开关;5为予留的CR2032电池位置;6为空芯线圈,电感量约33mh,线径约φ.2mm;7为强力磁铁,应使它能在圆筒内顺利的上下移动。8为聚焦镜片,它与塑料骨架之间装有橡胶密封圈,使光线更加集中,射程更远;9为橡胶减震圈,避免磁铁直接冲击塑料骨架。将上面的材料作为一体,然后放入右面的塑料电筒外壳10内。电筒的滑动开关11与电路板的铜片相对应,再旋上电筒盖12。这个电筒就能使用了。
我们可以上下摇动这个电筒。它就能源源不断地发光了。由于采用了超亮度的发白光二极管并且有镜片聚焦,亮度和射程大于只使用聚焦电殊的五号电池手电筒。但这个电筒亦有个显著的缺点,就是要不停地摇才能不断地发光。为了克服这个缺点和节约成本,我们没有采用锂充电池增加储能。而是在C1两端并接两只CR2032锂电池。实践证明,由于这个电筒的耗电量约为30mA,新的电池可以用较长的时间,电量不足时摇动电筒又能用上一段时问。反复多次后电池完全失效后,取下电池仍然可以继续工作。如果你的经济条件许可,将电池换成锂充电电池那是最理想的了。
- 刊登此文只为传递信息,并不表示赞同或者反对作者观点。
- 如果此内容给您造成了负面影响或者损失,本站不承担任何责任。
- 如果内容涉及版权问题,请及时与我们取得联系。
上一篇:摩托车电子喇叭的制作
下一篇:LED手电筒驱动电路原理

文章评论