家电维修网

 找回密码
 注册
搜索附件  
家电维修网 附件中心 【音响功放维修技术论坛】 音响功放维修 YAMAHA雅玛哈RX-V692维修手册.zip

YAMAHA雅玛哈RX-V692维修手册.zip

 

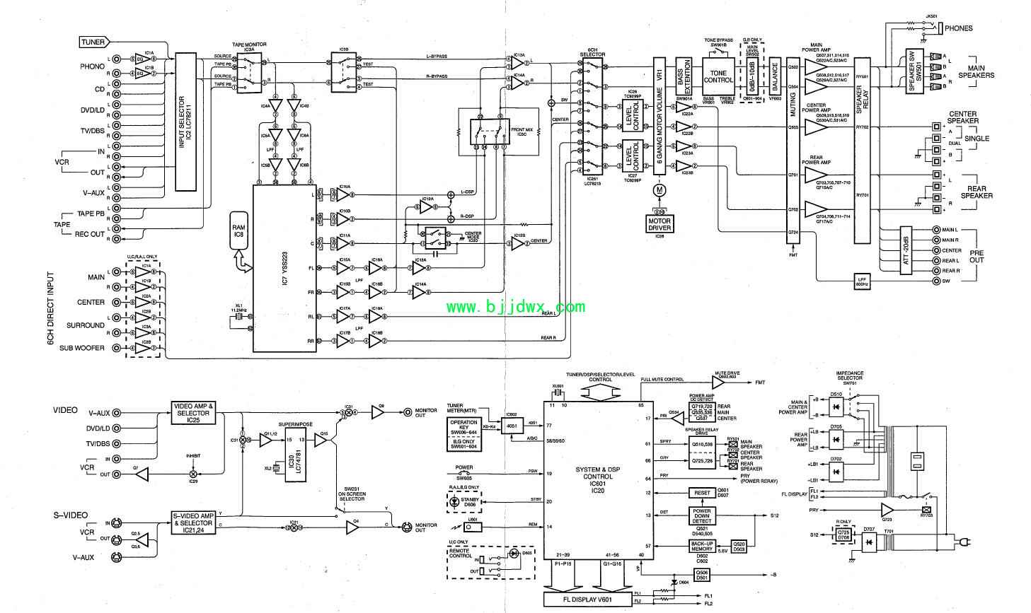
雅马哈RX-V692维修手册:
雅马哈RX-V692维修手册
我正急需要它,谢谢楼主的提供。
谢谢!本人的692功放有问题了,想查查看。

QQ|门户地图|网站地图|家电维修|手机版|家电维修技术论坛 ( 蜀ICP备14030498号-16 川公网安备51102502000162号 )

GMT+8, 2026-3-20 09:13

Powered by Discuz! X3.4

© 2001-2023 Discuz! Team.

返回顶部