开关电源原理与检修方法.pdf (4.93 MB)
松下TH-42PV70C等离子彩电维修手册(1).pdf (23.22 MB)
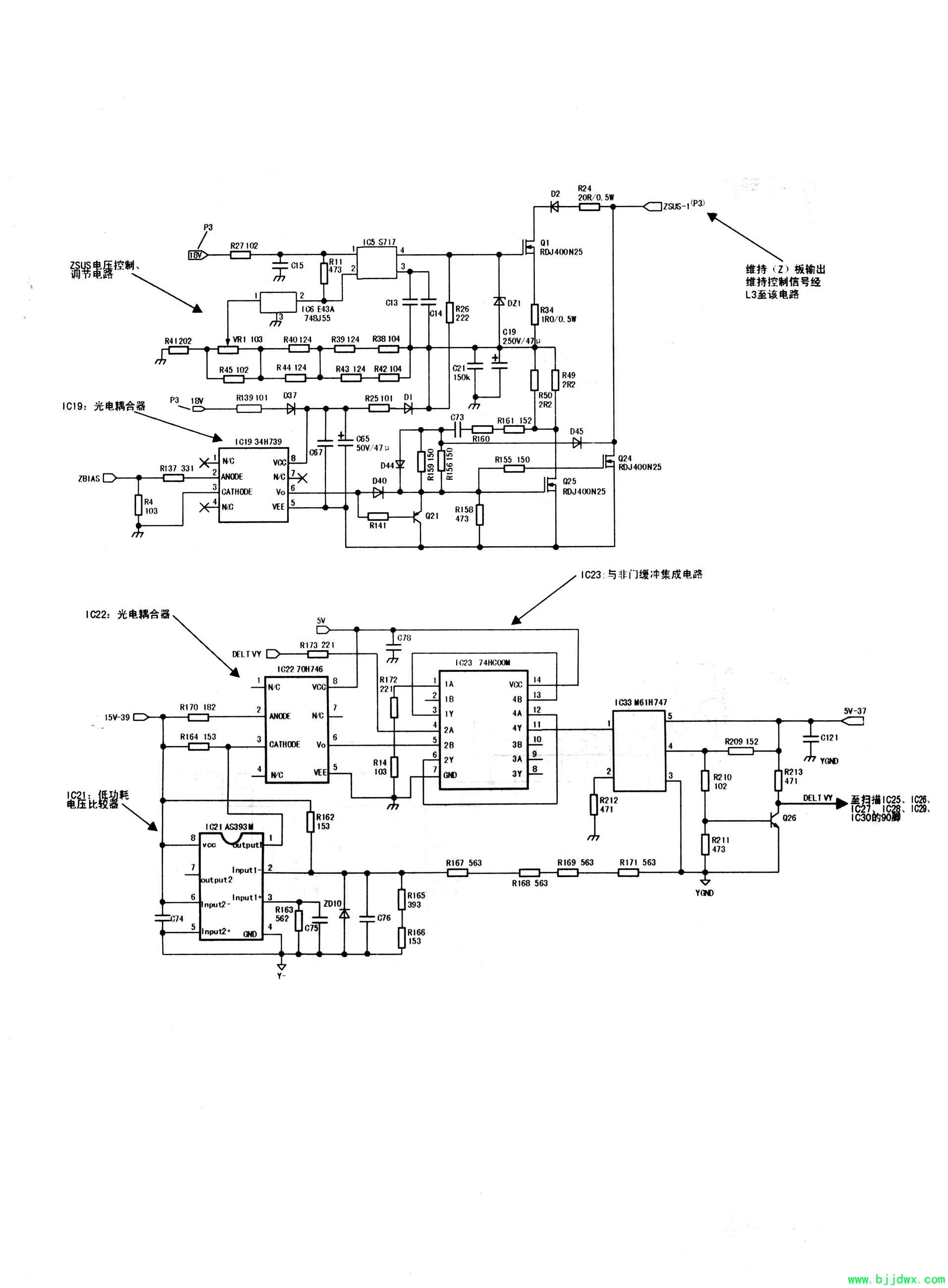
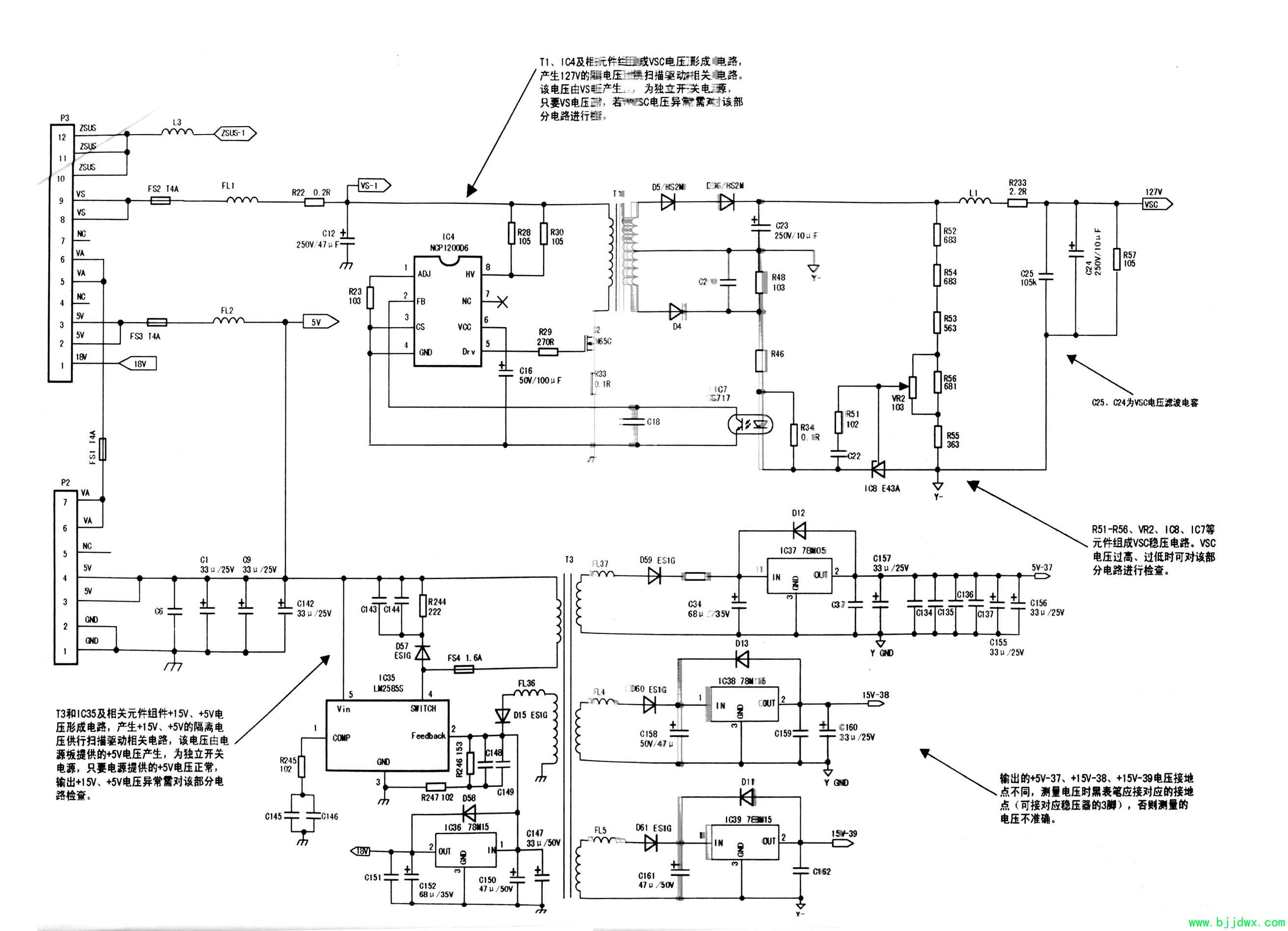
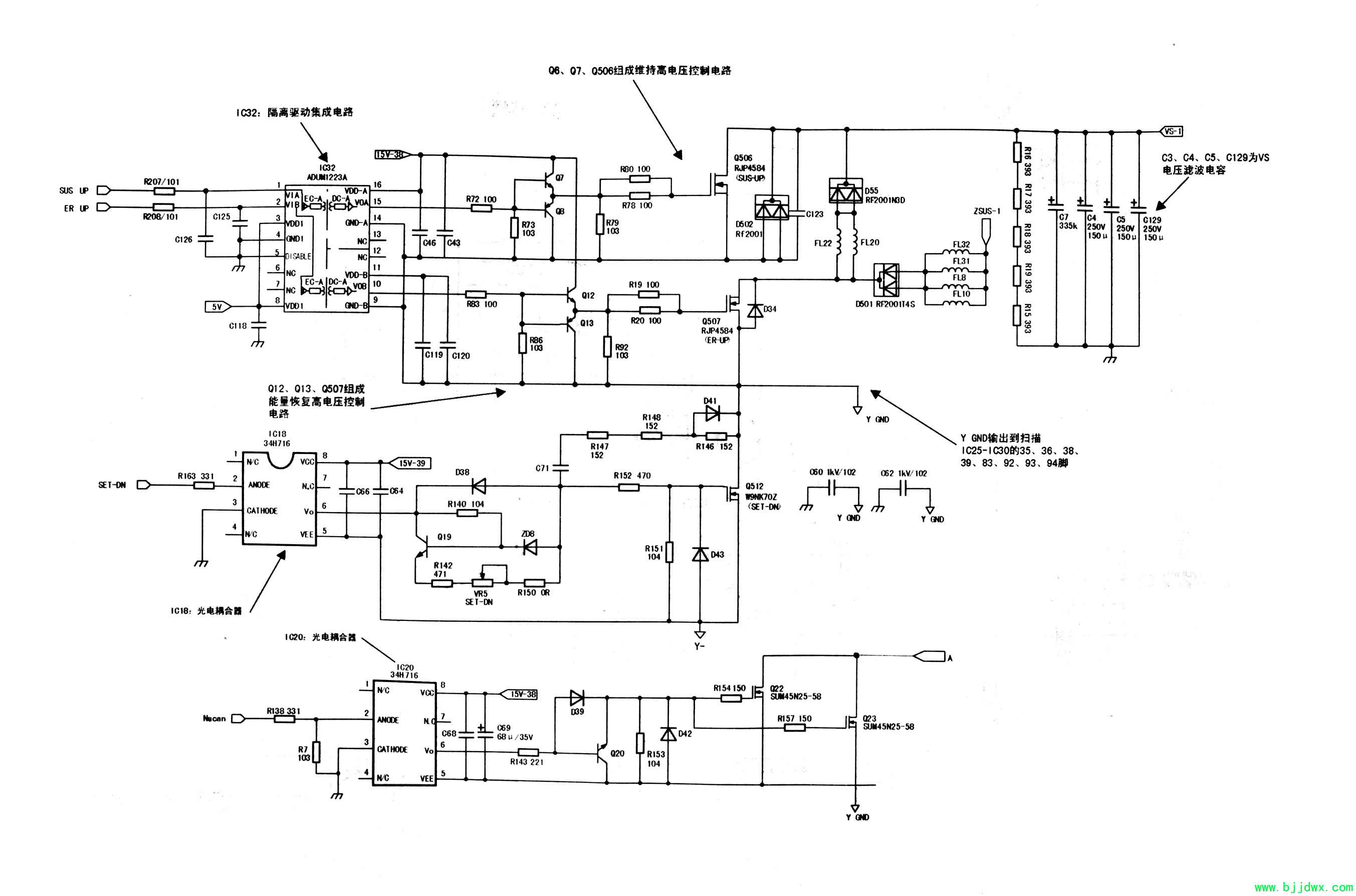
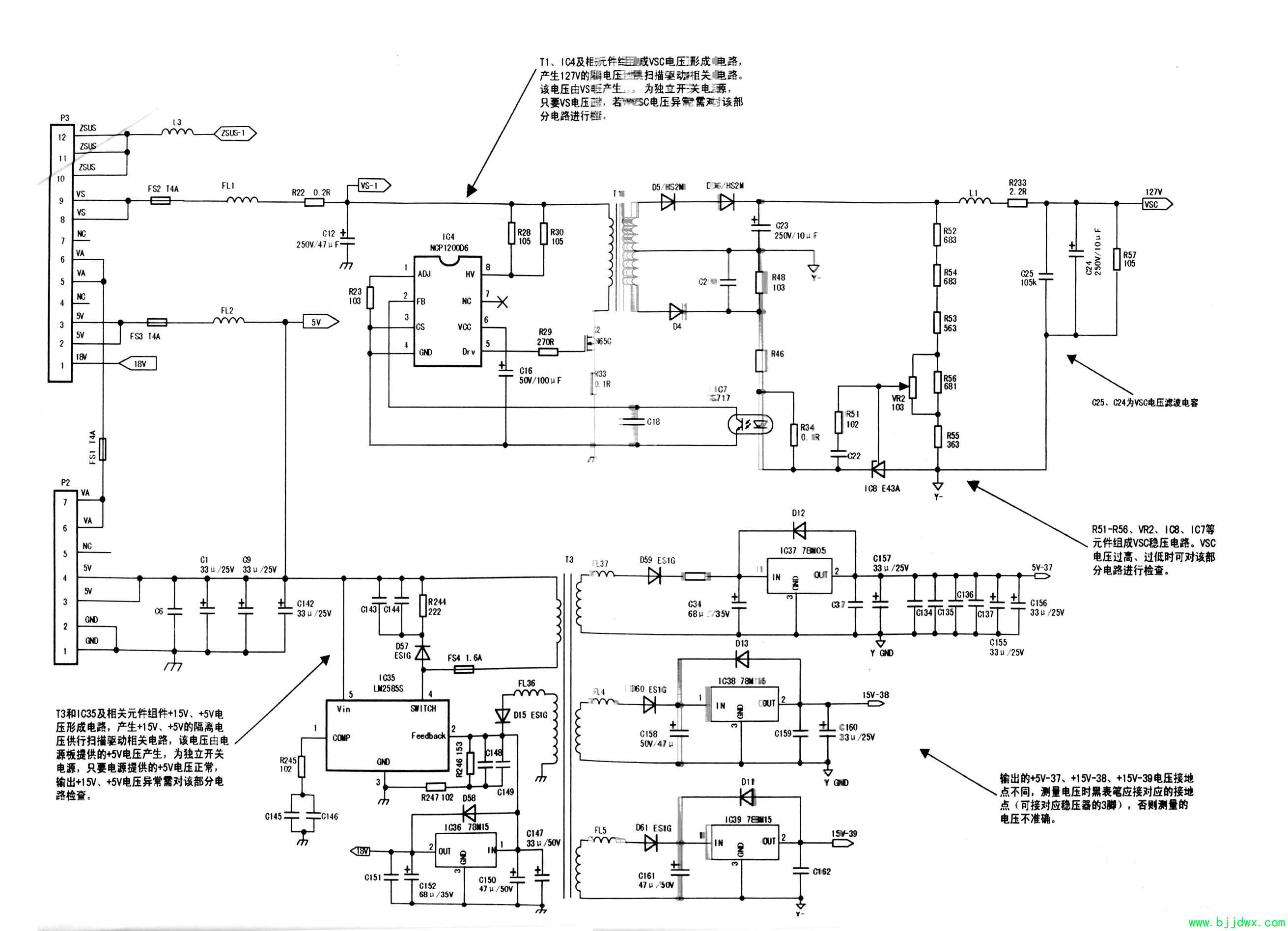
松下TH-50PV70C等离子彩电维修手册(1).pdf (22.82 MB)
1235-1459电源板更改方案.pdf (271.43 KB)
HS180S-4MF01原理图(2010.6.1).pdf (93.54 KB)
HS488-4N01.pdf (301.09 KB)
HS488-4N01.pdf (301.09 KB)
iphone5 原理图.pdf (1.5 MB)
IPhone6 plus原厂电路原理图纸.pdf (4.37 MB)
iphone6原理图电路图820-3486.pdf (3.04 MB)
JSK4330-007电源板线路图_20080221020017809.pdf (1.04 MB)
l32v6图纸.pdf (347.78 KB)
LED背光AP3041.pdf (463.9 KB)
LED电视机原理与维修之LCD背光板.doc (18 KB)
l32v6图纸.pdf (347.78 KB)
LED背光AP3041.pdf (463.9 KB)
LED电视机原理与维修之LCD背光板.doc (18 KB)
LTM270CS01.pdf (489.63 KB)
LVDS屏線專業製造商 立熙電子簡介 需要的朋友請保留.pdf (192.95 KB)
MST6M181方案 T2大板多媒体LC_2011110709480438.pdf (820.86 KB)
NCP1207构成的SR同步整流电路.pdf (32.36 KB)
OZ9902_引脚功能及实测电压.pdf (271.54 KB)
P32TQF电源背光一体板图纸168P-P32TQF-00(www.jdwx.info).pdf (127.85 KB)
PDP503CMX_先锋.pdf (6.5 MB)
PS30i机芯主板电路原理图.pdf (489.61 KB)
RTD2648用JT1199升级的方法.pdf (452.68 KB)
sony 1-883-861-11 aps-282 電源線路圖.pdf (643.56 KB)
TET-LCD模块TCON和DCDC.pdf (347.94 KB)
PS30i机芯主板电路原理图.pdf (489.61 KB)
RTD2648用JT1199升级的方法.pdf (452.68 KB)
sony 1-883-861-11 aps-282 電源線路圖.pdf (643.56 KB)
TET-LCD模块TCON和DCDC.pdf (347.94 KB)
www.ifix.net.cn_逻辑板的维修方法.pdf (1012.38 KB)
www.ifix.net.cn_逻辑板的维修方法2.pdf (1012.38 KB)
YB01电源.pdf (502.77 KB)
液晶電視邏輯板維修方法.pdf (495.5 KB)
液晶屏、逻辑板故障判断.pdf (970.19 KB)
液晶屏供电电压表.pdf (36.92 KB)
液晶屏与屏线修复专题------纯手工焊接屏线实践操作横财总结.doc (398.5 KB)
英华家电维修软件提供资料-松下-TH-42PV8C-中文维修手册.pdf (15.02 MB) Powered by Discuz! X3.4
© 2001-2023 Discuz! Team.