家电维修网

 找回密码
 注册
搜索附件  

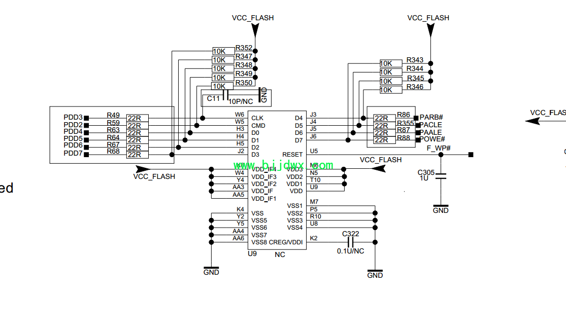
JUC7.820.00075115 ZLM41A-IJ.rar

 

80种 EMMC点位图:
TCL

QQ|门户地图|网站地图|家电维修|手机版|家电维修技术论坛 ( 蜀ICP备14030498号-16 川公网安备51102502000162号 )

GMT+8, 2026-5-14 18:09

Powered by Discuz! X3.4

© 2001-2023 Discuz! Team.

返回顶部