家电维修网

 找回密码
 注册
搜索附件  

RX-V375 HRT-2866 HTR-3066.pdf

 

雅马哈375维修请教:
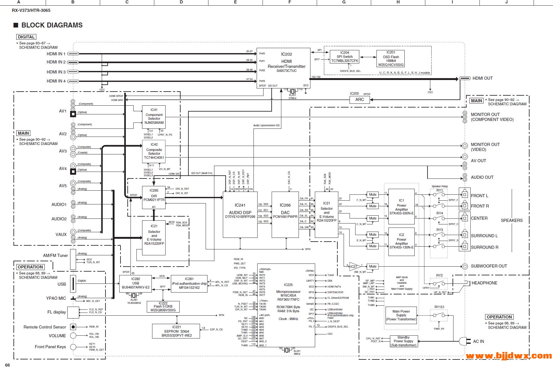
雅马哈375,15年11月生产,现症状为,声音大部分时间没有,偶尔会有声音。所有切换都没有声音,包括收音机,音频输入。但机器本身自带的测试音就有。将音量调到最大,可听见明显的噪音。其他包括图像,遥控,机器控制一切正常。请教这可能是什么问题?

QQ|门户地图|网站地图|家电维修|手机版|家电维修技术论坛 ( 蜀ICP备14030498号-16 川公网安备51102502000162号 )

GMT+8, 2026-3-19 19:14

Powered by Discuz! X3.4

© 2001-2023 Discuz! Team.

返回顶部