家电维修网

 找回密码
 注册
搜索附件  

1S2473-Rohm.pdf

 

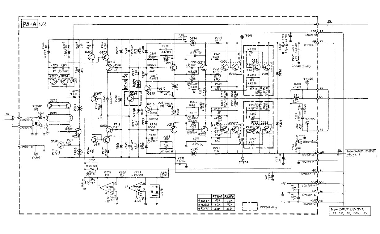
YAMAHA 雅马哈P2150后级功放.那个师傅知道这个是什么二极管?和参数:
本帖最后由 黄成生 于 2017-4-6 06:25 编辑

YAMAHA 雅马哈P2150后级功放机-D203-D204-D214-D215-D303-D304-D314-D315型号是LTZ-R17

QQ|门户地图|网站地图|家电维修|手机版|家电维修技术论坛 ( 蜀ICP备14030498号-16 川公网安备51102502000162号 )

GMT+8, 2026-3-19 19:15

Powered by Discuz! X3.4

© 2001-2023 Discuz! Team.

返回顶部