家电维修网

 找回密码
 注册
搜索附件  

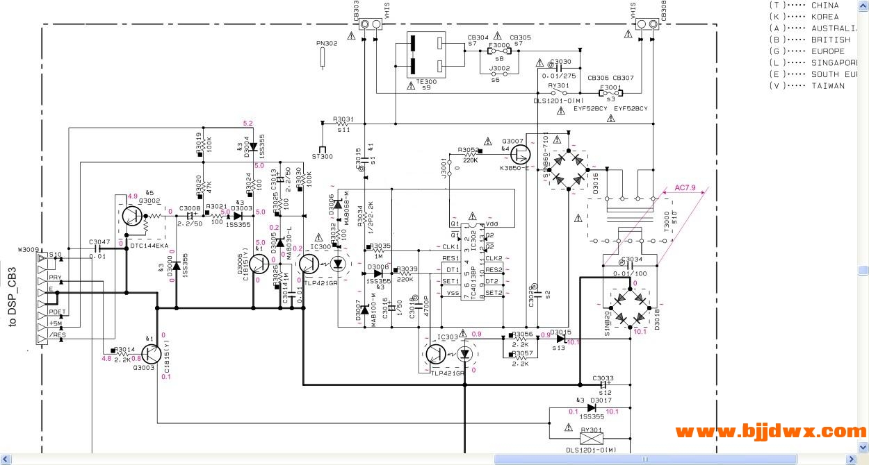
rxv557_cpu.pdf

 

雅马哈RX-V557开机1秒保护:
一台RX-V557是三无故障,无任何反应,已修过电源,更换C4开路(223J),Q6击穿(2SK3850),IC3内部短路(TC4130),更换之后开机1秒关机,同时按面INPUT    MODE加MULTICHINPRU再的按开机键3秒,进了工厂模式不不再关机,自检显示PS  PRT   :098   K      接通音源能放大,测+5M(4.9V),RES(3V,数字表测4.7V.),PDET(3V,数字表测4.8V),S10(10V,数字表测10.1V),强制开机久了T401变压器有点烫,,求大神指导

QQ|门户地图|网站地图|家电维修|手机版|家电维修技术论坛 ( 蜀ICP备14030498号-16 川公网安备51102502000162号 )

GMT+8, 2026-3-19 19:14

Powered by Discuz! X3.4

© 2001-2023 Discuz! Team.

返回顶部