家电维修网

 找回密码
 注册
搜索附件  
家电维修网 附件中心 家电维修技术求助与技术专栏 快速求助 Pioneer先锋M-90音响图纸.pdf

Pioneer先锋M-90音响图纸.pdf

 

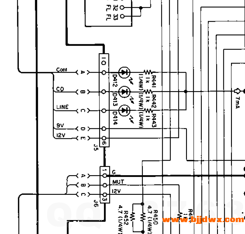
Pioneer先锋M-90后级的师傅你们好!是否麻烦那个师傅帮帮忙看看这个是什么型号的稳...:
本帖最后由 黄成生 于 2017-1-22 22:37 编辑

师傅你们好!是否麻烦那个师傅帮帮忙看看这个是什么型号的稳压二极管?图中的D142和D143.

QQ|门户地图|网站地图|家电维修|手机版|家电维修技术论坛 ( 蜀ICP备14030498号-16 川公网安备51102502000162号 )

GMT+8, 2026-3-19 11:20

Powered by Discuz! X3.4

© 2001-2023 Discuz! Team.

返回顶部