超高频无源RFID标签的一些关键电路的设计
本文针对超高频无源RFID 标签芯片的设计,给出了一些关键电路的设计考虑。文章从UHF RFID标签的基本组成结构入手,先介绍了四种电源恢复电路结构,以及在标准CMOS 工艺下制作肖特基二极管来组成倍压电路的解决方案。然后针对电源稳压电路,提出了串联型和并联型两种稳压电路。文章针对ASK 包络解调电路,提出了新的泄流源的设计。最后,文章介绍了启动信号产生电路的设计考虑。
1 引言
超高频无源RFID 标签(UHF Passive RFIDTag)是指工作频率在300M~3GHz 之间的超高频频段内,无外接电源供电的RFID 标签。这种超高频无源RFID 标签由于其工作频率高,可读写距离长,无需外部电源,制造成本低,目前成为了RFID 研究的重点方向之一,有可能成为在不
久的将来RFID 领域的主流产品。
对于UHF 频段RFID 标签的研究,国际上许多研究单位已经取得了一些出色的成果。例如,Atmel 公司在JSSC 上发表了最小RF 输入功率可低至16.7μW的UHF 无源RFID 标签[1]。这篇文章由于其超低的输入功率,已经成为RFID 标签设计的一篇经典文章,被多次引用。在2005 年,JSSC 发表了瑞士联邦技术研究院设计的一款最小输入功率仅为2.7μW,读写距离可达12m 的2.45G RFID 标签芯片[2]。在超小、超薄的RFID 标签设计上,日本日立公司在2006年ISSCC 会议上提出了面积仅为0.15mm×0.15mm,芯片厚度仅为7.5μm 的RFID 标签芯片。国内在RFID 标签领域的研究,目前与国外顶尖的科研成果还有不小的差距,需要国内科研工作者加倍的努力。
图1 UHF 无源RFID 芯片的结构图
如图1 所示,一个完整超高频无源RFID 标签由天线和标签芯片两部分组成,其中,标签芯片一般包括以下几部分电路:
- 电源恢复电路
- 电源稳压电路
- 反向散射调制电路
- 解调电路
- 时钟提取/产生电路
- 启动信号产生电路
- 参考源产生电路
- 控制单元
- 存储器
无源RFID 标签芯片工作时所需要的能量完全来源于读卡器产生的电磁波的能量,因此,电源恢复电路需要将标签天线感应出的超高频信
号转换为芯片工作需要的直流电压,为芯片提供能量。本文第2 部分将介绍电源恢复电路的设计。由于RFID 标签所处的电磁环境是十分复杂
的,输入信号的功率可以变化几百甚至几千倍,因此,为了芯片在大小不同的场强中均可以正常工作,必须设计可靠的电源稳压电路。本文第3部分将对电源稳压电路的设计进行说明。调制与解调电路是标签与读卡器进行通信的关键电路,目前绝大部分的UHF RFID 标签采用的是ASK调制,本文在第4 部分对调制与解调进行介绍。RFID 标签的控制单元是处理指令的数字电路。为使标签在进入读卡器场区后,数字电路可以正确复位,以响应读卡器的指令,必须设计可靠的启动信号产生电路,用来提供数字单元的复位信号。本文在第5 部分将讨论启动信号产生电路的设计。
2 电源恢复电路
电源恢复电路将RFID 标签天线所接收到的超高频信号通过整流、升压等方式转换为直流电压,为芯片工作提供能量。电源恢复电路具有多种可行的电路结构。如图2 所示是目前常用的几种电源恢复电路[3][4]。
图2 (a) 二极管倍压电路(Dickson 电荷泵)
图2 (b) 二极管接法pmos 管倍压电路
图2 (c) 二极管全波整流电路
图2 (d) 栅交叉耦合的NMOS、PMOS 管桥式整流电路
在这些电源恢复电路中,并不存在最理想的电路结构,每种电路都有各自的优点及缺陷[3]。在不同的负载情况、不同的输入电压情况、不同的输出电压要求以及可用的工艺条件下,需要选择不同的电路以使其达到最优的性能。图2(a)所示的多级二极管倍压电路,一般采用肖特基势垒二极管。它具有倍压效率高、输入信号幅度小的优点,应用十分广泛[5]。但是,一般代工厂的普通CMOS 工艺不提供肖特基势垒二极管,在工艺的选择上会给设计者带来麻烦。图2(b)是用接成二极管形式的PMOS 管来代替肖特基二极管,避免了工艺上的特殊要求。这种结构的倍压电路需要有较高的输入信号幅度,在输出电压较高时具有较好倍压效率。图2(c)是传统的二极管全波整流电路。与Dickson 倍压电路相比,倍压效果更好,但引入了更多的二极管元件,功率转换效率一般略低于Dickson 倍压电路。另外,由于它的天线输入端与芯片地分离,从天线输入端向芯片看去,是一个电容隔直的全对称结构,避免了芯片地与天线的相互影响,适合于与对称天线(例如偶极子天线)相接。图2(d)是许多文献提出的全波整流电路的CMOS 管解决方案[4]。在工艺受限的情况下,可以获得较好的功率转换效率,并且对输入信号幅度的要求也相对较低[3]。
在一般的无源UHF RFID 标签的应用中,出于成本的考虑,希望芯片电路适合于普通CMOS工艺的制造。而远距离读写的要求对电源恢复电路的功率转换效率提出了较高的要求。为此,很多设计者采用标准CMOS 工艺来实现肖特基势垒二极管[6],从而可以方便地采用多级Dickson倍压电路结构来提高电源转换的性能[3]。图3 所示是普通CMOS 工艺制造的肖特基二极管结构示意图。在设计中,不需要更改工艺步骤和掩膜板生成规则,只需在版图上作一些修改,就可以制作出肖特基二极管。
图3 普通CMOS 工艺制造的肖特基二极管结构示意图
图4 所示是在UMC 0.18um CMOS 工艺下设计的几种肖特基二极管的版图。它们的直流特性测试曲线如图5 所示。从直流特性的测试结果
上可以看到,标准CMOS 工艺制造的肖特基二极管具有典型的二极管特性,并且开启电压只有0.2V 左右,非常适合应用于RFID 标签。


图4 几种肖特基二极管的版图
图5 几种肖特基二极管的直流特性曲线
3 电源稳压电路
在输入信号幅度较高时,电源稳压电路必须能保证输出的直流电源电压不超过芯片所能承受的最高电压;同时,在输入信号较小时,稳压
电路所消耗的功率要尽量的小,以减小芯片的总功耗。
从稳压原理上看,稳压电路结构可以分为并联式稳压电路和串联式稳压电路两种。并联式稳压电路的基本原理如图6 所示。
图6 并联型稳压电路结构
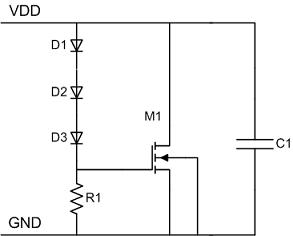
在RFID 标签芯片中,需要有一个较大电容值的储能电容存储足够的电荷以供标签在接收调制信号时,仍可在输入能量较小的时刻(例如OOK调制中无载波发出的时刻),维持芯片的电源电压。如果输入能量过高,电源电压升高到一定程度,稳压电路中电压感应器将控制泄流源将储能电容上的多余电荷释放掉,以此达到稳压的目的。图7 是其中一种并联型稳压电路。三个串联的二极管D1、D2、D3 与电阻R1 组成电压感应器,控制泄流管M1 的栅极电压。当电源电压超过三个二极管开启电压之和后,M1 栅极电压升高,M1 导通,开始对储能电容C1 放电。
图7 一种并联型稳压电路
另外一类稳压电路的原理则是采用串联式的稳压方案。它的原理图如图8 所示。参考电压源是被设计成一个与电源电压无关的参考源。输
出电源电压经电阻分压后与参考电压相比较,通过运算放大器放大其差值来控制M1 管的栅极电位,使得输出电压与参考源基本保持相同的稳定状态。
图8 串联型稳压电路
这种串联型稳压电路可以输出较为准确的电源电压,但是由于M1 管串联在未稳压电源与稳压电源之间,在负载电流较大时,M1 管上的
压降会造成较高的功耗损失。因此,这种电路结构一般应用于功耗较小的标签电路中。
4 调制与解调电路
A. 解调电路
出于减小芯片面积和功耗的考虑,目前大部分无源RFID 标签均采用了ASK 调制。对于标签芯片的ASK 解调电路,常用的解调方式是包络检波的方式,如图9 所示[1]。
图9 ASK 包络检波解调电路
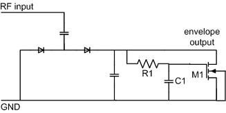
包络检波部分与电源恢复部分的倍压电路基本相同,但是不必提供大的负载电流。在包络检波电路的末级并联一个泄电流源。当输入信号被调制时,输入能量减小,泄流源将包络输出电压降低,从而使得后面的比较器电路判断出调制信号。由于输入射频信号的能量变化范围较大,泄流源的电流大小必须能够动态的进行调整,以适应近场、远场不同场强的变化。例如,如果泄流电源的电流较小,在场强较弱时,可以满足比较器的需要,但是当标签处于场强很强的近场时,泄放的电流将不足以使得检波后的信号产生较大的幅度变化,后级比较器无法正常工作。为解决这个问题,可以采用如图10 所示的泄流源结构。
图10 包络检波电路
在输入载波未受调制时,泄流管M1 的栅极电位与漏极电位相同,形成一个二极管接法的NMOS管,将包络输出钳位在M1 的阈值电压附近,此时输入功率与在M1 上消耗的功率相平衡;当输入载波受调制后,芯片输入能量减小,而此时由于延时电路R1、C1 的作用,M1 的栅极电位仍然保持在原有电平上,M1 上泄放的电流仍保持不变,这就使得包络输出信号幅度迅速减小;同样,在载波恢复后,R1 和C1 的延时使得包络输出可以迅速回复到原有高电平。采用这种电路结构,并通过合理选择R1、C1 的大小以及M1的尺寸,即可满足在不同场强下解调的需要。包络输出后面所接的比较器电路也有多种可以选择的方案,常用的有迟滞比较器、运算放大器等。也可以简化为用反相器来实现。
B.调制电路
无源UHF RFID 标签一般采用反向散射的调制方法,即通过改变芯片输入阻抗来改变芯片与天线间的反射系数,从而达到调制的目的。一般设计天线阻抗与芯片输入阻抗使其在未调制时接近功率匹配,而在调制时,使其反射系数增加。常用的反向散射方法是在天线的两个输入端间并联一个接有开关的电容,如图11 所示,调制信号通过控制开关的开启,决定了电容是否接入芯片输入端,从而改变了芯片的输入阻抗。
图11 反向散射调制电路
5 启动信号产生电路
电源启动复位信号产生电路在RFID 标签中的作用是在电源恢复完成后,为数字电路的启动工作提供复位信号。它的设计必须要考虑以下几点问题[7]:
- 如果电源电压上升时间过长,会使得复位信号的高电平幅度较低,达不到数字电路复位的需要;
- 启动信号产生电路对电源的波动比较敏感,有可能因此产生误动作;
- 静态功耗必须尽可能的低。
通常,无源RFID 标签进入场区后,电源电压上升的时间并不确定,有可能很长。这就要求设计的启动信号产生电路产生启动信号的时刻
与电源电压相关。图12 所示是一种常见的启动信号产生电路[8]。
图12 启动信号产生电路
它的基本原理是利用电阻R0 和NMOS 管M1组成的支路产生一个相对固定的电压Va,当电源电压vdd 超过NMOS 管的阈值电压后,Va 电压
基本保持不变。随着vdd 的继续升高,当电源电压达到Va+|Vtp|时,PMOS 管M0 导通使得Vb升高,而此前由于M0 截止,Vb 一直处于低电平。这种电路的主要问题是存在着静态功耗。并且由于CMOS 工艺下MOS 管的阈值电压随工艺的变化比较大,容易受工艺偏差的影响。因此,利用pn 结二极管作启动电压的产生会大大减小工艺的不确定性,如图13 所示。
图13 改进后的启动信号产生电路
当VDD 上升到两个pn 结二极管的开启电压之前,PMOS 管M0 栅极与电源电压相等,PMOS 管关断,此时电容C1 上的电压为低电平。当VDD 上升到超过两个二极管阈值电压后,M0 开始导通,而M1 栅极电压保持不变,流过M1 的电流保持不变,电容C1 上电压逐渐升高,当其升高到反相器发生翻转后,就产生了启动信号。因此,这种电路产生启动信号的时间取决于电源电压是否达到两个二极管的阈值电压,具有较高的稳定性,避免了一般启动电路在电源电压上升过慢时,会导致开启信号出现过早的问题。
如果电源电压上升的时间过快,电阻R1 和M0 的栅电容构成了低通延时电路,会使得M0 的栅极电压不能迅速跟上电源电压的变化,仍然维持在低电平上,这时M0 就会对电容C1 充电,导致电路不能正确工作。为解决这一问题,引入电容C5。如果电源电压上升速度很快,电容C5 的耦合作用能够使得M0 的栅极电位保持与电源电压一致,避免了上述问题的发生。
该电路仍然存在的静态功耗的问题,可以通过增大电阻值,合理选择MOS 管尺寸来降低静态功耗的影响。要想完全解决静态功耗的问题则需要设计额外的反馈控制电路,在启动信号产生后关断这部分电路。但是,需要特别注意引入反馈后产生的不稳定态的问题[7]。
6 结论
本文所介绍的一些RFID 标签的主要电路,大部分已经经过了流片的验证。图14 是我们所设计的一款RFID 标签芯片。芯片面积0.7mm×
1.0mm,在36dBm EIRP 下,可在6 米处读出标签卡号。图15 是2.45GHz 带有片上天线设计的RFID 标签。在42dBm EIRP 下,该芯片可在40cm处产生响应。
无源UHF RFID 芯片的设计难点是围绕着如何提高芯片的读写距离、降低标签的制造成本展开的。因此,提高电源恢复电路的效率,降低整体芯片的功耗,并且工作可靠仍然是RFID 标签芯片设计主要的挑战。
图14 RFID 标签芯片照片
图15 2.45GHz 带片上天线的RFID 标签照片
参考文献
[1] Udo Karthaus. Fully Integrated Passive UHF RFID Transponder IC With 16.7uW Minimum RF Input Power.IEEE JOURNAL OF SOLID-STATE CIRCUITS, VOL. 38,NO. 10, OCTOBER 2003
[2] Jari-Pascal Curty. Remotely Powered Addressable UHF RFID Integrated System. IEEE JOURNAL OF SOLID-STATE CIRCUITS, VOL. 40, NO. 11,NOVEMBER 2005
[3] Giuseppe De Vita and Giuseppe Iannaccone. Design Criteria for the RF Section of UHF and Microwave Passive RFID Transponders. Microwave Theory and Techniques,IEEE Transactions on Volume 53, Issue 9, Sept. 2005 Page(s):2978 – 2990
[4] Facen, A.; Boni, A.. Power Supply Generation in CMOS Passive UHF RFID Tags. Research in Microelectronics and Electronics 2006, Ph. D. 12-15 June 2006 Page(s):33 – 36
[5] Auto-ID lib. RFID Analog Front End Design Tutorial.
[6] Sankaran, S.; O, K.K.. Schottky diode with cutoff frequency of 400 GHz fabricated in 0.18 um CMOS.Electronics Letters Volume 41, Issue 8, 14 April 2005 Page(s):506 - 508
[7] Yasuda, T.R. A power-on reset pulse generator for low voltage applications. Circuits and Systems, 2001. ISCAS 2001. The 2001 IEEE International Symposium on Volume 4, 6-9 May 2001 Page(s):599 - 601 vol. 4
[8] Choungki SONG. A Power-On-Reset Pulse Generator Referenced by Threshold Voltage without Standby Current.IEICE Trans. Electron., VOL.E87-C, NO.9 September 2004
本文出自家电维修网: http://www.bjjdwx.com/wz/2009/dz1677.html欢迎转载,转载请保留链接。
- 刊登此文只为传递信息,并不表示赞同或者反对作者观点。
- 如果此内容给您造成了负面影响或者损失,本站不承担任何责任。
- 如果内容涉及版权问题,请及时与我们取得联系。

文章评论