一款阻塞性肺炎康复器电路剖析
TGQH9203阻肺康复器是一种治疗阻塞性肺炎的电子装置,该装置可产生波宽为0.3ms,波幅10~150V连续可调的电脉冲,对阻塞性肺炎的康复有一定作用。现据实物绘出其电原理图,供使用者和维修者参考。
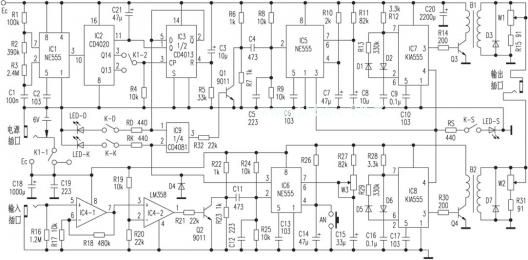
附图为整机电原理图。图中IC1、IC2、IC3及其相关元件构成装置的工作定时控制电路。其中IC1、R1~R3、C1、C2构成多谐振荡器,其输出为IC2提供时钟信号。IC3是由1/2双D触发器CD4013构成的双稳触发器,电路通电后,电源经C3、R5使双稳触发器进入Q=0、Q=1的稳态。其中Q=0直接加于IC2的{11}脚,使IC2开始计数;而Q=1通过电阻RD、开关K-D使LED-D发光,指示电路进入定时状态,同时Q=1加于IC9的{1}脚使与门打开。IC2为十四位串行计数器,其Q13、Q14分别对应于2(的13次方)和2(的14次方)分频。按图示参数及开关K1-2 的位置,当电路工作到60分钟时,Q14将输出高电平,该电平阶跃加于IC3的CP端,使IC3翻转为Q=1、Q=0的稳态。其中Q=1加于IC2的 {11}脚使IC2停止计数,返回到初始状态,而Q=0则使LED-D熄灭,与门关闭。
集成双运放LM358构成输入信号变换电路,其中IC4-1接成同相线性放大器,IC4-2接成电压比较器。当由输入插口接入传感器时,它所产生的电信号经IC4-1放大后加于IC4-2的同相输入端。当已放大信号的幅值超过比较器的参考电压时,IC4-2将输出高电平,并使Q2饱和导通。
IC5、IC6及其相关元件构成两个脉冲触发式单稳触发器。对IC6而言,其相关元件为R24~R27、W3和C11~C15。平时,电源经R24和R25分压为{2}脚提供1/2EC=3V电压,且 {4}脚为高电平,故IC6保持在V0=0的稳态。而电源经R22和R23分压,也使Q2的集电极电位保持在1/2EC,电容C11上无电压。当外加输入信号经IC4变换后使Q2饱和导通时,由于换路瞬间电容电压不能突变,故{2}脚电位瞬间近于接地,此后,电源经R24、Q2对C11充电,使IC6受负脉冲触发进入V0=1的暂稳态。这时,IC6内部的放电开关打开,电源经R27和W3向C15充电,经过TD1=1.1(R27+W3)C15的时间,C15上电压上升至高于2/3EC时,输出翻转为V0=0,暂稳态结束。在暂稳期间,IC6{3}脚输出的高电平一方面LED-K发光,指示IC6已进入暂稳态;一方面直接加于与门IC9,使其{3}脚输出高电平,进而使Q1饱和导通。与IC6的情况相同,Q1的饱和导通,将使IC5的{2}脚受负脉冲作用,并使IC5进入暂稳态,其暂稳态持续时间为TD2=1.1R11C8。
IC7、IC8及其相关元件构成两个占空比可调多谐振荡器,这两只振荡器的起振受IC5{3}脚的输出电压控制。当IC5进入暂稳态期间,其{3}脚输出的高电平一方面经电阻R5使LED-S发光,指示IC5已进入暂稳态;一方面分别加到IC7和IC8的{4}脚,使IC7和IC8起振。振荡输出由各自的{3}脚取出,经R14和R30分别激励Q3和Q4,并在B1和B2的原边绕组形成脉冲电压,该电压经升压后加到输出插口,形成复合电脉冲。W1和W2为调整电位器,改变其值可调整输出电脉冲的幅度。
综上所述,可将装置的工作概述为:定时控制电路限定本装置对外输出的时间,输入变换电路为IC6提供触发条件,而IC6在暂稳期间出现的高电平,则通过与门和Q1使IC5进入暂稳态,从而使IC7和IC8得以在此期间起振,向外输出治疗电脉冲。
图中,接于IC6{4}脚与地之间的AN为手动按钮,在定时电路工作期间,按动AN可使IC6{3}脚翻转为高电平,该电平经IC9和Q1的共同作用;使IC5进入暂稳态,从而启动IC7和IC8,使治疗电脉冲受手动控制。
- 刊登此文只为传递信息,并不表示赞同或者反对作者观点。
- 如果此内容给您造成了负面影响或者损失,本站不承担任何责任。
- 如果内容涉及版权问题,请及时与我们取得联系。

文章评论