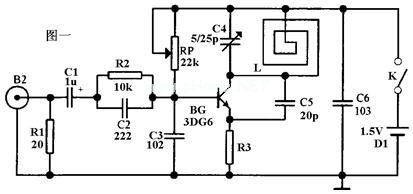
电视机用简易无线耳机
生活中有不少电视迷,他们经常看电视到深夜,这时如果电视音量开太大会影响家人休息,如果太小声又听不清,本文推荐一个电视

- 刊登此文只为传递信息,并不表示赞同或者反对作者观点。
- 如果此内容给您造成了负面影响或者损失,本站不承担任何责任。
- 如果内容涉及版权问题,请及时与我们取得联系。
上一篇:金属探测器原理与制作
下一篇:用8038制作多波形信号发生器
生活中有不少电视迷,他们经常看电视到深夜,这时如果电视音量开太大会影响家人休息,如果太小声又听不清,本文推荐一个电视

文章评论