无线卡拉OK话筒
(一)制作目的
卡拉OK是大家喜爱的一种娱乐方式。常见的卡拉OK方式是将话筒插在卡拉OK机上,通过音箱发生声音。本制作介绍的是一种简易无线话筒,利用调频收音机接收并放大信号,因此十分方便、经济,另外也可用于教学等其他场合。
(二)基本工作原理
调频收音机的调频接收范围是88~108MHZ。因此,无线话筒应将声音调制在这个范围。人的声音又称音频信号,其频率在20~20000Hz范围内。当用无线电发射出去时,必须将音频信号放在载波上。这一过程称为无线电调制,相对于载波而言,音频信号称调制信号。调制有两种方式,即调幅和调频,所谓调幅即用调制信号去影响(或改变)载波的幅度,从而完成调制信号与载波的叠加形成无线电波。所谓调频,是用调制信号去影响(或改变)载波的频率,从而完成调制信号与载波的叠加,形成无线电波。
本制作是将人的声音经过话筒的调制发射电路发射出去,而利用调频收音机接收下来。无线话筒的发射频率范围要避开当地电台的使用范围。
(三)技术参数
该无线话筒的发射频率在88~108MHZ,发射距离不小于80米。采用调频方式发射。
(四)电路选择及元器件参数的确定
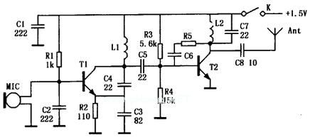
电路如图所示。由T1及其外围元件构成调频振荡器,凋节L1线圈的匝数,可使振荡器的振荡频率落在88~108MHZ的范围内,由T2及其外围元件组成放大电路,它对前级调频信号放大使发射距离更远已发射状态对振荡器频率的影响得以减少。声音经拾音器进来,由天线发射出去。
所有的电容用CCX系列瓷片电容,单位为pF,电阻用1/8W碳膜电阻,电感用φ=0.51mm漆包线在D=4mm圆衬上密绕11匝脱胎而成,晶体管用普通的9018即可。天线用一根长约60cm的导线即可。
(五)制作方法
印刷板应设计为长条形,目的是便于放入话筒壳内。准确地焊上各元件后,加上电源,总电流约13mA左右,打开凋频音响,调谐搜索到该话筒的频率,然后拉开或压紧电感L1,使话筒的频率在适当的频率上,将话筒与音响拉开适当的距离,使音响开始出现噪声为佳,调节L2使音响接收清晰;再拉开距离,重复以上步骤直至最佳。另外整机做好后需用外壳屏蔽,以免外界影响引起话筒跑频。
- 刊登此文只为传递信息,并不表示赞同或者反对作者观点。
- 如果此内容给您造成了负面影响或者损失,本站不承担任何责任。
- 如果内容涉及版权问题,请及时与我们取得联系。

文章评论