用300B制作胆机
如今流行的靓声放大器是300B胆机,功放管用300B的胆机声音通透,纤细,分析力高,音色自然、优美,有人认为听了会上瘾, 因此很多发烧友都想拥有。由于300B已炒得价格很昂贵,300B商品机当然价格不菲。并且,商品机由于成本的原因,在下料上不得不折衷地考虑,则听感也不一定达到较高的水准,买回来后有时还要再摩。因此,有动手能力者便自己焊机,自制300B胆机,即使采用比较发烧的元件,成本也可以降低三分之一以上,制作得法,也可以得到不俗的放音效果。
300B功放电路有推挽式和单端式输出电路,推挽式输出功放有较夫的输出功率和速度感,动态大。单端式输出电路由于工作在甲类工作状态,音色纯真,无交越失真、线性好,虽然输出功率稍小,但音色幼滑温暖,听人声更加迷人,弦乐更优美。因为300B是直热式三扳管,更适合作单端输出功率放大器,因此现在流行的300B机大部分是单端输出的功放。如何制作好声的单端输出的300B胆机,本文就谈谈制作中的体会,供各位参考。
300B是直热式三极功率放大管,一般认为用直热式三极管制作单端输出机时,交流声大(推挽式输出级由于输出变压器初级两个屏极线圈有抑制交流声的作用,所以可以获得很低的交流声),但由于300B的灯丝是经过改进的,和其他直热式三极管(如2A3等)的灯丝结构不相同,它的灯丝较长,灯丝首尾相连为一端,中间的头则为另一端,这样灯丝就短而粗,用交流电点燃时,则交流声低,所以300B胆机要比2A3的交流声低得多。业余条件下焊机,信噪比可以达到85dB以上,耳朵贴近扬声器才可以辨别出一点交流声。

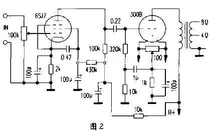
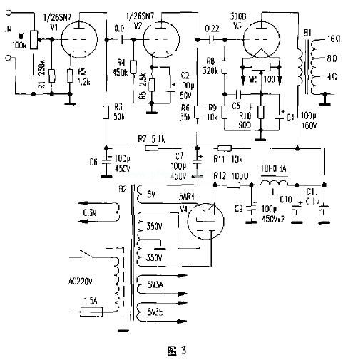
300B是上个世纪30年代研制生产的 本是工业用管,用于Hi-Fi放大器是在70—80年代才流行,所以流行的线路很少,300B单端机经典线路是用五极管推动,因为五极管的频响宽,更能发挥300B的特点,典型的线路是WE310A作电压放大的300B机,由于WE310A不容易找到,则现在较多是用容易找到的五极管6SJ7推300B的线路(其他五极管如6JB、6AU6等都可以用),见图2,还可以在增益级之后再加一推动级。近年来,由于数码音源的普及,数码音源输出电平较高,为了减少电压放大级的失真.而改用屏流较大的三极管作电压放大,如图3所示 从理论上讲五极管比三极管的噪音电平高,或输入信号电平较高时,易引起失真,但制作得法仍然可以得到满意的效果,所以焊机采用图2者仍颇多。下面就以图3为例谈谈制作要求:
图3是一个素质高而且容易制作的线路,简洁明了,V1是增益级,V2是推动极,V3为功放级,V4是高压整流,全机用三只胆管。功放级采用的是300B经典的单端输出线路,自给偏压的供给方式,自给偏压的方式不单使功放管工作安全,而且还可以增加胆味.而固定偏压时虽然输出功率稍大,动态也大,但音色受到影响,不能充分发挥300B娇润音色的特点。因此,偏压的供给方式不同,音色的表现也不一样。300B工作在甲类状志,屏极电压在400V时,可以得到8W以上的不失真输出功率,输出变压器初级阻抗3.5kΩ,次级可接4、8、16Ω的扬声器。阴极电阻的阻值—般在820Ω—1kΩ之间选取,阴极电阻接有旁路电容,以使阴极电阻上的电压稳定。阴极电阻经C5接有负反馈电压至栅极,不过C5的负反馈作用很小,因为C5比C4的容量小得多,对音频电压的阻抗比C4大,音频成分基本被C4旁路了,经C5反馈到栅极的分量很少,并且又经R9的分压,所以反馈给栅极的分量很小。
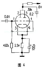
推动级V2用1/2 6SN7(6N8P),此管是中μ、低内阻电压放大管,线性好,音乐感亦好。由于300B的μ较低(5.32),要求栅极推动电压±30V,所以这一级选用6SN7,此级工作在甲类状态,C3是级间交连电容。如果阁下的底盘足够宽敞,可以容纳下较多的电子管时,此级不妨用双管并联使用,使内阻更低并提高驱动电压,并联使用的接法见图4。若底盘管孔是小九脚管时 可改用12AU7,推动效果也不错。
此级还可以采用靓声的功率放大营,如6L6、6V6、EL34等,驱动电压更高,电流大,以补充300B所消耗的电流。但由于各功率管的音效不同.对300B的表现也会带来影响,所用功率放大管作推动级时,应考虑合乎自己口味的型号。
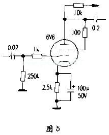
6V6也是音乐味较浓.音色优美,高频通透,声底雄浑,驱动能力强的功放管,推动300B会有更佳的表现,图5是6V6作推动缓的线路图,图中6V6是接成三极管使用的方式。输入级也用1/2 6SN7,此级担负着全机的主要放大任务,要尽量减小失真。本级工作在甲类状态.栅极负压取3.5V,屏极电流3mA,阴极电阻阻值则为3.5V/3mA=12kΩ,阴极电阻无旁路电容,使本级具有电流负反馈,因而工作稳定,失真低。由于300B管的线性好,所以本机不用大环路负反馈,整机瞬态好,工作也更稳定。本机全部使用三极管,因此整机的线性好、失真低,音色的表现也会令人满意。若增益级改用SRPP线路,可使本机的力度、分析力更佳,放大管用6DJ8、6N3或12AU7均可.但不同的放大管音效不同。
电源部分,高压采用胆管整流,因为胆管整流B+电压是缓慢地加到各管屏极上去的.避免了晶体管整流开机立即有1.4倍的变压器次级高压冲击尚未热透的放大管屏极,影响寿命。整流管输出端设有限流电阻R12,使刚开机时输出电流不会有较大的浪涌,以保护整流管和电源变压器,并且它还将整流管与B+输出线路,主放大线路隔开,减少失真,这只电阻要用100—200Ω,20—30W 的线绕电阻或者可变电阻。滤波电路采用扼流圈的CLC π形滤波电路,此种滤波电路要比CRC电路滤渡效果好,B+电压平滑,纹波电压很低,压降小,放大器的音色顺滑,交流声也低。增益级和推动级的B+电路中,采用多级滤波,使增益级的B+电源纹波更低。R11如果能改用扼流圈更好。有的发烧级功放用双扼流圈,使整机的噪音水平更低,音色更圆润,此扼流圈可用20H 0.05A 的品种,因前级的工作电流较小,扼流圈的容量也不要太大,但电感量要大些,效果才好。两声道300B的灯丝要单独供电。一般认为,直热式三极功放管用交流电点燃灯丝时,交流声大,直流电点燃时交流声小,但会影响功放管的寿命,因300B的价格不菲,购买一对也有一定的负担,所以还是以交流电点燃为好。由于300B的灯丝构造的原因,交流声还是比较低的,再在制作上下工夫,交流声完全可以控制在极低的水平。
电源部分可投重资 以使放音更加透明、圆滑,富有动感,办法是.除了使用优质大容量的电源变压器以外,还可将功放级的电源与前级电压放大的电源分开供电,即再增加一组高压整流和CLC滤波电路 整流管可用小七脚管6Z4来完成 更可以将高压电源和低压电源分开,灯丝电源另置一只电源变压器专供灯丝使用,则电源更充足稳定.放音效果会更好。
元件的选用
任何器材要想得到靓声.适当选择优质元件是必要的,并把有限的资金投到关键的部位,是获得较高回报的方法。
300B、6N8P、5AR4等电子管可选用曙光的产品,曙光电子管质量稳定可靠,音效不错,很有口碑。电压放大管如用早期南京产的6H8C,音乐味更浓,此种双三极管价格低廉,非常超值,并且很容易买到。
电源部分是靓声的保证,为了使低频量感和整机的平衡度有很好的控制,充足而稳定的电能供给是必不可少的。因此电源变压器要有足够大的容量,至少要有250—320W,并且绕制工艺要精湛,线包、铁芯都要整齐、紧密,浸漆要薄,绝缘漆质量也要好,长时间开机也不应该烫手。除了容量和质量以外,变压器次级高压的高低对放大器的音色也有影响,300B屏压在400V左右时,动态较大,低频力度好,屏压较低时,音色柔和温暖,音乐味好,所以要根据口味选择变压器,并且B+电压较高时,V1,V2的屏极负载电阻的阻值也可以用得大些,使前级的工作更加稳定,失真也小。所以应尽量选择次级电压较高的品种,当300B屏压要求较低时,可用降压电阻来实现 低频扼流圈的质量也要好。
高素质的输出变压器是获得靓声的关键,制作非常讲究,要求很高,要用冷扎硅钢片和无氧铜线,分层分段绕制,初级线圈要有足够的电感量,分布电容、漏磁都要小,因此,若自己绕制经验不足.还是购买名厂的产品质量可靠。输出变压器、电源变压器、低频扼流圈等都要有单独的隔离罩,以减小磁场的相互干扰,并且整机外形也整齐美观。
阻容方面,前级放大部分可用美国DALE电阻。放大管屏极负载电阻宜用国产大红炮电阻,这只电阻很重要,要供给放大管充足的电力使之稳定地工作。300B的阴极电阻用10W 的线绕电阻或玻璃釉电阻,旁路电容可用ELNA的品种,B+滤波电容可选用国产老牌天和、和平等铝壳电解电容,如用美国施碧古董电解电容则音乐味更浓,若有条件可选用罐装油浸电容,音色更顺滑、更迷人,但此种电容的体积较大,要考虑底盘的尺寸,能否容纳得下。退耦电容C6、C7可选用德国ROE电解电容, 因为这两只电容非常重要,不但能保证整机的工作稳定及信噪比,还可以起到调节音色的作用,级间耦合电容可用WIMA电容,要想音色通透可用施碧银膜电容或油浸电容,但成本要高得多。
机内信号连接线可用包银特富龙信号线或怪兽小信号线。其他连接线可用镀银线或无氧铜线 电源线也要选用粗壮的电源线,国产发烧级电源线也很容易买到,价格也适宜。300B的灯丝电流较大,要用较粗的无氧铜线,以免压降大,导致灯丝的供电电压降低
底盘要选用宽敞、坚实的,不锈钢底盘既不导磁又漂亮。铁板的底盘因导磁、在组装时要考虑变压器漏磁在底盘上扩展的防止措施,才不会导致放大器的交流声增大。
组装与调试
组装时应注意元件的排位 电源变压器、输出变压器、扼流圈要尽量采用立式安装,减少漏磁通在底盘上扩展,如用铁板底盘还应注意变压器铁芯不要与底盘直接接触.用非导磁材料垫高10毫米以上,变压器、扼流圈铁芯要相互垂直,减小相互干扰。
元件排位要依信号流程呈直线布置.也可以呈“ L”形走线,两声道要对称布置,使连接线最短.信号途径最短,损失和干扰都低,并且两声道相同。
地线的走法不但影响整机的信噪比,同时还决定着放大器的音色,一般是采用“ Y” 形走线一点接地的方祛较好;接底盘地点的选择也不容忽视,一般是选在增益级的阴极电阻附近效果较好。
各插接件都要装牢拧紧,否则会产生较大的噪音。
组装完毕,经检查无误后各级要调校工作点.V1、V2的屏流和栅负压的大小的调整是通过改变阴极电阻的阻值来完成。功放级300B的屏压可在300~400V下工作,实际测量本机屏压400V,因采用自给偏压的方式,阴极电压有68V。300B实际在332V下工作,十分安全。若要降低屏压,可在B+输出端加可调电阻,但降压电阻的散热功率要足够大,至少要20—30W,因电流较大,发热较高。300B阴极电压一般有60—70V即可满足要求。
改变耦合电容C3、C1的容量或品牌可以改变整机的音色和力度,改变300B阴极电阻旁路电容的品牌还可改变音色和音乐味的浓淡,因此可视口味而调试。
去掉反馈电容C5试试.也可能音色更清丽、通透。
通过上述调整可知,300B机基本上可调出两种音效表现,即:当用较高的屏压及固定偏压时,有较佳的动态,音乐活泼,速度感好;较低的屏压,自给偏压,耦合电容用音乐型的、便可得到音色温暖、音乐味浓、中频更丰润的效果。
当调试完毕,试听正常.音色也合乎口味后.再将电源进线处的保险丝去掉(采用此项措施时.最好是本户电源进线有空气开关), 电源线短接焊牢,此时再听,表现又有不同,因为保险丝很细,会影响电能的供给。
- 刊登此文只为传递信息,并不表示赞同或者反对作者观点。
- 如果此内容给您造成了负面影响或者损失,本站不承担任何责任。
- 如果内容涉及版权问题,请及时与我们取得联系。

文章评论