高亮度白光LED灯制作
高亮度白光LED灯(以下简称白光灯)具有光色好(与日光接近),节能(电光转换效率远高于白炽灯,也高于荧光灯,是一种冷光源),寿命长(寿命是荧光灯的几倍(白炽灯的几十倍),环保无污染的特点 成为白炽灯和荧光灯的有力挑战者。但其不足之处是目前价格较高。据介绍,在深圳1瓦白光灯的价格要十几元,3瓦、5瓦灯的价格更高迭数十元之多,因而难以推广使用。目前,白光灯已发展到第二代; 第一代白光灯的价格已大幅下降,Φ5白光灯的价格已降到0.25/只,拆机Φ5白光灯的价格为0.2/只,此价格已经可以接受。笔者不久前以每只0.16元的价格邮购了几十只拆机件Φ5白光灯,用它制作了几只照明灯,效果不错,现向爱好者作一介绍。
市电220V 1.2W白光LED照明灯
用一只易拉罐的球形罐底,用剪刀修圆,在上面钻出20个小孔,小孔的分布呈圆形,尽量制作得美观些,孔的大小以刚好能嵌入白光灯为度,如图1所示。每只白光灯的工作电压为3.0V~3.6V,4只白光灯串联组成一组,工作电压为12.0V~14.4V,5组白光灯再并联起来,在12.6V电压时的电流约等于100mA,消耗的功率1.26W。
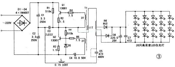
要在220V市电工作,需要一个降压整流滤波电路,比较省钱的办法是使用废旧的节能灯控制电路。节能灯可以说是家家都有,因价值低,损坏后维修店不愿意修理,一般均作废弃处理,因此可以不花钱或只花上少量钱在废品站等地方得到。其实大多数损坏的节能灯只是灯管坏了,其电路往往完好可用,既使损坏了也容易修复。5W~13W节能灯基本上均采用同一种电路和元件,图2是一种节能灯的电路图。

市电经整流和C1、C2滤波后得到约300V直流电加在Q1、Q2组成的逆变电路,产生数十千赫的高频振荡,经L、C5、T对灯管放电,使节能灯发光。L和C5组成串联谐振电路,谐振在逆变电路产生的高频振荡频率上。灯管启动时,灯管未导通放电,谐振回路中只有灯管的灯丝电阻,阻值比较小,回路中的电流比较大,此电流在L和C5上产生数百伏的电压,C5上的电压使灯管击穿放电发光。灯管放电后内阻很小,它并联在C5上使谐振回路的Q值大大下降,C5和L上的电压降低到几十伏以维持灯管继续放电,由此说明节能灯工作时的电压变化比较大。要把节能灯改造为白光灯的电源,可把C5直接联接到L和T的初级,再把L改作变压器,并增加低压整流滤波电路即可(参见图3)。

为了使低压输出的直流电比较稳定,L和C5不能作为谐振电路使用,其谐振频率应远低于逆变电路的振荡频率,可增加C5的容量,由原来的332改为473(即0.047 uF)或更大,甚至不用C5。L改造为变压器的方法是在L线圈外面加绕低压绕组。L一般采用0.15~0.17的漆包线,300~320匝。实测线圈的电压为80~100V,由此可得每伏的匝数约等于3。
电源整流的方式可采用桥式全波整流或双半波整流电路。为了节省两个二极管和减小损耗,笔者采用双半波整流电路,要求变压器次级线圈的匝数加倍,并有中心抽头。供给白光灯的直流电压选取为12.6V,故次级绕组的电压应为12.6/12=10.5V(电容滤波输出的直流电压大约等于交流输入电压的1.2倍),次级线圈的匝数等于10.5×3=31.5,可取为32匝,由此得到次级线圈的匝数等于64,在32匝抽出中心头。白光灯的电流为100mA,按铜线每平方毫米允许通过3安培计算,可选用0.25线径的漆包线,其截面积等于0.049平方毫米,容许通过的电流是147mA,大于需要的100mA,符合要求。
节能灯L线圈一般采用乱绕的方式,绕制比较松,占据的空间较大,要在原线圈外加绕64匝线圈难度较大,解决的办法可采用自耦变压器的方式。因电路安装在节能灯原来的灯头内,人体不会接触到控斜电路,安全方面没有问题。自耦方式的效率比较高,用料较省,而且能够在原有的线圈骨架上绕下。具体方法是,把L线圈的匝数拆下64匝,然后用0.25左右的漆包线顺着原线圈绕制的方向绕64匝,在32匝抽出中心头。绕线圈不用加垫绝缘材料,不用绕线机用手绕就可以。若是找不到0.25的漆包线。可从另一个节能灯上拆下L线圈,用线圈上的0.15漆包线3股并起来绕制。线圈装上磁芯时要注意在磁芯对接处留一个间隙。也就是在接缝处垫上一层不干胶纸,目的是避免磁芯饱和。
整流二极管不能用4007(频率低)或肖特基管(耐压低),应使用FR107、RU2等快速恢复二极管。然后把电路板上的铜箔条略作改动,新增加的几个元件都可以安装在原来的电路板上。
找来的节能灯先要试一试电路是否完好能用。电路中最容易损坏的元件是两个13001三极管,其次是C1、C2、C5和4只整流用的1N4007二极管,其他元件损坏的可能性比较小。用万用表检查若元件完好。就可通电试验。先在电源进线中串联一个300Ω2W~5W的电阻,一来保护电路(若万一电路中有未查出的短路故障,有了电阻可避免故障扩大),二来可测量电阻上的电压以算出电路消耗的电流和功率。首先测试电路的空载运行情况。即变压器T2次级不接负载。通入220V交流电后,300Ω 上的电压在0.9~1.2V就说明电路工作正常。若电压低于0.8V,表示线圈的感抗比较大,逆变电路不容易起振,电路不能输出直流电,可用增加T2磁芯间隙的办法来解决。也就是在磁芯的接缝处再垫上一层纸。若是300Ω上的电压超过1.4V,说明磁芯的间隙可能比较大。可试一试在磁芯接缝处改垫薄一些的纸。若是电压仍然比较大,很可能变压器内部有短路故障,或者是电路上的其他地方有故障。空载试验正常后,下一步接上整流滤波电路和假负载电阻。根据白光灯的电压和电流,可算出白光灯的电阻等于12.6/0.1=126Ω, 可用一只120Ω2W~5W的电阻代替白光灯接到直流电源上。通电试验,120Ω 电阻上的电压在12.4~13.5V就表明电路工作正常。若是电压偏低,可增加T2次级线圈匝数或是减小C5的电容量来解决。若电压偏高,可减少T2次级线圈的匝数或是增大C5的电容量甚至不用C5。测试完成后,取下假负载电阻,把白光灯联接到电路板上,最后把电路板装入灯头内,再把灯头和半球形的白光灯用胶粘贴在一起,整个白光灯的制作就告完成,如图4。

白光灯正常工作时在300Ω 上的电压为2.8V~3.2V,消耗的功率2.1~2.35W,对比5W 的节能灯,(试测了几只5W节能灯,其功率均在5.2W左右),白光灯的功率不到5W节能灯功率的一半,而实际的照明效果(在灯的正面)与5W 节能灯相当。
若当地市电电压不稳定,可增加一个由7812组成的稳压电路,如图5。为了使7812能正常工作,整流滤波后的直流电压应在14V~16V,因此应适当增加T2次级线圈的匝数。图中使用D6的目的是为了使输出的电压等于12.6V。

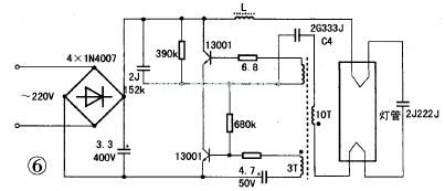
图6是另一种节能灯的电路图,它只用了一只滤波电容,改造的方法基本相同,但C4电容不能省去不用,否则会造成短路。
- 刊登此文只为传递信息,并不表示赞同或者反对作者观点。
- 如果此内容给您造成了负面影响或者损失,本站不承担任何责任。
- 如果内容涉及版权问题,请及时与我们取得联系。

文章评论