电子管功放制作技巧和要领
50Hz交流电的波形为正弦波,当接上负载后,交流走线回路上的电流即随着交流电的周期变化。交流走线中的电流越大,向外辐射的电磁场也越大。如采用单向走线时,其外辐射电磁场将感应到功放机内的其他走线及元件产生严重的感应交流声。
如果功放机中的交流电源线或交流灯丝走线,采用双股平行走线时,由于平行线之间存在一定的分布电容,虽然可将部分电磁场旁路,但仍不能清除干扰。
如果将功放机中的交流电走线,采用双股线绞合起来,因为绞合的两根交流走线其电流相依相反,能将交流电外辐射电磁场相互抵消,因此能消除外电场的于扰(图8-12)

3 高压电源的布局
以立体声功放为例,其布线原则是左右声道应严格分开。接地走线置于底板最下层,采用母线接地方式,左右声道的接地线分成两路,并按照放大器前后级顺序排列。交流灯丝走线与交流电源走线均采用双线绞合的方式,以减少外电磁场的辐射。
立体声功放的直流高压高达400V左右,为防止高压外电场的辐射,所以必须采用接线支架,将高压供电线置于各元器件的最上层,即采用所谓的架空接法。高压供电线还要注意尽量避开电子管栅极回路走线,以防止产生感应交流声与啸叫声。
立体声功故的直流高压电源总电流一般约0.4A左右、其静态工作电流与满信号时的工作电流波动较小,故高压滤波电容器的容量也无需太大,一般采用几十微法至几百微法即能满足。而晶体管功放则工作于低压大电流状态之下,而且静态与满载时电流波动极大,故必须采用几千至几万微法的滤波电容才能满足要求。
前级滤波电容通常采用100-470uF,可采用电容夹圈或粗铜丝与底板固定。经被釉电阻降压后为次高压电源,专门供前置放大与推动放大级使用,其去耦滤波电容可采用CDZ组合式,容量20-30uF即可,因前级电流仅20-30mA左右。
4 元器件的组装
布线工作结束后,即可开始安装与焊接各级管座上的电阻电容等元器件。自制功放多采用搭棚式焊接方式。搭棚方式可以就近走线,达到合理布线的要求。功放所使用连接线,为了便于识别,一般习惯上直流高压线用红色,屏极连线用黄色或橙色,栅极连线用绿色或蓝色,阴极连线用棕色或黑色。
各放大级的栅极电阻、阴极电阻与旁路电容必须在就近处同一段母线上一点接地。栅极电阻由于功耗最小,为防止感应噪声,可采用体积较小的0.5W金属膜色环电阻为最佳。
电子管栅极阻抗很高,灵敏度也较高,所以栅极回路的耦合电容、电阻等元件,不能与高压回路及屏极回路的元件贴近,以防止外辐射电磁场的干扰。同时对有极性的耦合电容在焊接时必须识清,正端接电子管屏极,负端接电子管栅极。接反时会因漏电加大,耐压降低引起弊病。此外,要注意耦合电容的耐压必须在400V以上。
级间精合电容与功放的靓声有很大关系,可选用介质损耗小、转换速率快的电容,如采用CBB聚丙烯、CB聚苯乙烯、CZM油浸电容、CZ30纸介电容等。如选用WIMA、SOLEN、MKP等音响专用金属化无感电容则更好。
输入管栅极灵敏度很高,相关音量控制电位器的引线又较长,为防止杂波信号的干扰,必须采用金属屏蔽隔离线,其金属编织线的外层接地,必须安排在输入管阴极处入地,切勿将接地端接到大电流的输出端子上。
图8—13是立体声功放元件排列示意图。
第三节 电子管功放的业余调试
全部安装焊接完毕后,应先将新装机与电路图仔细对照一遍,是否存在漏焊或接错之处,屏极与栅极之间的元件不可紧贴,导线不可平行,全部检查无误,即可开始进行初调。
对初装电子管功放机的朋友来说,由于电子管功放的工作电压比晶体管功放高得多,而且其金属底板即为负极,为防止疏忽而被电击,调试与测量时最好单手操作,切勿用另一只手扶住底板。电源关断后,机内的高压滤波电容器内仍有储存的高压电荷,一旦触及电容引线会遭电击。每次关断电源后,应将电容器正极通过低阻值电阻(直接对地短路会产生火花)对底板放电后,再检测其他部分元件。
调试前功放尚未进入正常工作状态,为保护音箱不致意外受损必须在输出端子上先接上假负载代替音箱,其阻值为8-16Ω/20W。开机三分钟后,密切注视机内是否有跳火或冒烟等异常现象,所有零部件的温升是否正常。
1 测量各级电压
先测量电源变压器各档交流电压数值,全部测量无误后再测量直流高压。
初学者可先将万用表负极用鳄鱼夹与接地线或底板夹牢,再用正极表棒测量各级电压。
直流高压在轻载时应为交流高压的1.4倍左右。测高压时先将万用表拨到直流500V档。如交流高压为320V时,经桥式整流后在滤波电容器两端的直流高压应为440V左右。
2 测量各电子管屏极电压
图8—14是测量各屏极电压示意图。
测量各屏极电压为简便起见,可按照图8—14进行。准确的屏极电压数值,应为该电子管屏极与阴极之间的电压。
如功放管的屏极对地电压为400V左右,而阴极电阻对地的压降仅为数伏,故可忽略不计。但对采用屏阴分割式倒相管来说,由于屏极与阴极的负载电阻均为22kΩ,对地压降很大,故必须测量屏阴之间的电压才行。
3 栅极负压的测量
图8—15是功放管栅极负压测量示意图。

功放管的栅极负压是随着推动情号大小而变化的。测量功放管自给栅负偏压时,必须在注入音频信号后测量。准确的栅极负压值应为栅极与阴极之间的数值,由于功放管对地压降较小,往往可以忽略不计。
如果两只功放管栅负压相差较大时,先看前级推动电压是否平衡,再通过调整栅极电阻来校准。
如果阴极电压相差较大时,应先了解功放管的配对情况,并可互相调换试一下,最后则可通过调节阴极电阻的阻值,使两管平衡。
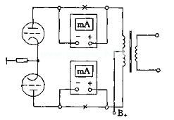
4 功放管屏极电流的测量
图8—16是屏极电流测量示意图。
电子管推挽功放对功率管的配对工作没有晶体管那样严格,因为同一型号的晶体管放大系数也会有较大差异,参数一致性没有电子管好。而电子管只要采用同一品牌,同一时期的产品,其放大特性基本相同。
对于电子管来说,如属保存较久的管型,选配功放管的配对工作是必不可少的。比较简单的办法是用测量功故管的静态电流与满信号电流,两者基本平衡,即可以配成一对。
测量时先将功放管屏极与输出变压器的连接点用电烙铁焊开,分别将万用电表拔到直流电流250-500mA档串入屏极回路内,一般前级无推动信号时所测得的是该管的静态电流,推动信号最强时所测值即为满载信号电流。
如两管推挽功率管静态电流与满载信号电流相差不大时,则可以通过调整功放管的阴极电阻与栅偏压电阻来进行校准,使两管电流达到基本平衡即可。如两管电流数值相差很大时,只有调换新管。
表8-1为常用功率管作AB类推挽放大的特性参数表。

5 负反馈电阻的调整
整机初调结束后,冉接上输入级与输出级之间的负反馈电阻,阻值一般在12—24kΩ之间,负反馈量控制在10-20dB之间:负反馈接入后,最明显的感觉是背景噪声大大减小。如接上负反馈电阻后,输出功率增大,或伴有啸叫声,则表明输出变压器线圈相位接反,应将变压器线圈相位调换。
6 输入音频信号
关断电源卸下假负载,接上音箱,然后将音量电位器调至音量最小位置。从输入端注入信号进行试听。功放机一般输入灵敏度为0.3—0.7V。可将CD、VCD、DVD、录音卡座、调谐器等的线路输出信号注入,音量电位器由小逐渐调至中等音量连续试听1小时左右,如各部分均无异常现象,即可认为初装顺利。
但一般初装中不可避免地出现诸多问题,如交流声、杂声、失真等现象,故可进一步进行复调。
第四节 电子管功放的整机复调及故障检测
整机初调后,如输入音频信号时,出现无声、交流声、杂声、声小、失真等一系列不正常现象时、说明功放机中存在某些故障,因此必须进行仔细的复调,找出故障所在,从而才能获得满意的音响效果,
1 无声故障检查
功放整机电压,电流检测无误,但从输入端注入音频信号后扬声器毫无声响,则应进行逐级检查。
先关断功放机电源,并将扬声器音箱接线卸下,确定扬声器及喇叭线完好无损。用万用表测量功放机输出端子是否有接触不良现象。继而检查各输入端的插头、插座、电位器接点及音频信号线的屏蔽层与芯线等是否有短路、开路现象。如无误可开启功放电源,将音量电位器中心臂置于中间位置,用单手持旋凿直接接触输入管栅极,如果仍然毫无声响,则须进行逐级检查。一般故障寻迹多采用自输出终端,逐级向前检测的方法,这种方法能较快地找到故障点。
先检查功放级与输出变压器之间的回路,再检查功放管脚是否按错。也可接一个0.1uF隔直电容直接在功放级的输入端输入较强的音频信号,如输出信号正常,可将经隔直电容器的音频信号直接送至推动放大管的栅极,如果扬声器有正常声音发出,则表明故障出在输入级与倒相级之间,应仔细向前查找输入电路级中各元件是否有接错或开路现象。
因单只功放管的放大倍数很有限,而且常要较强的推动电压,故将音源信号注入功放管栅极时,扬声器中只有轻微的声响;
2 严重交流声故障分析
电子管功放的交流声级比晶体管功放显著,一般晶体管功放成品机的信噪比可达90—100dB;国产各牌斯巴克电子管功放信噪比为85dB,而—般业余制作的电子管功放信噪比达到70-80dB已能令人满意。自制电子管功放,音量开大时,音箱中若有轻微的交流声属正常现象。如果交流声比较显著时,也要作为一种故障来查找、排除。
先将音量电位器关小,如交流声随着减小,音量增大,交流声亦加大,则表明此故障发生在输入级。发生这种现象,最常见的原因是输入信号的金属屏蔽线接地不实、音量电位器外壳通地不良、输入管栅极与阴极接地回路布局不当、输入电子管本身灯丝与阴极间有轻微的漏电现象等。
倒相与推动级的栅极电阻通地不良,或阻值偏大容易产生交流声。级间耦合电容器装置位置不当,受到附近其他元件杂散电磁场的感应干扰,亦会引起交流声,应仔细检查元件布局和接地点是否合理。
前级故障排除后,可将前级放大管与推动级电子管全部拔去,只留下功放管。如仍存在较大交流声,可能是功放管灯丝电压不足,或者电子管陈旧轻微漏电所引起。应用电压表先测量灯丝电压,如压降较大时应及时采取补救措施。如怀疑功放管本身质量有问题时,可以调换其他功放管一试。
电源部分引起交流声的概率最大。滤波电容器的容量不足或存在漏电时均会导致交流声。当第一级滤波电容严重漏电时,不但交流声大,而且直流高压输出偏低;第二级滤波电容严重漏电时,不但交流声大,而且伴有啸叫声。
电源变压器一次侧与二次侧中间的静电屏蔽隔离层引出线焊接不良或通地不良时,也会引起交流声,如无法拆开重绕时,其补救办法是在交流电源进线与地线之间跨接一只0.01uF/400V以上的电容器,可以起到一定抑制作用;但缺点是触及功放机壳会有轻微的麻电现象。
此外,电源变压器或阻流圈在装置时,如果铁芯直接与底板接触,则铁芯内所产生的涡流磁场会延伸到铁底板上,从而诱发交流声。所以在装置电源变压器时、必须在变压器与底板之间加装防震垫片;高档胆机采用全密封式的罩壳,这样即可较彻底地消除交流声。
3 噪声故障分析
功故机在正常放音时,伴随着不规则的喀喀声或吱吱声等异常声音可分为:内部噪声与外部噪声;
图8-17是功放内部噪声干扰示意图:

一)内部噪声干扰
当功放机内的电源变压器、输出变压器、高压阻流圈等内部层间绝缘不良,高压电通入后,由于电位差增大,而产生级间跳火,引起整机的噪声干扰。
功放所选用的电子管,如属珍藏品、陈旧品,日久真空度不良,阴极与灯丝间出现漏电等均会引起噪声干扰。
当采用质量不佳的碳质电阻时,该电阻由于内部阻值不均、接触不良而造成阻值不稳定
时,通电工作后会产生断续的噪声。
当功放机内所选用的耦合电容、滤波电容等内部绝缘性能不良或严重漏电时,均会导致产生各种噪声干扰。
二)外部噪声干扰
图8—18是功放外部噪声干扰示意图。

在灵敏度较高的电路中,如MIC传声与AUX拾音输入端,经常会受到外来高频电磁波干扰,干扰信号通过输入管栅极经逐级放大后,即会形成严重的杂声干扰。
现代各种大功率的电器设备、调光调速等设备,还可以通过交流电网窜入功放机的电源内,造成各种电磁波的干扰。
功放机中的电源变压器、输出变压器等,当电源接通后,也会产生各种电磁场的辐射干扰。
此外,如输入插座接地不良、布线与布局不当也会使外来的各种杂波信号通过信号线与机内高压线串入功放机各级,经逐级放大后,形成干扰噪声。
三)噪声的抑制措施
图8—19为抵抗杂波干扰的示意图。

为防止高灵敏度的功放机受内部与外部的各种杂波干扰,以提高功放机的信噪比,可采取如下措施:
输入级加屏蔽装置。对高灵敏度传声器输入的卡农插座,其外壳与机箱及机内母线接地,信号地线应在输入管外接地。并可采用低阻抗、平衡式的输入方式,这样即可有效地杜绝噪声电平及各种杂波信号的干扰。
为防止电磁场的辐射,电源变压器与输出变压器,应加上隔离罩或封闭式外壳、并将屏蔽罩接地。
接地线可采用母线接地方式。对高灵敏度的前级元件应采用一点接地的方式,这样可减少电位差,防止噪声电平干扰。
高压走线应尽量避开各电子管的栅极。采用高压元件的架空接法,并加强高压直流电源的滤波与去耦。
机内所用的电容、电阻器宜选用质量可靠产品,并在上机以前进行仔细的检测。
为防止外来电磁波通过电源网络串入机内,有条件的可采用成品电源滤波器,也可在交流电源进线回路内串入自制的抗干扰网络线圈。线圈简单的制法是用高频磁芯两只,用直径0.2-0.5mm的漆包线各绕30-50匝,分别串接在交流进线的回路中,即可有一定的抑制外来干扰作用。
第五节 自制功放的性能测试与提高
一、输出功率的测试与调整
1 输出功率的简易测试法
功放机装配调试好以后,总想了解一下本机的输出功率大小。在无正规测试仪表的情况可借助万用表来进行简单的估测。
图8-20是用万用表估测输出功率的示意图。
将CD、VCD、录音卡座等的音频信号,由新装好的功放机输入端注入,音量电位器置于最大位置。
将万用表拨到交流电压25V或50V档上。由于所测是交流信号电压,故表笔不分正负。测量时将两只表笔并联在功放机输出端子上或音箱两端。此时万用表针在不停地随着音频信号的强弱摆动,记下表针摆动最大时的电压数值。
计算方法如下:
额定输出功率 P=V2/Z
式中:V为所测得输出电压,Z为负载阻抗值。
在4Ω负载下,如测得的最大交流电压值为10V或12V时,则功放的额定输出功率分别为:
P1=V2/J=102/4=25W
P2=V2/J=122/4=36W
在8Ω负载下,如测得的最大交流电压值为12V或16V时,则功放的额定输出功率分别为:
P1=V2/Z=122/8=18W
P2=V2/Z=162/8=32W
因CD、VCD等音乐信号的输出电平,比音频信号发生器连续正弦波信号偏弱。用万用表测得的数值与交流电压有效值相接近,故可认为其数值为额定输出功率。如果用峰值功率来衡量时可加大4倍,即额定功率如为30W+30W时,而峰值功率即可达120W+120W。
2 增强输出功率的措施
如经上述简单的估测后,功放机的输出电压达不到要求的数值或输出电压较高,但失真与噪声显著偏大,则可进行如下的调试:
我们知道,一般声频放大器的输出功率有最大输出功率和最大不失真输出功率两个指标。最大输出功率表明功放的最大负载能力;最大不失真输出功率,表示功放的不失真放大能力。对于电子管功放,了解最大不失真功率更值得关注;所以在增强输出功率的同时,要照顾到整机失真度指标及其他性能参数。一味追求加大输出功率并不可取。
在保证失真度不致下降太多的前提下,提高输出功率的方法有以下可考虑的措施:
减小功率管的阴极电阻的阻值,使输出电流增大,输出功率可以有一定幅度的增大。但由于阴极电阻负反馈作用的减小,放大器的稳定性及其他性能指标要受到一定影响。
适当提高功率放大级的屏极电压,则可使输出功率加大。但必须考虑到功放管的极限运用值,而且要相应考虑到电源滤波电容器耐压是否够大,直流高压回路的降压电阻的耗散功率是否能满足要求。
适当加大推动级的推动电压,也能使整机输出功率相应提高。其措施是减小推动放大管阴极电阻的阻值。由于推动级的阴极电阻具有电流负反馈作用,阴极电阻减小会降低反馈量,对整机的失真系数及频率响应等性能会有一定影响。
适当调节整机的负反馈量,亦能有效地增加或减小整机的输出功率。即调节由输入管阴极至输出变压器未级的整机负反馈电阻的阻值。加大负反馈电阻,会使负反馈量减小,输出功率增大,但放大器的工作稳定性和性能指标会有所下降;减小负反馈电阻,会使负反馈量加大,输出功率会相应减小,但放大器稳定性提高,频响、信噪比、失真度会有所改善。过量的深度负反馈会使整机的转换速度降低,瞬态响应变差。
更换电子管
以上措施均有利有弊,不能两全。较可靠的方法是更换性能更好的电子管。如输出功率放大管由6P3P更换为EL34、6CA7、KT88等。更换电子管,必须考虑到原来的电源变压器、输出变压器等是否符合设计要求。如变压器功率余量的大小、高压电流的大小、滤波电容的耐压高低等各项性能是否符合要求。管脚的排列也要对应。
二、施加负反馈改善放大器的性能
对现代高保真功率放大器来说,如何减小功放的非线性失真,提高放大器的信噪比,拓宽频率响应,是至关重要的。
采用施加负反馈来改善与提高放大器工作的稳定性和各项性能指标,在国内外高保真功放系统中得到了广泛的应用。所谓“反馈”,就是把输出信号的电流或电压的一部分回送到输入端去调节输入信号的一种方法。反送回输入端的信号削弱了输入情号,使放大器放大倍数降低,称之为“负反馈”,反之,称为“正反馈”。根据反馈信号正比于输出电压还是电流,对于放大器来说则有电压反馈和电流反馈之分。要提出的是,功放整机加了深度的大回环负反馈以后,虽然放大器的性能提高不少,但对放大器瞬态响应、转换速率等性能却带来了不利的影响。所以负反馈的运用必须恰如其分、适可而止。
1,对放大器施加负反馈的好处
对放大器施加负反馈主要有如下作用
提高了放大器的稳定性
放大器的稳定性主要反映在放大倍数上。放大器的放大倍数会出于电压波动、温度变化等原因而随之变化。加入负反馈后,当放大倍数升高时,负反馈电压加在输入端使输入信号减小,放大倍数随之降低;反之,输入信号回升,放大倍数增高。由于控制信号取自输出信号,所以放大器可以作到输出、输入“相辅相承”,保持在一个相对稳定的工作状态下。
改善了放大器的频率特性
放大器的频率响应,反映了放大器的放大倍数随信号频率的不同而有所变化。负反馈可以使放大器因频率变化引起的放大倍数变化相对减小;尽管加入负反馈会使放大倍数减小,但却改善了放大器的频率特性,即频响展宽。
减小了放大器的非线性失真
电子管是一种非线性器件。所谓非线性是指电子管输出电压与输入电压之间的关系不是直线关系,也就说其输出、输入特性曲线不是一条直线。当你在输入端输入一个正弦波信号时,输出信号不是与输入信号波形一样的正弦波,而是发生了畸变,这就是说产生了非线性失真。加入负反馈后,输出信号的波形失真反馈到输入端,但由于失真的波形与输入端的波形相位相反,补偿了放大器的失真,使输出波形得到改善。
此外,负反馈对放大器的输入、输出阻抗也有一定影响。
三、电子管放大器常用的负反馈措施
图8-21是一种单级电压负反馈电路。

将后一级放大管屏极的信号,通过电阻R反馈到前一级电子管的屏极。因前级信号经栅极倒相后,前级与后级两管的屏极相位亦相反,这样即组成屏至屏极的负反馈网络。反馈电阻R的阻值—般取1—1.5MΩ。若R的阻值过小时,会降低输入阻抗,同时对放大器的低频响应造成影响。
图8-23是电流负反馈电路图。

图8—23中阴极电阻RK不加旁路电容,音频信号的屏极电流通过RK以后,使RK两端由于降压作用产生了一个音频电压,这个电压和栅极上原来输入电压相位是相反的,所以产生了负反馈作用。
电流负反馈一般加在功放机中的中间放大级或推动放大级。一般功率管阴极施加电流负反馈功率放大会降低输出功率和增大屏极内阻。
图8—24是另一种极间负反馈电路。

利用极间负反馈亦能有效地抑制噪声,图8—24中的电压负反馈电阻RP是设置在中间放大级与输出级之间。
级间负反馈电阻与阴极电阻相串连,凡被加负反馈的中间放大级,除了受反馈电阻RP作用外,一定还要有本级的电流负反馈。
级间负反馈不限定二级,亦可为三级或四级,但必须注意其相位关系,因为负反馈电压的相位必须和原来输入信号相差180°。如相位相同,会形成正反馈而产生自激,破坏放大器的正常工作。
图8—25是整机负反馈电路。

图8—25中为整机负反馈电路,RC负反馈网络设置在输入级与输出级之间。这种整机的负反馈被称为大回环负反馈。
近年采由于这种深度的大回环负反馈,对功放的瞬态响应、转换速率等性能带来影响,故对整机负反馈量都加以合理控制。一般的反馈量控制在6—12dB之间。
四、电子管功放的频率补偿
音频功率放大器的频率响应曲线,通常总是中频段比较平坦,低频段与高频段会显著下降。与此相关的相位特性,若以中频段的相位作为基准,则低频段的相位相对超前,而高频段的相位则相对滞后。从中频段到低频段和从中频段到高频段的频率响应曲线的下降和相位变化,各种功率放大器均不相同,但最低频段与最高频段的频率响应斜率和相位角的大小,总是决定于该功放机的放大级数和电路形式。
在这种情况下补偿的方法较多,但总的原则必须增大在相位变化为180度的频率时的增益量下降值,而且频率响应的终端斜率不允许增大。
为了实现上述要求,应从声频范围的低频段与高频段,由频率响应开始下降的频率起到相位变化达180度的范围内进行频率特性补偿,与相位的变化相比尽可能使增益量衰减大些。一般来说,使这范围的频率响应的斜率不大于6分贝/倍频程,即能达到目的。
1 低频补偿
一般的阻容耦合式放大电路的低频段的频率响应,最后可以用通用低频衰减特性来表示。
在多级放大器中,应采用阶梯法来进行补偿。在这种情况下阶梯补偿网络尽可能接在前级放大器中。如果将此电路接在靠近功放级时,则放大器低音频段的最大输出即会减小,若要勉强增大输出,则阶梯网络之前的放大级中将会产生显著的非线性失真。
图8—26是一种低频补偿电路。

低音频段的阶梯补偿网络的电参数,一般选择在低频段的频率响应是从40HZ处开始下降,则阶梯补偿的高度约为12dB,在阻容耦合放大电路中的耦合电容器的容量尽可能大一些。
图8—27是低频补偿特性曲线图。
2 高频补偿
在阻容耦合与变压器输出的多级功率放大器中,高频段的频率响应也随着电路中杂散电容的存在而衰减,故必须进行补偿,才能获得高频段较平坦的特性。
图8—28是一种高频补偿电路。

在多级放大器中,输出变压器的高频特性是由自身决定的,故高频衰减的基准频率是固定不变的。而阻容耦合放大器的基准频率则由耦合电容、屏极电阻与电路中的杂散电容所决定。在实际电路中,一般高频段的频率特性从10kHz以上即呈衰减趋势。
这样阻容耦合放大器的高频段在补偿时的基准频率可以选择在10kHz到50kHz之间。高频补偿网络是由网络中的电阻与电容所决定的,提高基准频率的方法可减小补偿网络中电阻的阻值。
图8—29是高频补偿特性曲线图。
高频补偿电路与低频补偿电路原则相同,其阶梯补偿网络应接入前级放大器中。如将该补偿网络接到末级中,则它的频率响应开始下降的频率移到音频范围之外,否则会减小高频的最大输出。
本文出自家电维修网: http://www.bjjdwx.com/wz/2008-11-26/873.html欢迎转载,转载请保留链接。- 刊登此文只为传递信息,并不表示赞同或者反对作者观点。
- 如果此内容给您造成了负面影响或者损失,本站不承担任何责任。
- 如果内容涉及版权问题,请及时与我们取得联系。

文章评论