FU-29 胆机制作
FU-29在国外型号为829B,本来专用于高频领域,作短波振荡和高频发射,而且多用于军事领域。据说米格15飞机就是用该管作发射管的。FU-29原来价格不菲,但近年来却有不少流落民间,而且价格奇低,20元左右就可以买到一只,还不到原价的1/10。估计是部队淘汰而库存又比较多,也因为此管在音频领域应用极少,国内成品电子管机中只有前些年斯巴克的一款560型号中应用过,业余用家也用得不多,也没形成流行,所以这管的价格向来没有被炒作。其实许多非音频专用的射频管在音频领域有着极佳的表现,如FU-32、FU17等,FU-29也就是其中之一。
一.电路简介
从表1的性能上看,FU-29是一只双束射四极功率电子管,有着较高的耐压,极限值达750V,而且有着较大的屏极功耗和屏极电流、良好的线性、低的饱和压降和高的跨导。从图1、图2的特性曲线表明这是一只线性优良的高效功率管。该管内部有两只相同的束射管,在标准状态下有600V屏压、200V帘栅压、13.75kΩP-P负载。一只FU-29输出功率可达44W,比一对6P3P大许多,和一对EL-34、KT66相当,略小于KT-88,而现在的价格却远低于KT88,所以FU-29是一只很值得“玩”的电子管。 表1 FU-29的性能
| 灯丝电压 | 灯丝电流 | 输入电容 | 输出电容 | 最大阳极电压 |
| 并联6.3V、串联12.6V | 并联1.9-2.6A、串联0.95~1.3A | 13—17 pF | 5—9 pF | 750V |
| 最大第二栅电压 | 最大阳极耗散功率两个四极管总和 | 最大第二栅耗散功率 | 最高工作频率 | |
| 225V | 40W | 7W | 200MHz |


制作FU-29的难点主要在于工作电压较高和制作阻抗比较特殊的输出变压器。当然,600V对于已经做过211、845、805等胆的业余高手来说不算什么,但对经验不足的初级发烧友这可是一个挑战。阻抗13.75 kΩ的输出变压器在市面上几乎找不到成品。解决的途径一是找一家能提供定制服务的商家代劳,二就是有动手能力的自己绕制,但由于其高工作电压,绝缘问题值得注意。本机的输出变压器参数如图3所示,结构如图4所示。优质的输出变压器是制作电子管功率放大器成功的基本保证。
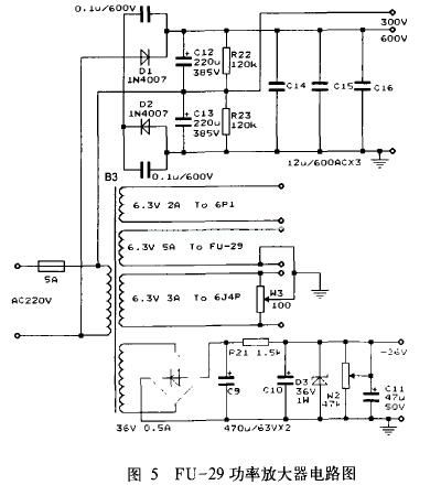
图5是我们制作的FU-29功率放大器电路图,这是一款相当“古典”的电路形式,整体突出了平衡的特点。变压器B1输入兼倒相,锐截止五极管6J4P作电压放大,发射管FU-29担当功率放大,变压器B2作输出阻抗转换


在各种形式的倒相中,变压器倒相性能优良且电路简单,波形失真小,对称性好。早年的电子管放大器使用较多,现今受频响、音染、价格等因素的制约,这种倒相形式应用很少了,但仍然是我们比较喜欢的电路形式之一。事实上,在音频范围内,设计出一个理想带宽的变压器是完全不成问题的,而且由于设计、材料、制造工艺的不同,不同的输入变压器有着不同的声音表现,这恰恰为校音多提供了一种方法。我们使用的是一对二手拆机的输入变压器,阻抗比为1:1+1,当然有动手能力的读者也可以自行绕制。
电压放大管6J4P是一只常用在中频电压放大的锐截止五极管,很少用在音频领域,但由于其高跨导和较大的屏流屏耗,而且价格低廉,用在这里表现也相当不错,这也是我们爱用的电子管之一,其参数如表2所示。R1和R2是6J4P的栅极电阻,也是输入变压器的负载电阻,同时决定输入 阻抗大小。R3和R4是6J4P的阴极电阻,利用阴极电流在R3和R4上的压降,为栅极提供负偏压,由于该阴极电阻上没有并联电容,因此R3和R4这两只电阻在本级还起到电流负反馈的作用。帘栅压通过R9降压C5退耦获得。为了获得较大的屏流,帘栅压可取得较高。由于本级加有很强的电流负反馈,而且屏极电阻R7、R8 的阻值也不大,所以虽然五极管放大倍数很大,但本机的增益却不算太高,约38dB。对于像FU-29这样的功率管,所需要的推动电压不高,所以这一级的增益不但足够而且还有余量。 表2 6J4P的性能
| 灯丝电压 | 灯丝电流 | 阳极电流 | 第二栅流 | 跨导 |
| 并联6.3V | 450mA | 10.25mA | 2.5mA | 9mA/V |
| 输入电容 | 输出电容 | 最大阳极电压 | 最大第二栅电压 | 最大第二栅耗散功率 |
| 11pF | 6 pF | 330V | 165V | 3.3W |
C1、C2是电压放大级和功率放大级间的耦合电容,该电容对音色有着较大的影响,有条件的话应尽量使用国内外优质的油浸电容,由于FU-29是一只高频功率管,在音频段使用尤其要注意其稳定性,在这里栅极设置了R16、R17,屏极设置了R19、R20等消振电阻。负压通过W1、R12、R13加到FU-29的两个栅极,确保FU-29处在正常的工作点上。R10、R11是两只负反馈电阻,与R3、R4共同组成环路负反馈,能起到稳定电路和减少失真的作用。C3和C4在这里起到高压隔离的作用,避免屏极高压对电压放大级工作点的影响。
图5中6P1、R21、C8以及两只离子稳压管WY2P组成简单的串联稳压电路供FU-29的帘栅使用。在一般情况下,功率五极管和束射功率管在帘栅稳压的工作状态下,音质表现都比较爽朗,由于FU-29的帘栅电压和屏极工作电压相距较远,因此一般采用帘栅稳压的方式,而且多采用大功率晶体稳压管,其声音的表现清爽开扬。也许FU-29的“胆机石声”也是因此而得名的吧!我们在这里使用离子稳压管和电子管组成的稳压电路给帘栅供压,目的是想在这清爽之中添加韵味。在保持FU-29的控制力和速度感的前提下,增加中频的厚度和密度,以求胆机、胆声、胆韵。本功率放大级的电压放大倍数约60倍,合35.5dB。两级总增益约为73.5dB,加上环路负反馈之后,增益为47.5dB,共有26dB的负反馈量。这样输入变压器增益为6dB,两级放大加负反馈,总共有47.5dB,输出变压器也有-32.5dB增益,整机实际增益为21dB。
电源部分也如图5所示,屏极600V高压直接从220V交流市电中经D1、D2倍压整流及C12、C13及C14、C15、C16滤波后获得。其中D2和C13组成的半波整流滤波后得到的300V电压供电压放大级和FU-29的帘栅极使用。R22、R23是电源的泄放电阻,给滤波电容提供能量释放的途径,关机后这两只电阻会把电容中残存的电能释放掉,否则在电子管阴极冷却停止工作后,电容还残存有很高的电压,并且保持很长时间,对安全和电子管的寿命都不利。
这样的供电方法省去了一只高压大功率变压器,不仅成本降低,还得到很低的电源内阻。没有变压器阻隔的电源能量无疑是充沛的,反应更迅速。在静态和大动态情况下,高压的波动很小,本机的中低频段的上佳表现就得益于此吧!但少了电源变压器的隔离,安全又成了问题,一台通体带电的放大器是不可想象的。在这里输入变压器B1和输出变压器B2就完成隔离的作用,使得机壳不带交流市电。值得注意的是图5中机壳的接地和内部线路的接“地”是分开的,千万不能连在一起。由于B1和B2在这里要完成传输信号和隔离双重作用,所以这两只变压器的品质不可掉以轻心。
历来采用这样的供电方式很少,主要是安全上的考虑,其实只要一前一后两只变压器把关,隔离效果和用电源变压器完全一样,这台胆机已经使用了多年,非常安全。而这也并非是什么新创意,本刊1981年第1期有篇文章《无电源变压器的晶体管扩音机》,其电源就是从220V交流市电中直接整流滤波取得。60年代出现的“高淳放大头”就是这样的供电方式,而且几只电子管的灯丝也是直接用220V交流通过电容降压来提供。本机在灯丝供电上还没有走得那么远,还是设置了一只普通电源变压器B3。但值得提醒的是,近几年在一些杂志和书刊见到过直接采用市电供电的却没采取任何隔离措施的电子管扩音机的电路图,读者应慎用之。
3组灯丝用的6.3V和一组栅负压用的36V另设一电源变压器B3提供。由于所需功率不大,所以用一只60W小功率变压器就可以了。接在电压放大级6J4P灯丝的100Ω电位器W3,作用是把灯丝的交流干扰调整到最小。FU-29的灯丝一端接地就可以了,改变FU-29的脚位灯丝也可以用12.6V。但注意的是接6P1的灯丝绕组不能接地。在这里,6P1阴极电位已经到220V,如果灯丝接地的话,阴极和灯丝间的电压就远超出6P1的100V极限值,只能悬浮供电。交流36V经硅桥整流,C9、R21、c10滤波,稳压管D3稳压后,经W2调整给FU-29栅极提供固定的负压。
FU-29的耐压很高,可达150V,为提高效率,增加输出功率,就得让电子管工作在高屏压、低屏流的高效状态。这里FU-29的屏压取值Ua=600V,最大屏流IAMAX=60mA。从FU-29的Ua-Ia曲线(图2)得到,在Ug=0V、Ia=160mA时屏极和阴极间的压降约为40V,这样可以计算出本机的输出功率 P=(600-40)×0.16/2=44.8(W)
按输出变压器90%的效率折算,也足有40W的实际输出功率,对于电子管功率放大器来说这已经处在黄金功率段了,实际推动力不输于100W的晶体管放大器。
二.元器件的选择
在装配这台机的时候,笔者选用了很多旧装的零部件。经过二三十年甚至更久,这些零件已经经过了时间考验,经实测还完好的话,可靠性应该是比较高了。6J4P我们用的是20世纪50年代末的南京产品,FU-29和WY-2用的是20世纪60年代的北京产品,6P1是20世纪70年代的上海产品。电阻也都是用仪器上拆下来的碳膜和碳质实心电阻,要注意的是这些旧电阻都应该经实际测量过才能上机使用,特别是一些碳质电阻,有些因变质而误差很大,有些误差甚至达到100%,使用前一定要经过筛选。C12、C13是两只飞利浦高压电容,蓝色外壳,四周夹有6道凹槽,品质不错,价格低廉。C14、C15、C16是罐装油浸电容,耦合电容C1、C2采用的是瓷管封闭纸质电容,纸质电容的技术指标不高,损耗大,正切角比聚苯乙烯电容和聚丙烯电容大1~2个数量级,但在声音上却有独特的风格,醇厚而不乏通透,这也是我们比较喜欢的电容之一。当然如果有优质的油浸电容,那更好。输出变压器是我们专门设计制作的,实测一次侧电感量253H,漏感35mH,初级单臂直流电阻112Ω,两臂误差在0.5Ω以内。用兆欧表测试,一、二次侧间的绝缘电阻在100MΩ以上。输入变压器可以使用拆机品,比如美国UTC旧输入变压器,市场不难找,价格可以接受,品质也较满意。当然也可以按照1:1的比例自行绕制。
三.整机的装配和调试
装配和焊接质量主要看个人的焊接工艺和布线经验。元器件的选择、焊接工艺和布线对音质都有影响。有人说,同样的东西,100个人做出的机器有100种声音,这话还是有一定的道理的。在制作的过程中除了注重元器件的精选之外,在布线上还颇费脑筋。地线的布局要做到每个声道、每个放大级都有单独的接地,最终扰、提高信噪比的目的。零件的安置上尽量减少小信号和大电流零件间的影响,提高声音的纯度。
调试过程应十分小心,一定要注意安全,虽然外壳不带电,但整个机芯都是带电的,所以务必要小心,身体任何部位不能触及机芯。特别是手持表笔测量的时候,最好能将表笔之一换成鳄鱼夹,实现单手操作。当然如果有一只大功率220V离变压器,调试过程就会安全很多。
在所有元件都焊接完毕之后,在插电子管之前先通电。如没有冒烟、打火、烧保险等现象,再测量两组高压,应该在300V和600V附近,再测量3组6.3V灯丝交流也正常的话,下一步就可以插电子管了。先插上两只6J4P,观察灯丝正常点燃之后,测量屏极、帘栅和阴极,如果电压在135V、110V、2.5V左右,那电压放大级的工作基本就正常了。接着可以插上两只离子稳压管,分别测量两管的阳极和阴极两端电压,每只管应该在105V附近,然后插上6PI,测量阴极电压大概有220V,接着将W2调至最大,W1调到中点,接上负载,就可以插上FU-29了。最后调节W2使R19、R20上的电压为0.2V,这个时候FU-29的栅极电压大概在-26V左右,调节W1使FU-29的两个屏极电流平衡,喇叭里的交流声最小。热机半小时后反复调整W1和W2,使FU-29的工作点正常,调试结束。但是要说明的是,每一次插电子管,都要在断电状态并且等高压电容里的电能释放完毕后才能进行。
四.听音评价
在这次视听中我们除了CD外都是采用“自摩”器材,按标准只能算是Hi-Fi入门,但整体却显现出高档器材的“贵气”。这台FU-29给入最初的印象是“底盘”很稳,有种“霸气”,在听《The King of Bass》第二首“Sming Low,Sweet Charriot”时,低音提琴牛筋般地和大提琴相互映衬,在室内回旋;第六首“LaListe Deschingler”是电影《辛德勒名单》中的主题曲,在这里由大提琴演奏,旋律奏出顿生苍凉感;在放八只眼《青叶城之恋》中的“莫斯科郊外的晚上”,演唱者浑厚连绵、中气十足而又充满磁性的男低音被表现得淋漓尽致。再听Salah Brightman的《Liluna》第三首“Scarborough Fair”,Salah以糅合了古典和流行的唱腔,不食人间烟火般的飘渺,如同就在面前深情款款地徐徐而歌,让人听得如痴如醉。
本机有如此表现。实在是意外,却又在情理之中,FU-29的表现让我们有一种意外的惊喜。和300B相比,各有所长:分析力不相上下,细腻度及人声300B略胜一筹,中频两者较为接近,都有致密的质感,但略逊于300B,低频也似乎相当,但说到后劲和力度,那300B就不知道要落后几个级别了,特别在推一些低效率音箱和播放大动态软件的时候特别明显,毕竟两者的功率相差了好几倍。当然把300B和FU-29放在一起比较是不公平的。
五.结束语
任何有源器件,无论晶体管还是电子管,工作条件不是单一的。本机的FU-29是工作在高屏压、高负载阻抗的条件下,目的是高效率和大功率。同样是FU-29,帘栅压保持在225V,屏压降至300V,接5kΩ的输出变压器,输出功率接近17w,据说声音有种独特的风味。本机仅将电源中倍压整流改为桥式整流,再改用5kΩ的输出变压器即可。5kΩ的输出牛比较好找,有兴趣的读者不妨一试。
最后值得一提的是本机在调试过程中。经历了几个阶段:刚装配好的时候没加环路负反馈,6J4P的阴极电阻R3、R4上也并有电容,整机的增益虽然很大,但听感却不是太好,声音偏硬,有明显的失真,后来将两只6J4P接成三极管状态,取消并在R3、R4上的电容,感觉有所改善,最后是加上R10、R11和C3、C4,引入环路负反馈,并将两只6J4P接回五极管状态,听感才感觉满意,因此只有当正确灵活地使用负反馈,才会制作出好的机器。有人认为,加了环路负反馈的机器声音不够“活”,这可能对如300B这样的线性很好的三极管来说是正确的。和三极管不同,五极管和束射管不加负反馈会产生很大的失真。在应用得恰当的时候,负反馈的确能起到画龙点睛的作用。
- 刊登此文只为传递信息,并不表示赞同或者反对作者观点。
- 如果此内容给您造成了负面影响或者损失,本站不承担任何责任。
- 如果内容涉及版权问题,请及时与我们取得联系。

文章评论