微电机脚踏调速器电路与改进
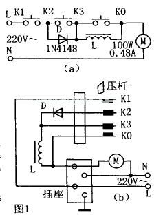
微电机脚踏调速器常用于小型绕线机、缝纫机、拷边机等,作为有级调速器使用。其调速的电机一般为功率100W,0.48A电流的单相串激式微电机,这类脚踏调速器的电原理图如图1a所示。接线示意图如图1b所示。其工作原理为:当脚踏下压杆使K1、K2接通时,220V市电经二极管D和电抗器L串联后接微电机M,由于二极管的单向导电作用,微电机所得电压为半波平均值(L直流压降为几伏),为95V左右,微电机处于低速运转状态:当脚踏压杆使K1、K2、K3同时接通时,D被K2、K3短接,220V市电经L降压后加在微电机上,微电机处于中速运转状态;当脚踏压杆使K1、K2、K3、K0都接通时,220V市电直接加在微电机上,这时,微电机全速运转,这时力矩最大。平时,微电机启动较频繁,脚踏调速器承受电流较大,常使调速器触点烧熔、粘连和损坏。并引起微电机电刷、电枢等损坏,给使用者带来诸多不便。

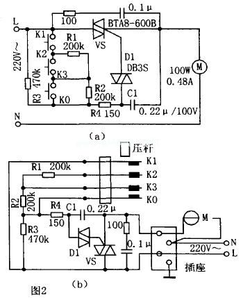
改进后的脚踏调速器电路原理图如图2a所示。其接线图如图2b所示。改进后的脚踏调速器采用双向可控硅交流技术,利用改变RC移相时间常数来控制双向可控硅的导通角,用以调整施加于微电机上的电压大小,达到调整微电机转速的目的。改进的调速器利用原来K1、K2、K3的接通和断开来调整RC时间常数。因此,K1、K2、K3承受电流很小,可极大延长其触点的使用寿命,也提高了调速器的可靠性和使用寿命。改进的调速器仍然采用低速、中速、全速有级调速方式,具有容易制作、节约成本、性能可靠、延长使用寿命等特点。

工作原理:
平时K1、K2、K3在断开状态时,由于R3阻值较大,其RC移相电路不能使VS触发导通。当脚踏下压杆使K1、K2接通时,R1、R2接入电路,其构成的RC时间常数使双向可控硅在较小的导通角状态下导通,使微电机低速运转,调整R1可得到合适的低速度。当脚踏压杆使K1、K2、K3接通时,R1被短路,R=(R2//R3)+R4,RC时间常数处于适中状态,双向可控硅导通角亦处于适中状态,微电机在中速状态下运行,调整R2可得到需要的中速状态。当脚踏压杆使K1、K2、K3、K0接通时,R1、R2均被短路,这时,R=R4,RC时间常数最小,微电机全速运转。因此,脚踏压杆调整K1、K2、K3的通断,就可以调整微电机进行低速、中速、全速三种速度调速运转。
改进的调速器采用了典型的电感式负载的双向可控硅调速电路,可有效地防止微电机的电感特性对双向可控硅调速电路运行可靠性的影响。若需改为连续无级调速方式,只需将R1、R2采用一只470kΩ的电位器代替便可。另外,将脚踏压杆改为能带动齿轮旋转的锯齿压杆,以带动电位器旋转调整RC时间常数,达到连续调速的目的。
元器件的选用:
D1选用DB3S等双向触发二极管:VS选用耐压为600V、电流为8A的BTA8-600B等塑封双向可控硅。因元器件较少,可利用绝缘支架固定元器件。
- 刊登此文只为传递信息,并不表示赞同或者反对作者观点。
- 如果此内容给您造成了负面影响或者损失,本站不承担任何责任。
- 如果内容涉及版权问题,请及时与我们取得联系。

文章评论