FU-7胆机自制
300B甲类单端输出胆机的音色,不知迷到了多少发烧友, 甚至有人把它喻为发烧的至高境界。但是不足10瓦的功率, 限制了它不能搭配一些低效率的高品质音箱,这不能不说是一大遗憾。如果有一部即有300B单端输出的音质,又有300B推挽输出的功率,而且动态、阻尼、解析力都超过它的优秀胆机,相信是众多发烧友梦寐以求的。遗憾的是能够达到这种要求的胆机, 身价已经不是寻常百姓能够问津的了。然而,对于“土炮”发烧友来说,发挥自己的特长, 自己动手焊制一台音质优秀的胆机也是可能的 况且目前胆机的技术已没有什么秘密可言,调试要点,制作工艺已经非常成熟,只要你肯动手,一定能成功,差别仅在于声音的档次而已
本文向喜欢动手的发烧友介绍一款“土炮”胆机 它在中高频的感觉直追用300B制作的单端甲类功放, 而且声音的密度质感以及解析力方面还要超过一些。
原理介绍:
电压放大级采用一枚6DJ8(6N11)接成SRPP电路 这是近年来流行起来的一款电路,与传统的经典共阴放大电路相比,具有解析力高,高频响应好, 输出阻抗低,易调试的忧点。音色取向上比共阴放大电路清丽流畅,速度感更快,可以理解为侧重“音响性” 的特点,但是不如共阴放大电路的“胆味”浓郁。这一级对整机的音色取向起着关键性的作用。使用12AX7(6N4)接成共阴放大、工作电流选取在3.5mA左右时,可以使主机获得更具“音乐味” 的表现
第二级使用6SN7H(6N8P)加恒流源组成了长尾倒相电路, 约有15dB的增益。晶体管BG1与D1、R11、R12组成了倒相电路的恒流源 有利于电路两臂的平衡和降低失真。倒相级的工作电流, 对整机的音质影响十分大,请整R12可在4—8mA之间选取,笔者取6mA。取值过大或过小,对高音和低音都有至关重要的影响, 加大电流听感上更温暖中频更丰厚, 高音相对暗淡一点,减小电流高频要好一点, 中频损失部分厚度。具体选值多少就以你的个人口味而定了。
第三级功率输出级采用了四只FU-7并联推挽输出。采用FU-7不单纯是为了廉价,更重要的是它的人声表现能力与大名鼎鼎的300B不遑多让。曾有台湾的DIY高手称赞FU-7在表现人声的音乐神髓上,比300B更具“人性化”。还有一点就是由于本机采用双管并联辅出。一般说来,胆管并联后,声音取向上中低频变厚,声音密度增加,而高频则变朦,解析力有不同程度的下降。经实验,不同的胆管各有差异,曾试过EL34、KT88并联后的总体表现,除去输出功率增大外,整体表现不如单菅。而FU-7在6kΩ左右负载时双管并联和单管运用时, 高频差别极微, 中频质感增加,人声更加丰厚;动态、控制力、输出功率的提高更是在预料之中。每一只FU-7工作在480V、50ma、功耗约2W,接近FU-7的最大阳极耗散功率25W,但只要挑选正品管子,稳定度方面毫无问题。笔者的样机已经使用了二年却末见任何老化现象,何况其价格只有KT88的四分之一,市场货源充足,FU-7可称是最超值的胆管之一。
FU-7接成三极管接法,其音质早有定论,虽然少了一点威猛阳刚之气, 但采用双管井联后可以得到弥补。由于整机的开环特性很好,所以本机的大环路负反馈取值较低,有效地降低了大环路负反馈所带来的瞬态失真、高频相移等负面影响,使得本优良的瞬态响应。
整机只有一级电容耦合、容量很小,对音质的影响不是根大,可以选用补品电容。曾实验过几款名品电容,比如WIMA、ERO、苏伦等,最终笔者用了WIMA电容,取其声音较为中性,解析力与速度感上乘。喜欢偏重“音乐味”的表现的话 也可以选用苏伦电容。

制作:
底盘的制作可参照图2。材料的选取对声音有一定影响, 曾实验过铁板、铝板、不锈钢板等,不同的材质对音色产生不同的影响。从机、电、磁各方面来说铝板是最理想的,但是从音效上来说并不是很理想,它的声音有点发散,声像也有点模糊。铁板最不足取,理由很简单,用于机架的内磁电特性很不理想,各种变压器的泄露磁场在铁板内会产生复杂的电磁干扰,并对靠近铁板的元件产生磁耦合而造成音质污染。在笔者的实验中,使用相同的元件和电路,用铁板做机架时,可以明显的感觉出音质变差。不锈钢板是个有争议的材料,有人指责它声音呆板发涩,但是笔者的对比实验还是觉得要好过铝板和铁板。主要是表现在中低频段的凝重感上,是其他两种材料所无法相比的,况且还比较美观。缺点是由于不锈钢的硬度较高,业余情况下的加工制作比较困难些。

输出变压器是一部胆机制作成败的关键,本机采用优质铁芯和无氧铜线自行绕制。绕制方法比较复杂。初级与次级相互隔开,初级分为三层六组,一边正绕.一边反绕。次级以同样的方法绕制夹在初级各层之中。圈与圈之间留有间隙,不能密绕,可以得良好的高频响应。注意各绕组的抽头不要搞混。绕完后插入铁芯,在次级接上6v左右的交流电,然后连接初级的各绕组抽头,注意每连接一组测得的电压应增高,如果降低就是连接反相了,应调换过来, 直到叠加电压最高为准(同相连接)。只要精心仔细,按图操作,成功率极高;比某些徒有虚名的成品输出牛好得多。铁芯尺寸取大些,中低频好,但漏磁,漏感、分布电容都大, 高频频响下降。铁芯取小些,中高频不错,但中低频差些, 声音薄。关于铁芯的材质业界也有争论,现在市场上的成品输出变压器基本都采用了高值有取向芯片,体积小,铜耗低,可以减小分布电容、电感,能够得到良好的高频响应。而采用经典的中值硅钢片,在相同参数下,声音更温暖丰厚,胆味更浓郁。笔者经过无数次实验, 取4×6中值硅钢片钱芯按图精心绕制,取得了良好频响,听感上也极靓声(在本机的实际制作时.采用了两只275W电子菅广播机的输出变压器的铁芯改造绕制)。

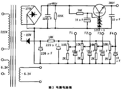
电源部分十分重要 本机是双单声道设计, 需要制作二只电源牛。笔者采用450W铁芯常规绕制,不再赘述。阻流圈也是个有争议的元件,褒贬不一,但是有一点是可以肯定的.那就是阻流圈的使用对电源的速度和瞬态反应是不利的。笔者认为只要电源的直流波纹足够小,不用更好。

整流后除了第一级滤波采用了电解电容器外,其他滤波电容全部采用CBB60聚丙稀电容再加#0.68uFCBB小电容。可选用电机启动电容30uF/500V的多只并联使用(注意:市场上报多电机启动电容都是采用两只有极性电解电客同极性串联后封装的,这种电容质量非常差,绝对不可以使用!)。如果底板空间够大的话,把第一级滤波电容也换成CBB更好,但是要注意容量要足够。你会发现这是一个靓声“绝招”。笔者在给胆机摩机时经常采用此法,屡试屡灵。在中频质感、解析力上明显胜过“高速电解”、“音频专用电解”。再次说明的是滤波电客的容量要够大, 耐压要有余量,否则滤波不干净的电源,会严重影响音质
由于电路相对比较简单,采用搭棚焊接更有利于音质,搭焊的元件与线头要先清洁,去氧化层绞接后再焊接,助焊剂可采用松香酒精混合液,不要使用助焊膏。
胆机的布线和接地很重要,经验不太丰富的烧友对此不可掉以轻心。本机采用各级独立地线分别汇聚电源地,然后在机架上靠近输入插口的地方接地,即所谓一点接地的方法。使用的地线一定要尽量粗些, 最好使用单支粗铜线。
早期国产的电子菅(80年代以前)的素质是可以信赖的,6N8P、6N11、FU-7都是音响界有口皆碑的型号,完全可以放心的选用(见图5) 至于80年代以后的产品就鱼龙混杂了,产品的稳定性和一致性很难保证,不用为好。
总之,一款靓声自制胆机的制作成功,是与一点一滴的精心制作和调试密切相关的除去输出变压嚣外, 虽然任何一个元件的选取, 或者一个调试步骤, 不一定会对音质产生太大的影响,但是一点一滴积攒起来,就积少成多了, 对音质的影响就不可忽视了 每一个元件不同的品牌,不同的生产时期,不同的生产工艺. 以及不同的工作状态, 都有不同的音色个性。特别是电子菅与电容,熟练地掌握这些元件的音色个性与特点,对成功地制作一款高级自制胆机是必不可少的。
调试:
1)调节四只栅极负压调节电位器,使对应四只FU-7的电流为50mA,工作1小时后再调整一次(新管子要进行老化处理, 即不接高压,让灯丝点燃15分钟)。然后接通高压, 调节栅极负压,分别在10mA、20mA电流下各老化10分钟,然后增加到50mA即可。
2)调节恒流源电阻R12,使倒相级电流为5mA。
3)SRPP放大圾的电流不得低于6mA,否则音色打折扣, 可增减电阻R3达到要求。
4)6DJ8与6SN7H的灯丝不接地,而是通过分压取出100V+电压,通过二只平衡电阻加在灯丝两端,电路图中没有画出,读者可自行设计。这是因为这两级的阴极电位都在100V以上,超出了最大阴极灯丝间电压。
5)校对负反馈相位。由于本机负反馈量很小,相位反接时不一定啸叫,可作断开负反绩电路的实验,如断开后音乐声音变大, 说明反馈相位正确,如果声音变小.说明相位接反。可调换输出牛两个输入端接线,注意观察无信号时如FU-7屏极发红,高音喇叭有不规则杂音, 说明有高频自激,可将FU-7的顶部屏极引线自绕五圈形成一个小电感, 一般就可解决
6)通电过程中不可使输出端开路,免得产生自激击穿输出变压器。
7)倒相极供电380V, 可以提高至430V,这时控制力更好。
由于本机增益较高, 可直驳CD机 再接驳前极反而显得有些画蛇添足。
该机的表现别有一番风味,有别于一般的中低档次胆机,声线清晰,双单体结构具有极为优秀的音场和定位。由于整机的开环指标很好,只有浅度的负反馈,从而使得声音具有活鲜感,跃动感和速度感。低频厚而不肥,弹跳性很好,没有一般胆机常有的松软肥现象, 中频的表现特别令人满意(FU-7并联使用功不可没),听人声特别有味道,特别是几位著名女歌唱家的歌喉发挥得淋漓尽致,饱满富有磁性, 一般石机做到这份上或多或少的总有几份硬朗感,然而本机却没有半点这种感觉,高频段的演绎也很有特色, 有一种甜美湿润的感觉,非常接近300B单端机的感觉。乍一听似乎尖一点点,但不失解析力和通透度,让人久听不厌。正是很多高烧友孜孜以求的声音。制作这样一台双单体机的成本大约一千多元, 不到300B品牌机的十分之一,性价比非常好。其实贵在实践, 当一款胆机在你的手中诞生时,那种成就感与欣慰感是任何一款名牌机也无法给予的。
本机主要性能:
功率:40W×2,8Ω
失真: <0.2 1kHz/5w
频响:18~30000Hz
试听器材:
音箱:1)AE1 1I
2)绅士宝单元自制土炮箱
转盘:DENOR 2800AL
解码器: 丽特38S
信号绒:NBS小蛇王
喇叭线:AQ MIDNIGHT 3
- 刊登此文只为传递信息,并不表示赞同或者反对作者观点。
- 如果此内容给您造成了负面影响或者损失,本站不承担任何责任。
- 如果内容涉及版权问题,请及时与我们取得联系。

文章评论