调幅无线话筒
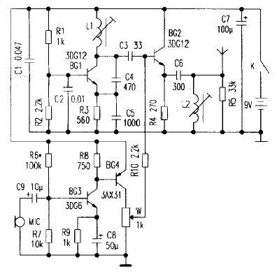
本文介绍一种调幅无线话筒电路及制作. 工作原理: 电路如图所示.BG1等构成共基极电容三点式振荡器.调整L1可使输出频率在800kHz~1000kHz之间变化.振荡信号经C3送到BG2的基极作为载波信号,来自话筒的音频信号经BG3、BG4放大后经R10也送到BG2的基极作为调制信号,由于BG2的b-e结具有非线性特性,从而可实现音频信号对载波信号的幅度调制.由BG2发射极得到的调幅信号经过由C6、L2、R5组成的匹配网络与天线相接,向空间发射电磁波. W用于调整调制信号的大小,可防止过调幅.元件选择与调试L1、L2为中波收音机的振荡线圈,可用LTF-2-3振荡线圈的①、⑥端,也可在调幅收音机的中周骨架上用Φ0.08mm的漆包线绕85圈制成. 话筒可用驻极体话筒.开关采用微动开关,电源用9V叠层电池.天线用适当长度的细软线.其余元件见图注.调试时,先调整R6,使BG4的集电极电流为4mA.

将调幅收音机的频率度盘调到800kHz~1000kHz范围内的某一没有广播信号的频率上,然后使收音机靠近无线话筒,对着驻极体话筒讲话,调整L1、L2使收音机收到信号.然后将无线话筒和收音机之间的距离拉大,再调整L1、L2使收音机收到的信号最强.同时调整W使收到的信号不失真,而且发射功率最大. 电路安装完毕,封在一个方盒内,话筒用同轴屏蔽线连接.
本文出自家电维修网: http://www.bjjdwx.com/wz/2008-11-22/777.html欢迎转载,转载请保留链接。- 刊登此文只为传递信息,并不表示赞同或者反对作者观点。
- 如果此内容给您造成了负面影响或者损失,本站不承担任何责任。
- 如果内容涉及版权问题,请及时与我们取得联系。
上一篇:调频无线话筒制作
下一篇:使用方便的自动控制电源适配器

文章评论